|   | 
| 
 | |||||||
| Практика по SQ Головные устройства, акустика, кроссоверы, процессоры и много-много других страшных слов | 
|  | 
|  | Опции темы | Опции просмотра | 
|  05.03.2012, 17:33 | #1 | 
| Старейшина Регистрация: 12.03.2007 Адрес: Киев Возраст: 57 
					Сообщений: 1,367
				 Вы сказали Спасибо: 18 
		
			
				Поблагодарили 212 раз(а) в 111 сообщениях
			
		
	 Репутация: 347 |  Pioneer DEX-P9, как транспорт может быть не хуже ODR 
			
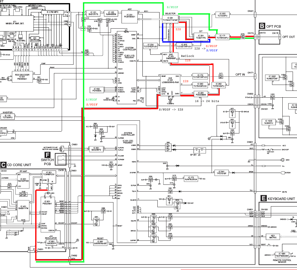
			Много раз уже писали, что П9 как источник для процессора намного хуже ОДРа. Вот и решил я разобраться почему. Сразу скажу - МастерКлок здесь ни причем. Когда я изучил схему П9, и посмотрел как формируется сигнал для передачи на внешний проц., цензурных слов в моём словарном запасе - не осталось.  Сигнал с СД-привода, в уже готовом для передачи на проц. S/PDIF формате, преобразуется в I2S. Затем этот сигнал проходит через улучшайзер, преобразователь частоты дискретизации и разрядности с 16 на 24 бита. Затем этот сигнал опять преобразуют в S/PDIF (уже от другого мастерклока) и только потом подают на оптический выход. Разумеется ни о каком качестве  звука, после такого издевательства над сигналом, говорить не приходится. Короче нужно лечить. Самый простой вариант лечения - это подать сигнал с СД-привода прямо на опто-передатчик. Но тогда мы останемся без радио. Спасибо Пионеру, на плате есть цифровой коммутатор (TC74HCT157AF), в котором есть один свободный блок коммутации, да ещё и управление этого коммутатора делает переключение между радио и СД.  Входы коммутатора заведены на землю, поэтому ножки микросхемы 13 и 14 нужно отпаять от платы и отогнуть. К 14 ноге подпаиваем выход цифры из СД-привода. К 13 ноге выход с преобразователя в S/PDIF (TC9271FS), соответственно убираем резистор (R301) с этого выхода, чтобы оторвать его от выхода на оптику. К 12 ноге подпаиваем резистор (R301) и этот резистор подпаиваем к одному из его (резистора) бывших контактов, который идет на опто-передатчик. И ВСЁ! Мы получили качественный выход на процессор и при этом сохранили возможность слушать радио. Правда в такой схеме не работает оптический вход П9, это тоже решаемо одной дополнительной микросхемой логики "И"/"ИЛИ" (какой именно зависит от состояния неактивного сигнала: если неактивный сигнал "0", тогда "ИЛИ", а если "1", тогда "И"). | 
|   |     | 
|  05.03.2012, 17:37 | #2 | 
| Старейшина Регистрация: 12.03.2007 Адрес: Киев Возраст: 57 
					Сообщений: 1,367
				 Вы сказали Спасибо: 18 
		
			
				Поблагодарили 212 раз(а) в 111 сообщениях
			
		
	 Репутация: 347 |  Re: Pioneer DEX-P9, как транспорт может быть не хуже ODR 
			
			Вот фото. За "красоту" не обессудьте - "ровно и аккуратно - это не ко мне".   | 
|   |     | 
|  06.03.2012, 00:40 | #3 | 
| Старейшина Регистрация: 12.03.2007 Адрес: Киев Возраст: 57 
					Сообщений: 1,367
				 Вы сказали Спасибо: 18 
		
			
				Поблагодарили 212 раз(а) в 111 сообщениях
			
		
	 Репутация: 347 |  Re: Pioneer DEX-P9, как транспорт может быть не хуже ODR Я чего этим занялся, я с оптики П9 подал сигнал на проц. Статуса Н900 и ужаснулся - качество звука от П9 как от источника ощутимо хуже чем от обычного ЮСБ плеера! Вот и полез разобраться. | 
|   |     | 
|  06.03.2012, 02:09 | #4 | 
| Регистрация: 07.12.2008 Адрес: Киев Возраст: 47 
					Сообщений: 155
				 Вы сказали Спасибо: 12 
		
			
				Поблагодарили 0 раз(а) в 0 сообщениях
			
		
	 Репутация: 12 |  Re: Pioneer DEX-P9, как транспорт может быть не хуже ODR 
			
			эта тема заставила меня перечитать "скандал" на блюзе про отличия Р9 от европейского D7R
		 | 
|   |     | 
|  06.03.2012, 10:29 | #5 | 
| Старейшина Регистрация: 12.03.2007 Адрес: Киев Возраст: 57 
					Сообщений: 1,367
				 Вы сказали Спасибо: 18 
		
			
				Поблагодарили 212 раз(а) в 111 сообщениях
			
		
	 Репутация: 347 |  Re: Pioneer DEX-P9, как транспорт может быть не хуже ODR  Так что  ОДР играет лучше П9 только за счет комплектухи, но в любом случае хуже обычного ЮСБ плеера. Исходя из схемотехники единственный нормальный транспорт у Пионера - это древний Д2. ЗЫ в самый раз поменять заголовок на "может играть лучше, чем ОДР". | 
|   |     | 
|  11.03.2012, 02:00 | #6 | 
| Старейшина Регистрация: 12.03.2007 Адрес: Киев Возраст: 57 
					Сообщений: 1,367
				 Вы сказали Спасибо: 18 
		
			
				Поблагодарили 212 раз(а) в 111 сообщениях
			
		
	 Репутация: 347 |  Re: Pioneer DEX-P9, как транспорт может быть не хуже ODR 
			
			Вобщем - дело было вечером(с)   Красными линиями показан исходный путь сигнала (по Пионеровски) Зелеными линиями "исправленный" сигнал. Синяя линия показывает как подключается радио. Последний раз редактировалось Arrt; 11.03.2012 в 12:11. Причина: поправил картинку | 
|   |     | 
|  18.03.2012, 09:12 | #7 | 
| Ушел в мир иной от нас... Регистрация: 24.08.2008 Адрес: Донецк 
					Сообщений: 2,224
				 Вы сказали Спасибо: 208 
		
			
				Поблагодарили 223 раз(а) в 114 сообщениях
			
		
	 Репутация: 364 |  Re: Pioneer DEX-P9, как транспорт может быть не хуже ODR А есть шанс при этом сохранить работу с внешними устройствами по IP-Bus ? Уже лежит на столе P9R , но у меня еще UB100 и Ченжер. Или придется без них ? Добавлено через 1 минуту А где прочитать про замену мастерклока ? У меня есть донор в виде касетника ODR K1X. Там вроде комплектуха хорошая. Осталось только почитать - как перевнедрить. Последний раз редактировалось igorvolikov; 18.03.2012 в 09:14. Причина: Добавлено сообщение | 
|   |     | 
|  19.03.2012, 23:01 | #8 | 
| Старейшина Регистрация: 12.03.2007 Адрес: Киев Возраст: 57 
					Сообщений: 1,367
				 Вы сказали Спасибо: 18 
		
			
				Поблагодарили 212 раз(а) в 111 сообщениях
			
		
	 Репутация: 347 |  Re: Pioneer DEX-P9, как транспорт может быть не хуже ODR | 
|   |     | 
|  | 
| Здесь присутствуют: 1 (пользователей: 0 , гостей: 1) | |
| 
 | 
 | 
|  Похожие темы | ||||
| Тема | Автор | Раздел | Ответов | Последнее сообщение | 
| Что может быть с усилком? | муравей | Бюджетный автозвук и песочница. | 10 | 30.12.2011 14:46 | 
| емма-украина: быть или не быть, вот в чем вопрос. | vvv | EMMA | 120 | 28.10.2011 23:19 | 
| в чем может быть проблема? | зубек | Бюджетный автозвук и песочница. | 4 | 22.09.2011 20:18 | 
| из за чего у меня наводка может быть??? | RUSLAN | Практика по SQ | 24 | 18.09.2011 14:53 | 
| Почему "хай фидилити" таким быть не может по опред | Sergey12S | Избранное - азы автозвука | 7 | 30.03.2009 01:36 |