Всё об автозвуке

Вернуться   Всё об автозвуке > Новичкам > Бюджетный автозвук и песочница.

Важная информация

Бюджетный автозвук и песочница. Раздел для новичков и тех, кто хочет пострроить простенькую аудиосистему с минимальными затратами.

Ответ
 
Опции темы Опции просмотра
Старый 16.05.2011, 11:45   #21
K.O.S.
Старейшина
 
Аватар для K.O.S.
 
Регистрация: 22.10.2010
Адрес: Васильевка (Запорожская обл.)
Возраст: 35
Сообщений: 4,174
Вы сказали Спасибо: 323
Поблагодарили 233 раз(а) в 189 сообщениях
Репутация: 919
Отправить сообщение для K.O.S. с помощью ICQ Отправить сообщение для K.O.S. с помощью Skype™
По умолчанию Re: поканалка - как сделать?

Цитата
Сообщение от ttl Посмотреть сообщение
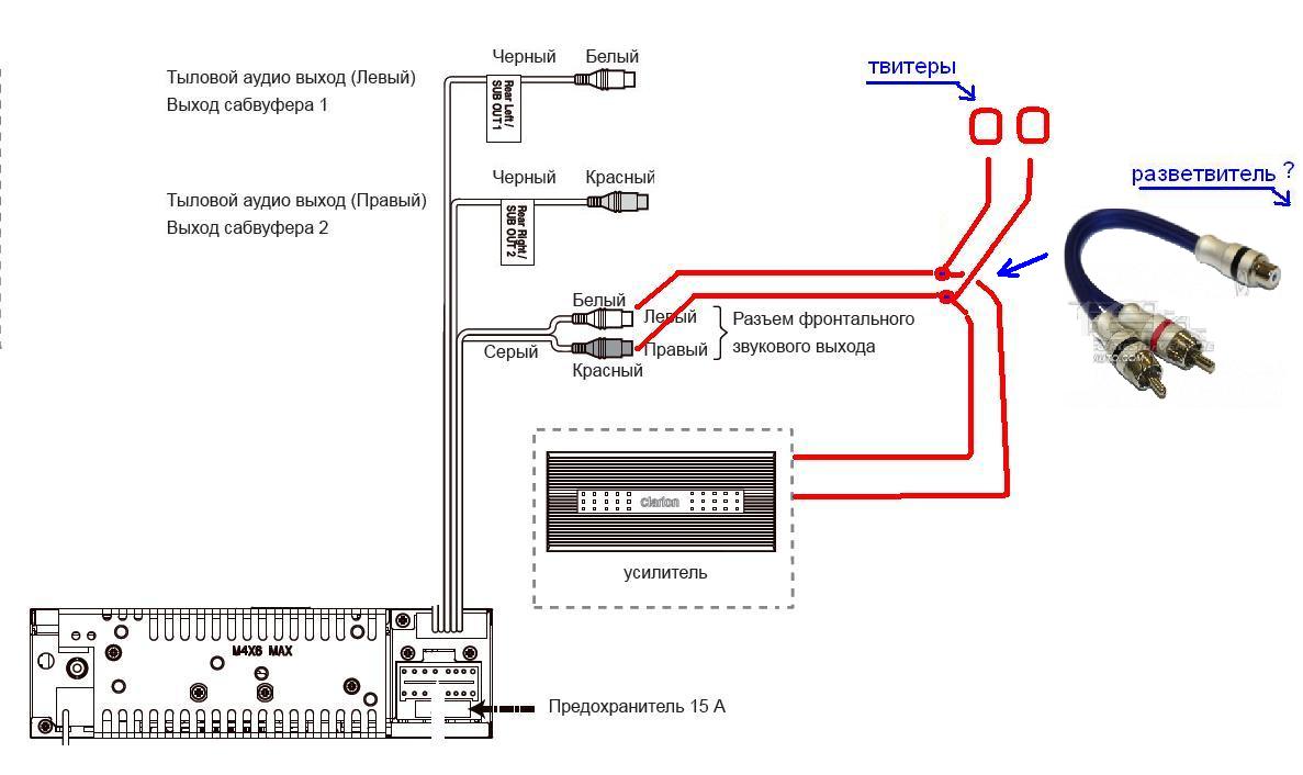
буду на миды от основных выходов магнитолы сигнал подавать, и на пищи. т.е. простой разветвитель нужен если я правильно понял
если в ********е нету 3 пар линейных выходов, то обращаешься к специалисту и он тебе их "сделает". Иначе хуже будет.
K.O.S. вне форума   Ответить с цитированием Вверх
Старый 16.05.2011, 12:42   #22
Meridian
 
Аватар для Meridian
 
Регистрация: 19.01.2010
Адрес: Donetsk
Возраст: 44
Сообщений: 590
Вы сказали Спасибо: 30
Поблагодарили 11 раз(а) в 9 сообщениях
Репутация: 84
По умолчанию Re: поканалка - как сделать?

А как по мне, то лучше поменять ГУ на что-то процессорное или хотя бы с уже выведенными линейками. Начиная от Сони 700, 800 и до Пионера 88-го. Сразу уйдет куча проблем и вопросов, а цена замены вполне сопоставима с остальными компонентами, т.е. оправдана.
Meridian вне форума   Ответить с цитированием Вверх
Старый 16.05.2011, 16:51   #23
ttl
 
Аватар для ttl
 
Регистрация: 24.12.2010
Адрес: Киев
Возраст: 50
Сообщений: 48
Вы сказали Спасибо: 11
Поблагодарили 0 раз(а) в 0 сообщениях
Репутация: 6
По умолчанию Re: поканалка - как сделать?

Цитата
Сообщение от Slavikus Посмотреть сообщение
Где-то в мурзилке читал, что у альпа, правда не помню какая модель, сабовый выход - широкополосный.
у меня не альп, у меня кларион. было бы конечно неплохо если б у CZ200 сабовый выход был широкополосный. а как это узнать? и можно былоб его разве использовать на твитера?

Добавлено через 1 минуту
Цитата:
Сообщение от Fedosoff Посмотреть сообщение
я думаю начать нужно с замены ГУ на то, которое позволит рулить поканалку.
сие невозможно. ГУ имплантировано в торпеду вместо штатной музыки (субару аутбек)

Добавлено через 7 минут
Цитата:
Сообщение от muztank Посмотреть сообщение
Поканалка в данном случае может помочь выставить уровень громкости твиттеров,относительно мидбаса
понял, спасибо.

а как себя поведут твитера и мидбасы, когда я на них буду подавать диапазон частот значительно шире чем их рабочие частоты? я ж фильтрами все ненужное полностью не отсеку все равно. или это наоборот улучшит звуковую картину?

Добавлено через 8 минут
Цитата
Сообщение от kostyaizznu Посмотреть сообщение
если в ********е нету 3 пар линейных выходов, то обращаешься к специалисту и он тебе их "сделает". Иначе хуже будет.
например к кому?

Последний раз редактировалось ttl; 16.05.2011 в 16:59. Причина: Добавлено сообщение
ttl вне форума   Ответить с цитированием Вверх
Старый 16.05.2011, 17:27   #24
MakcSnickers
 
Аватар для MakcSnickers
 
Регистрация: 27.10.2010
Адрес: г.Славута, Хмельницкая. обл.
Возраст: 36
Сообщений: 285
Вы сказали Спасибо: 9
Поблагодарили 4 раз(а) в 2 сообщениях
Репутация: 34
По умолчанию Re: поканалка - как сделать?

Цитата:
Сообщение от Fedosoff Посмотреть сообщение
я думаю начать нужно с замены ГУ на то, которое позволит рулить поканалку. какой смысл курочить усилители, это все временная мера. думаю замена компонентов будет, и не одна.
имхо
+1 не вижу смысла что-то строить так.........

Добавлено через 48 секунд
Цитата:
Сообщение от Fedosoff Посмотреть сообщение
пысыЖ с автозвука еще никто просто так не уходил
Ето всех так цепляет, значит не один я больной

Последний раз редактировалось MakcSnickers; 16.05.2011 в 17:28. Причина: Добавлено сообщение
MakcSnickers вне форума   Ответить с цитированием Вверх
Старый 16.05.2011, 23:01   #25
muztank
Ушел в мир иной от нас...
 
Аватар для muztank
 
Регистрация: 02.02.2009
Адрес: Kiev
Возраст: 57
Сообщений: 1,111
Вы сказали Спасибо: 5
Поблагодарили 317 раз(а) в 196 сообщениях
Репутация: 359
По умолчанию Re: поканалка - как сделать?

Чтайте внимательнее:пассивные кроссы...И абсолютно фиолетово:рулит поканалку голова или нет,аналогично и усилители...
muztank вне форума   Ответить с цитированием Вверх
Старый 17.05.2011, 11:37   #26
Славикус
Регистрация не подтверждена по почте
 
Аватар для Славикус
 
Регистрация: 11.08.2010
Адрес: n/a
Сообщений: 600
Вы сказали Спасибо: 8
Поблагодарили 11 раз(а) в 11 сообщениях
Репутация: 69
По умолчанию Re: поканалка - как сделать?

Цитата
Сообщение от ttl Посмотреть сообщение
у меня не альп, у меня кларион. было бы конечно неплохо если б у CZ200 сабовый выход был широкополосный. а как это узнать? и можно былоб его разве использовать на твитера?
кинь на линейки усь в полную полосу, прицепи на него какой нибудь широкополосный динамик (например, овал 6х9) и всё услышишь. Делов-то

Цитата:
Сообщение от muztank Посмотреть сообщение
Чтайте внимательнее:пассивные кроссы...И абсолютно фиолетово:рулит поканалку голова или нет,аналогично и усилители...
Золотые слова!
Славикус вне форума   Ответить с цитированием Вверх
Старый 17.05.2011, 12:42   #27
K.O.S.
Старейшина
 
Аватар для K.O.S.
 
Регистрация: 22.10.2010
Адрес: Васильевка (Запорожская обл.)
Возраст: 35
Сообщений: 4,174
Вы сказали Спасибо: 323
Поблагодарили 233 раз(а) в 189 сообщениях
Репутация: 919
Отправить сообщение для K.O.S. с помощью ICQ Отправить сообщение для K.O.S. с помощью Skype™
По умолчанию Re: поканалка - как сделать?

Цитата
Сообщение от ttl Посмотреть сообщение
например к кому?
muztank близко, а там сам ищи к кому... по месту.
K.O.S. вне форума   Ответить с цитированием Вверх
Старый 21.05.2011, 20:18   #28
ttl
 
Аватар для ttl
 
Регистрация: 24.12.2010
Адрес: Киев
Возраст: 50
Сообщений: 48
Вы сказали Спасибо: 11
Поблагодарили 0 раз(а) в 0 сообщениях
Репутация: 6
По умолчанию Re: поканалка - как сделать?

видел на автозвуке активные кроссоверы, которыми можно очень удобно регулировать четыре параметра:
- уровень твитеров и
- уровень мидбасов, а также
- рабочие частоты твитеров и
- рабочие частоты мидбасов

подскажите чем лучше или хуже такой метод в отличие от поканалки?

мне такой активный кроссовер удобнее, т.к. все хозяйство займет меньше места
ttl вне форума   Ответить с цитированием Вверх
Старый 21.05.2011, 21:18   #29
Вячеслав Меркулов
Старейшина
 
Аватар для Вячеслав Меркулов
 
Регистрация: 04.03.2010
Адрес: г. Озёрск Челябинской обл.
Возраст: 67
Сообщений: 645
Вы сказали Спасибо: 40
Поблагодарили 103 раз(а) в 79 сообщениях
Репутация: 83
По умолчанию Re: поканалка - как сделать?

Цитата
Сообщение от ttl Посмотреть сообщение
видел на автозвуке активные кроссоверы, которыми можно очень удобно регулировать четыре параметра:
- уровень твитеров и
- уровень мидбасов, а также
- рабочие частоты твитеров и
- рабочие частоты мидбасов

подскажите чем лучше или хуже такой метод в отличие от поканалки?

мне такой активный кроссовер удобнее, т.к. все хозяйство займет меньше места
Если строить систему по критерию "все хозяйство займет меньше места", то можно со звуком, мягко говоря, пролететь...
Построение системы - это комплексное и компромисное решение, где-то теряешь, где-то находишь...
Например, поканалка на процессорном ГУ даёт исключительные возможности настройки...
Деление и согласование частот при помощи пассивного (пусть даже "развитого" кроссовера) не даст такой свободы действий... Кроме того, нужен хороший ШИРОКОПОЛОСНЫЙ (не дешёвый) усилитель...
я не говорю о процессорных временных задержках, без которых "отрегулировать" звуковое поле, я считаю нереальным... (в ближайшее десятилетие... а дальше как попрёт...)
Почему обращаются к процессорной поканалке?
Потому, что результат "не за горами"...
Из любого набора компонентов можно "вытянуть" максимум...
Если не самому, то при помощи опытного настройщика...
Вячеслав Меркулов вне форума   Ответить с цитированием Вверх
Старый 21.05.2011, 22:04   #30
alfa25
 
Аватар для alfa25
 
Регистрация: 11.03.2011
Адрес: Kotsubinskoe
Возраст: 54
Сообщений: 299
Вы сказали Спасибо: 19
Поблагодарили 26 раз(а) в 14 сообщениях
Репутация: 65
Smile Re: поканалка - как сделать?

+100 по поводу настройщика
alfa25 вне форума   Ответить с цитированием Вверх
Старый 21.05.2011, 22:12   #31
ttl
 
Аватар для ttl
 
Регистрация: 24.12.2010
Адрес: Киев
Возраст: 50
Сообщений: 48
Вы сказали Спасибо: 11
Поблагодарили 0 раз(а) в 0 сообщениях
Репутация: 6
По умолчанию Re: поканалка - как сделать?

спс Вячеслав, звук с моими компонентами меня устраивает на 60-70% (пока). Но:

первое, чего хочется улучшить - это cнизить мощность твитеров. давят на уши.
второе, чего хочется улучшить - это добавить средних частот в звук. их не хватает.

- менять ГУ не получится.
- нет понимания как отрегулировать частоты усилителями как надо (ну нет у усилка такой настройки, чтоб выдавал только от 5000Гц. на твитер например)

поэтому все таки подумываю о том, чтоб использовать активный кроссовер для решения вышеописанных двух задач. даже не чтоб место съэкономить, а потому, что мне хоть ясно как с активным кроссом добиться цели. а с поканалкой и двумя усилками - нет.

просто подскажите мне не будет ли приобретние такого активного кросса вселенской глупостью.
ttl вне форума   Ответить с цитированием Вверх
Старый 22.05.2011, 09:00   #32
ФАНТОР
Старейшина
 
Аватар для ФАНТОР
 
Регистрация: 06.09.2009
Адрес: Запорожье
Возраст: 58
Сообщений: 1,163
Вы сказали Спасибо: 82
Поблагодарили 119 раз(а) в 98 сообщениях
Репутация: 177
По умолчанию Re: поканалка - как сделать?

Если ГУ упорно менять не предвидится и фильтры имеющегося ГУ и усилителей с задачей не справляются,а желание хоть что-то улучшить присутствует,то да-можно приобрести активный кросс,тем более имеете представление что с ним делать.Если ГУ в будущем пойдет на замену,то подыщете процевую голову со всем хозяйством на борту и все дела.
ФАНТОР вне форума   Ответить с цитированием Вверх
Старый 22.05.2011, 16:38   #33
morfey
 
Аватар для morfey
 
Регистрация: 06.12.2009
Адрес: Киев
Возраст: 55
Сообщений: 296
Вы сказали Спасибо: 118
Поблагодарили 25 раз(а) в 21 сообщениях
Репутация: 39
По умолчанию Re: поканалка - как сделать?

попробуйте еще такой вариант: пищь от ГУ мид от усилка - таким образом можно дать больше громкости на мид и немного подравнять таналку. А вообще ДЛС Р6 серединку не особо отыгрывает. конечно это не поканалка но может этого будет достаточно на первый случай

Последний раз редактировалось morfey; 22.05.2011 в 16:44. Причина: Добавлено сообщение
morfey вне форума   Ответить с цитированием Вверх
Старый 22.05.2011, 17:05   #34
newatech
 
Аватар для newatech
 
Регистрация: 01.01.2011
Адрес: Симферополь
Возраст: 46
Сообщений: 629
Вы сказали Спасибо: 24
Поблагодарили 44 раз(а) в 28 сообщениях
Репутация: 130
По умолчанию Re: поканалка - как сделать?

ttl, если на Аутбеке то же ГУ, что и на Легаси, то ничего хорошего не выйдет.
Верха будут либо резкими либо на других твитерах глухими (из личного опыта).
Выход, в моем случае, был сабовым, а саб активным под правым сиденьем.
Имеет смысл менять ГУ, или ставить дублем.
http://www.drive2.ru/cars/subaru/leg...6863888448882/

И еще на avtozvuk.if.ua продавали доработанную с пионером как здесь http://www.subarulegacy.ru/forum/ind...howtopic=19395

и еще http://www.avtozvuk.com/az/2006/06/116-120.html

Последний раз редактировалось newatech; 22.05.2011 в 17:30.
newatech вне форума   Ответить с цитированием Вверх
Старый 22.05.2011, 20:24   #35
Вячеслав Меркулов
Старейшина
 
Аватар для Вячеслав Меркулов
 
Регистрация: 04.03.2010
Адрес: г. Озёрск Челябинской обл.
Возраст: 67
Сообщений: 645
Вы сказали Спасибо: 40
Поблагодарили 103 раз(а) в 79 сообщениях
Репутация: 83
По умолчанию Re: поканалка - как сделать?

Цитата
Сообщение от ttl Посмотреть сообщение
спс Вячеслав, звук с моими компонентами меня устраивает на 60-70% (пока). Но:

первое, чего хочется улучшить - это cнизить мощность твитеров. давят на уши.
второе, чего хочется улучшить - это добавить средних частот в звук. их не хватает.
...
просто подскажите мне не будет ли приобретние такого активного кросса вселенской глупостью.
Хорошее предложение, на мой взгляд, было от morfey...
Я тоже так делал по-молодости... Как-никак получается поканалка... Причём с минимальными затратами...
Надо только кросс "развести"...
Или оставить его только на твитеры, а мидбасы резать кроссом усилителя...
...
Приобретние "развитого" активного кросса, конечно, не будет вселенской глупостью...
Если средства позволяют, то можно и с ним попробовать...
Вячеслав Меркулов вне форума   Ответить с цитированием Вверх
Старый 22.05.2011, 22:03   #36
ttl
 
Аватар для ttl
 
Регистрация: 24.12.2010
Адрес: Киев
Возраст: 50
Сообщений: 48
Вы сказали Спасибо: 11
Поблагодарили 0 раз(а) в 0 сообщениях
Репутация: 6
По умолчанию Re: поканалка - как сделать?

Цитата:
Сообщение от newatech Посмотреть сообщение
ttl, если на Аутбеке то же ГУ, что и на Легаси, то ничего хорошего не выйдет.
чур меня чур!, у меня не штатная магнитола, у мну clarion CZ200)

Добавлено через 9 минут
Цитата:
Сообщение от morfey Посмотреть сообщение
попробуйте еще такой вариант: пищь от ГУ мид от усилка - таким образом можно дать больше громкости на мид и немного подравнять таналку.
да, не думал о таком варианте. но встает опять вопрос о разветвителе сигнала от магнитолы. как он будет "выглядеть"?? и ставиться будет этот "тройник" сразу на выходе из магнитолы, правильно? а потом разветвлять широкополосный сигнал на твитеры и на усилок+миды.

а как твитеры поведут себя с такой "непережеванной пищей" в виде широкополосного сигнала? будет кака?

Последний раз редактировалось ttl; 22.05.2011 в 22:14. Причина: Добавлено сообщение
ttl вне форума   Ответить с цитированием Вверх
Старый 23.05.2011, 13:32   #37
morfey
 
Аватар для morfey
 
Регистрация: 06.12.2009
Адрес: Киев
Возраст: 55
Сообщений: 296
Вы сказали Спасибо: 118
Поблагодарили 25 раз(а) в 21 сообщениях
Репутация: 39
По умолчанию Re: поканалка - как сделать?

Разветвитель в данном случаи не нужен. Пищь вешаем на фронтальные каналы ГУ через пасивный кросс (можно сделать самому- покупаеш кандер на 6-4.7 фарада впаиваем кандер в например плюсовой провод каторый идет с ГУ на пищь) и сразу имеем возможность регулировать уровень ВЧ с ГУ. Дальше берем ленейные выходы с ГУ на усилок миды подключаем от усилка без всяких кроссов пусть играет в полную полосу частот если мид будет попердывать можно подрезать снизу фильтром усилка главное мид не подрезать с верху таким простым способом можно добится хоть какогото согласования по громкости мида и высокочастотника. Если пищь всеравно будет черезчур громок можно еще ограничить сигнал каторый на него подается впайкой обычной лампочкой от подсветки номерного знака об этом подробно не раскажу потаму- как сам это не делал но теория существует думаю сдесь на форуме люди подскажут как именно это реализовать. Удачи
morfey вне форума   Ответить с цитированием Вверх
Старый 23.05.2011, 18:26   #38
Вячеслав Меркулов
Старейшина
 
Аватар для Вячеслав Меркулов
 
Регистрация: 04.03.2010
Адрес: г. Озёрск Челябинской обл.
Возраст: 67
Сообщений: 645
Вы сказали Спасибо: 40
Поблагодарили 103 раз(а) в 79 сообщениях
Репутация: 83
По умолчанию Re: поканалка - как сделать?

Цитата:
Сообщение от morfey Посмотреть сообщение
...
Если пищь всеравно будет черезчур громок можно еще ограничить сигнал каторый на него подается впайкой обычной лампочкой от подсветки номерного знака об этом подробно не раскажу потаму- как сам это не делал но теория существует думаю сдесь на форуме люди подскажут как именно это реализовать.
Лампочка в цепи твитера спасёт его (твитер) от перегруза... и одновременно отфильтрует всю красоту и очарование ВЧ...
По крайней мере я пришёл к таким выводам после экспериментов с лампочкой...
Вячеслав Меркулов вне форума   Ответить с цитированием Вверх
Старый 23.05.2011, 19:32   #39
Cobox
Штырлиц
 
Аватар для Cobox
 
Регистрация: 09.04.2007
Адрес: Ирпень
Сообщений: 4,912
Вы сказали Спасибо: 136
Поблагодарили 355 раз(а) в 191 сообщениях
Репутация: 673
По умолчанию Re: поканалка - как сделать?

Цитата:
Сообщение от Вячеслав Меркулов Посмотреть сообщение
Лампочка в цепи твитера спасёт его (твитер) от перегруза... и одновременно отфильтрует всю красоту и очарование ВЧ...
По крайней мере я пришёл к таким выводам после экспериментов с лампочкой...
Это справедливо будет для хороших ВЧ, а вот если ВЧ говно и играет также, то тут лампочка в цепи ВЧ, как раз спасет от того потока говна, которое будет извергать говняный ВЧ... Ну где-то так
Cobox вне форума   Ответить с цитированием Вверх
Старый 23.05.2011, 19:40   #40
Вячеслав Меркулов
Старейшина
 
Аватар для Вячеслав Меркулов
 
Регистрация: 04.03.2010
Адрес: г. Озёрск Челябинской обл.
Возраст: 67
Сообщений: 645
Вы сказали Спасибо: 40
Поблагодарили 103 раз(а) в 79 сообщениях
Репутация: 83
По умолчанию Re: поканалка - как сделать?

Цитата:
Сообщение от Cobox Посмотреть сообщение
Это справедливо будет для хороших ВЧ, а вот если ВЧ говно и играет также, то тут лампочка в цепи ВЧ, как раз спасет от того потока говна, которое будет извергать говняный ВЧ... Ну где-то так
Ну вот...
Сформулирован критерий выбраковки твитеров...
Вячеслав Меркулов вне форума   Ответить с цитированием Вверх
Ответ


Здесь присутствуют: 1 (пользователей: 0 , гостей: 1)
 
Опции темы
Опции просмотра

Ваши права в разделе
Вы не можете создавать новые темы
Вы не можете отвечать в темах
Вы не можете прикреплять вложения
Вы не можете редактировать свои сообщения

BB коды Вкл.
Смайлы Вкл.
[IMG] код Вкл.
HTML код Выкл.

Быстрый переход

Похожие темы
Тема Автор Раздел Ответов Последнее сообщение
Поканалка.стоит ли...? LIV90 Бюджетный автозвук и песочница. 35 27.12.2013 22:50
Поканалка от гу ryab4ik Бюджетный автозвук и песочница. 28 25.02.2012 00:57
Поканалка alesoff Бюджетный автозвук и песочница. 8 15.10.2011 16:08
поканалка с alpine pxa-h701 как сделать mualse Бюджетный автозвук и песочница. 19 14.10.2011 10:08
Поканалка Володимир Бюджетный автозвук и песочница. 22 23.01.2009 20:48


Текущее время: 04:57. Часовой пояс GMT +2.


Перевод: zCarot
autozvuk.org ©