Всё об автозвуке

Вернуться   Всё об автозвуке > Высшая лига Sound Pressure Level (мощный и громкий бас) > Теория и точка зрения по SPL
Регистрация Новые сообщения Правила форума Справка Сообщество Календарь Поиск

Важная информация

Теория и точка зрения по SPL Беседы об величине порохового заряда в сабе.

Ответ
 
Опции темы Опции просмотра
Старый 28.03.2011, 15:10   #21
Куряка
Старейшина
 
Аватар для Куряка
 
Регистрация: 30.03.2009
Адрес: Днепропетровск
Возраст: 62
Сообщений: 2,269
Вы сказали Спасибо: 157
Поблагодарили 213 раз(а) в 103 сообщениях
Репутация: 339
По умолчанию Re: Расчет сабвуфера программой jbl speakershop

Цитата
Сообщение от corp Посмотреть сообщение
шо-то не понял . видно читал долго....
Ладно, для нетерпеливых вкратце изложу цель моего неоконченного опуса. Хотел это сделать мягко и постепенно, но предётся сделать это в лоб - вынужден разочаровать Omel и других, кто делает выводы о работоспособности и музыкальности сабов только на основании анализа прогнозируемой АЧХ. И проектирования ящичков по рекомендации программы СпикерШоп. Сам в своё время с этим столкнулся. "АЧХ по расчётом красивое , бас теоретически глубокий, а практически его или нет, или он не красивый".
" Расчёт показывает одни параметры конструктива акустического оформления , а в реальной жизни звучит лучше при другом дизайне." После проектирования и изготовления многих десятков ящичков, понял, что корелляция между смоделированным JBL SpeakerShop дизайном и полученным звуком , после реализации этого дизайна в железе( дереве), есть. Нужно только правильно анализировать выдаваемые СшикерШопом графики. И выводы о предпологаемом звуке на основе анализа только АЧХ ,при 1Вт подводимой к динамику мощности, далёки от реально получаемых результатах. Потому и хочу поделится своим опытом по схеме:
1.Померял динамик;
2.Промоделировал акустическое оформление СпикерШопом;
3.Сделал этот дизайн на основании модели;
4.Послушал ;
5. Соизмерил услышанное и графики СпикерШопа.
6. Понял, что ожидал ослышать один звук, а получился другой;
7. Дальше два варианта: или СпеакерШоп врёт, или я - дурак;
8. Делаем второй , третий и т.д. ящички уже для других динамиков и снова сравниваем субьективные ощущения и графики.
9. Понимаешь, что СпикерШоп полезная в практических применениях программа, и 10-тый ящичек собираешь по СпикерШопу и уже можно не слушать - будет играть так, как ты представил себе в мозгу, анализируя графики.

А что анализировать и как - об этом и пытаюсь писать в художественной форме.

Добавлено через 16 минут
Цитата:
Сообщение от omel Посмотреть сообщение
т

Давайте теперь попробуем разобраться что означают эти графики : красный и жёлтый.

Красный график показывает нам АЧХ сабвуфера с типом фазоинверторного ящика объемом в 145 литров

Из графика мы видим , что в диапазоне частот от 15 до 90 Гц АЧХ плавно «возрастает» на 12 дБ . Это говорит о том, что сабвуфер будет иметь большую отдачу именно на самых низких частотах. А с 5 Гц до 15 Гц у него идет очень резкий спад На этих частотах сабвуфер не будет играть но нам оно в принципе и не надо т.к это те волны которые обычно отрезает сабсоник усилителя т.к они практически не слышны.

После анализа графика можно сделать вывод о том, что такое оформление сабвуферного корпуса хорош для следующих жанров: электронная музыка (d.n.b, транс, хаус), рэп. Вобщем для тех жанров, где необходим очень глубокий и мощный бас.

Желтый график показывает нам то что АЧХ такого типа оформления практически идеальна. Она практически во всем диапазоне линейна. Только с 40 Гц начинается небольшой подъем (на 5дБ), который линейно продолжается до самого нижнего диапазона частот. Это говорит нам о том, что данное оформление практически универсально. Такой тип сабвуфера «сыграет» любой жанр. Большинство людей будет довольно услышанным результатом «игры» такого сабвуфера.
Живой пример неверных выводов.

Добавлено через 19 минут
Цитата:
Сообщение от omel Посмотреть сообщение

Давайте рассмотрим это на примере ящика с оформлением типа Closed Box (Закрытый ящик) . Нажимаем на кнопку Custom в разделе Closed Box и видим такой интерфейс:
изображение
Вводим параметр Vc (объём закрытого ящика) например 25, параметр Qtc рассчитается автоматически. Нажимаем кнопку применить (Accept) и получаем результат:
изображение
Программа заполнила необходимые данные в разделе Custom. Теперь нажимаем на кнопку Plot чтобы построить график и сравнить его с теми результатами которые программа нам выдала изначально. График будет выглядеть вот так:
изображение
Анализируя график мы видим что АЧХ нашего сабвуфера «спустился» вниз на 7 дБ, но при это остался практически линейным. Это говорит нам о том, что если мы уменьшим объем сабвуферного ящика сохранится линейность игры сабвуфера, но потеряем уровень звукового давления на частотах от 50 Гц и ниже. Т.к уровень давления упал практически на половину то придётся чтобы достичь результатов которые были при объёме в 145 литров увеличить мощность сабвуфера в 2 раза, если ваш усилитель имеет запас мощности то этот вариант нам подойдёт. Если же нет то нужно будет экспериментировать с объемом короба до достижения наилучших результатов.
и ещё один неправильный вывод.

Последний раз редактировалось Куряка; 28.03.2011 в 15:29. Причина: Добавлено сообщение
Куряка вне форума   Ответить с цитированием Вверх
Старый 29.03.2011, 13:43   #22
N 16
 
Аватар для N 16
 
Регистрация: 11.03.2009
Адрес: Киев
Сообщений: 299
Вы сказали Спасибо: 12
Поблагодарили 9 раз(а) в 7 сообщениях
Репутация: 35
По умолчанию Re: Расчет сабвуфера программой jbl speakershop

Цитата:
Сообщение от Куряка Посмотреть сообщение
Ладно, для нетерпеливых вкратце ....
8. Делаем второй , третий и т.д.... ящички уже для других динамиков и снова сравниваем субьективные ощущения и графики.
Супер..., для продавцов динамиков и фанеры
Цитата:
Сообщение от Куряка Посмотреть сообщение
9. Понимаешь, что СпикерШоп бесполезная в практических применениях программа, и 10-тый ящичек собираешь без СпикерШопу.

Игорь Петрович, извини,несмог промолчать.
N 16 вне форума   Ответить с цитированием Вверх
Старый 29.03.2011, 14:59   #23
corp
 
Аватар для corp
 
Регистрация: 21.04.2009
Адрес: Донецк
Возраст: 56
Сообщений: 517
Вы сказали Спасибо: 19
Поблагодарили 7 раз(а) в 7 сообщениях
Репутация: 50
Отправить сообщение для corp с помощью ICQ
По умолчанию Re: Расчет сабвуфера программой jbl speakershop

Цитата:
Сообщение от Рост ® Посмотреть сообщение
А от що таке оптимальний для ФІ?
2Пи2Си. Це я просто за слово "оптимальне" зачіпився, бо воно звучало дуже вагомо, але насправді нічого не означало в контексті допису, відповідати не потрібно
чё-то я теперь ващще не понял ничего....
оптимальный для Фи - это оптимальный для показа Вашему человеку.
corp вне форума   Ответить с цитированием Вверх
Старый 30.03.2011, 15:45   #24
Куряка
Старейшина
 
Аватар для Куряка
 
Регистрация: 30.03.2009
Адрес: Днепропетровск
Возраст: 62
Сообщений: 2,269
Вы сказали Спасибо: 157
Поблагодарили 213 раз(а) в 103 сообщениях
Репутация: 339
По умолчанию Re: Расчет сабвуфера программой jbl speakershop

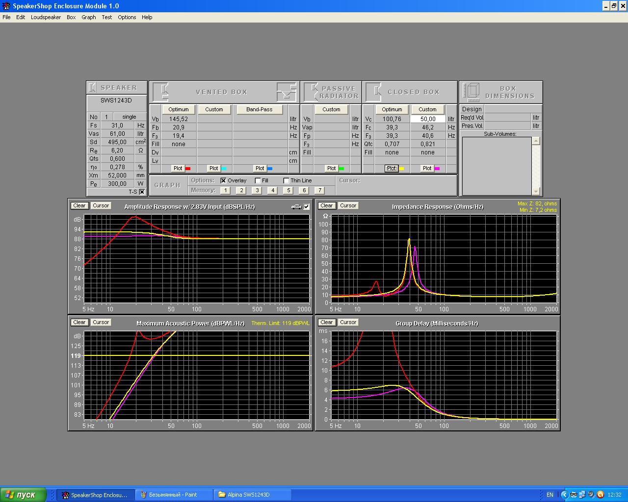
Промоделируем ещё раз головку саба предложенную Омел, т.е Алпина 1243Д.
Миниатюры
Нажмите на изображение для увеличения
Название: 1.JPG
Просмотров: 5214
Размер:	209.9 Кб
ID:	7649  
Куряка вне форума   Ответить с цитированием Вверх
Старый 30.03.2011, 16:08   #25
Куряка
Старейшина
 
Аватар для Куряка
 
Регистрация: 30.03.2009
Адрес: Днепропетровск
Возраст: 62
Сообщений: 2,269
Вы сказали Спасибо: 157
Поблагодарили 213 раз(а) в 103 сообщениях
Репутация: 339
По умолчанию Re: Расчет сабвуфера программой jbl speakershop

Что мы видим?. Если смотреть только на график АЧХ ( верхний левый график) то можно интерпретировать его как и описывал Омел: " АЧХ закрытого ящика идеально забирается глубоко вглубь.... подойдёт для всех музыкальных жанров... ФИ создаёт высокое звуковое давление на инфранизах.. горб ... ЗЯ для музыки, ФИ для давления...и бла.. бла..бла.." Ну в общем , слова и анализ те же , как и в небезизвестном журнале "Автозвук". П.С. ЗЯ- жёлтая линия, ФИ- красная линия, ЗЯ с высокой добротностью (0.83) - фиолетовая линия ( ЗЯ неоптимального обьёма 50 литров).
Но давайте посмотрим на другие графики, в частности график " макс. акустическая мощность". И по этому графику мы увидим, что Сверху макс давление ограничивает горизонтальная линия на уровне 119 Дб - это линия ограничения зкукового давления обусловленная термпературным разрушением катушки. Эту линию пересекают кривые , показывающие ограничение мощности излучения из-за ограничения хода диффузора. Зоны левее и выше этих кривых и выше термальной горизонтальной это запретные зоны работы динамика. Динамик или задымится ( если зона работы выше горизонтальной 119 Дб) , или начнёт биться катушкой об керн магнитопровода, если левее кривых но ниже 119 Дб. А если выше 119 Дб и левее кривых , то вначале постучит катушкой а потом задымится.

Последний раз редактировалось Куряка; 30.03.2011 в 16:57.
Куряка вне форума   Ответить с цитированием Вверх
Старый 30.03.2011, 16:12   #26
Куряка
Старейшина
 
Аватар для Куряка
 
Регистрация: 30.03.2009
Адрес: Днепропетровск
Возраст: 62
Сообщений: 2,269
Вы сказали Спасибо: 157
Поблагодарили 213 раз(а) в 103 сообщениях
Репутация: 339
По умолчанию Re: Расчет сабвуфера программой jbl speakershop

Для наглядности добалю следующую картинку- те-же графики, но только безопасные области работы динамика залиты краской соответствующего цвета. Снова смотрим на график "макс. акуст. мощность". Для ЗЯ зона безопасных акустический давлений обозначена жёлтым полем. Если мы попытаемся на 20 Гц подать на динамик такую мощность, чтобы получить хотя бы 110 Дб на это й частоте( точка пересечения вертикали 20Гц и горизонтали 110 Дб) наш динамик громко хлопнет и катушка выскочит из зазора.
Что можно получить по звуку от этого динамика в ЗЯ ? См. Следующую картинку. На ней я симитировал фильтр низких частот и получил АЧХ нашего Саба ( голубая область на графике). По звуку, субьективно это будет звучать примерно так: очень громкий саб с практически ровной полочкой вверху в диаппазоне 28-52( и выше) Гц с уровнем максимальным звукового давления 119 Дб. Это довольно громко для музыки и 80 % слушателей эта громкость и диапазон воспроизводимых частот воспримут вполне приемлемыми.
Если посмотреть на импенданс, то увидим, что он очень высок ( благодаря высокой механической добротности из-за жёсткого подвеса). Можно предположить, что бас будет хлёсткий, не ватный .
Временная задерка не более 5 мск во всём диапазоне частот.
Удар басбочки и щипок басгитары этот сабик не проглотит и в этом аспекте воспроизведения доставит удовольствие. Глубина баса 30 Гц не так уж и мала для большинства музыкального материала и вполне приемлема. Но есть 3-и НО:
1. В современном роке и особенно клубной музыке есть масса синтезированных звуков ниже 30 Гц , того же уровня, что и 40-50 Гц. Если их воспроизводить с той же громкостью, что и 30-40-50 Гц, то динамик пойдёт вразнос. То-есть для достижения давления по басу 119 Дб необходимо в цепь звуковоспроизведения включить сабсоник, который ркуто режит частоты ниже 30Гц.
2 . Можно попытатся заставить воспризводить динамик играть ниже - от 20 Гц. Для этого включим сабсаниник на 20Гц и понизим громкость системы . Модель см. картинка 3. Голубым обозначена новая зона безопасной работы . Сейчас саб ровненько отыграет диапазон 20 -50 ( и выше ) Гц , но макс уровень звук давления не привысит 108 Дб. И ниже 20 Гц всё равно желательно включить сабсоник, а то рано или позно сабик хлопнет. Очень знакомая картина. Во многих машиная такое встречаю - Ровненько, аккуратненько, но не громко. Для меня 108 Дб по басу мало. Негромко послушать джаз или попсу ещё не плохо. Но если хочется драйва, нужно как минимум 118-120 Дб и поглубже.
3 По идее неплохой ( на фоне других бубнелок) басс получается и с макс. 108 и 119 Дб. , но размер не гуманный. 100л для авто - занадто.
Миниатюры
Нажмите на изображение для увеличения
Название: 2.JPG
Просмотров: 5137
Размер:	175.6 Кб
ID:	7650   Нажмите на изображение для увеличения
Название: 4.JPG
Просмотров: 4962
Размер:	175.3 Кб
ID:	7651  

Нажмите на изображение для увеличения
Название: 3.JPG
Просмотров: 4934
Размер:	176.4 Кб
ID:	7652  

Последний раз редактировалось Куряка; 30.03.2011 в 16:56.
Куряка вне форума   Ответить с цитированием Вверх
Старый 30.03.2011, 16:59   #27
corp
 
Аватар для corp
 
Регистрация: 21.04.2009
Адрес: Донецк
Возраст: 56
Сообщений: 517
Вы сказали Спасибо: 19
Поблагодарили 7 раз(а) в 7 сообщениях
Репутация: 50
Отправить сообщение для corp с помощью ICQ
По умолчанию Re: Расчет сабвуфера программой jbl speakershop

Прекрасно проиллюстрировано. Спасибо!
Теперь остается правильно обмерЯть перед моделированием.
corp вне форума   Ответить с цитированием Вверх
Старый 30.03.2011, 17:13   #28
Куряка
Старейшина
 
Аватар для Куряка
 
Регистрация: 30.03.2009
Адрес: Днепропетровск
Возраст: 62
Сообщений: 2,269
Вы сказали Спасибо: 157
Поблагодарили 213 раз(а) в 103 сообщениях
Репутация: 339
По умолчанию Re: Расчет сабвуфера программой jbl speakershop

Для ЗЯ выводы таковы:
1. Если мы смирились с негуманными размерами ящика и собираемся не громко ( примерно до 100Дб) и качественно слушать музыку всех жанров , в том числе и бас , то можно не парится и ориентироваться на график АЧХ. Это вариант для ночного гаражного прослушивания своего авто. ( примерно до 80 Вт на сабе)
2. Если мы хотим слушать лубую музыку на средней громкости то нужно иметь сабсоникниже 20 Гц и пожертвовать драйвом ради качества на этой громкости.( примерно до 160 Вт на сабе)
3. Если хотим слушать громко, то опять нужно иметь сабсоник с регулировкой до 30 Гц и получим хороший, быстрый, хлёсткий бас, правда не очень глубокий. не все любители электронной музыки останутся довольны. Знакомая картина во многих машинах с сабом в ЗЯ. Не правда-ли? ( 300 Вт)
4. Предельные 30 Гц при давлении 119 Дб для ЗЯ довольно хорошо. Во многих случаях ЗЯ при высоких давлениях не могут играть так низко.
5. Вполне соотносится с тем, что я часто слышу в машинах с сабами в ЗЯ, т.е. негромко , глубоко и аккуратно. Когда наваливаешь громкость, то начинается "Сёр", как характеризует эти звуки небезизвестный Олег Скрипка. Если система позволяет играть громко, то чаще всего излишне сухо . Нет мягкости и вибраций скелета. Бас - скорее большой мидбас, чем суббас.

Последний раз редактировалось Куряка; 30.03.2011 в 17:38.
Куряка вне форума   Ответить с цитированием Вверх
Старый 31.03.2011, 19:29   #29
corp
 
Аватар для corp
 
Регистрация: 21.04.2009
Адрес: Донецк
Возраст: 56
Сообщений: 517
Вы сказали Спасибо: 19
Поблагодарили 7 раз(а) в 7 сообщениях
Репутация: 50
Отправить сообщение для corp с помощью ICQ
По умолчанию Re: Расчет сабвуфера программой jbl speakershop

и еще у меня вопрос.
Эти финальные графики уже учитывают подъем салона?
Сколько Дб добавляет салон внизу,скажем, до 40Гц?
corp вне форума   Ответить с цитированием Вверх
Старый 01.04.2011, 10:55   #30
Куряка
Старейшина
 
Аватар для Куряка
 
Регистрация: 30.03.2009
Адрес: Днепропетровск
Возраст: 62
Сообщений: 2,269
Вы сказали Спасибо: 157
Поблагодарили 213 раз(а) в 103 сообщениях
Репутация: 339
По умолчанию Re: Расчет сабвуфера программой jbl speakershop

Цитата
Сообщение от corp Посмотреть сообщение
Сколько Дб добавляет салон внизу,скажем, до 40Гц?
Я использовал стандартную ДжБиэЛовскую предустановку для описания передаточной функции салона. Смотри картинку 1 внизу. В данном случае подьём частотной характеристики начинается с 50 Гц ( на 50 Гц уже +3 Дб) и далее с крутизной 12 Дб/окт при понижении частоты. Т.е. на 25 Гц салон даёт подьём 12 Дб по отношению к 50 Гц и 15 Дб по отношению к 80-100 Гц.
Данная программа позволяет самому выставлять корректировку АЧХ через меню :<Edit><Interior Acoustics> ( смотри картинка 2). Только как её узнать?. Для этого нужно иметь:
1. акустический излучатель с идеальной во всём диаппазоне частот ( хотя бы от 20 до 100Гц) характеристикой в свободном пространстве;
2. Выставить этот излучатель в том месте салона конкретного автомобиля, где вы предпологаете ставить свой сабик. Другое положение сабика даст другую АЧХ салона.
3. Идеальный измерительный тракт.
Ни первого, ни второго ,ни третьего у меня нет. Потому пользуюсь стандартной предустановкой. В какой-то мере она ,где-то рядом, в общих чертах, даёт понимание поведения искомого ящичка в усреднённом салоне.

Можно ,конечно-же, использовать не идеальный , с точки сзрения АЧХ излучатель, а знать его неравномерность в свободном пространстве, а потом , с учётом знания этого "кривого" АЧХ вычислять АЧХ салона. Плюнуть на неточности измерительного тракта. Но я не имею возможности в НЧ диапазоне корректно , в свободном пространсве, померять эту "кривизну" эталонного излучателя. Тем более в салоне авто, за счёт реакции акустического давления на "лицо" диффузора " кривизна" АЧХ изменится и не будет такой, как в свободном пространстве. Скорее всего за эталонный излучатель нужно принимать излучатель с ЭМОС, которая жёстко "тягает" динамик, в не зависимости от окружающей обстановки. Короче, ещё тот геморой. А потому считаю, что лучше и не парится с "ловлей блох".
Миниатюры
Нажмите на изображение для увеличения
Название: 0.JPG
Просмотров: 4931
Размер:	189.0 Кб
ID:	7672   Нажмите на изображение для увеличения
Название: 00.JPG
Просмотров: 4845
Размер:	196.7 Кб
ID:	7673  

Куряка вне форума   Ответить с цитированием Вверх
Старый 01.04.2011, 14:03   #31
corp
 
Аватар для corp
 
Регистрация: 21.04.2009
Адрес: Донецк
Возраст: 56
Сообщений: 517
Вы сказали Спасибо: 19
Поблагодарили 7 раз(а) в 7 сообщениях
Репутация: 50
Отправить сообщение для corp с помощью ICQ
По умолчанию Re: Расчет сабвуфера программой jbl speakershop

Цитата:
Сообщение от Куряка Посмотреть сообщение
Я использовал стандартную ДжБиэЛовскую предустановку для описания передаточной функции салона.
Ок.
Только я не понял, на тех графиках, что выше - там уже учтён подъем салоном на пресловутые 12Дб? Или нужно поддобавить в области до 50?
corp вне форума   Ответить с цитированием Вверх
Старый 01.04.2011, 17:12   #32
Куряка
Старейшина
 
Аватар для Куряка
 
Регистрация: 30.03.2009
Адрес: Днепропетровск
Возраст: 62
Сообщений: 2,269
Вы сказали Спасибо: 157
Поблагодарили 213 раз(а) в 103 сообщениях
Репутация: 339
По умолчанию Re: Расчет сабвуфера программой jbl speakershop

Цитата
Сообщение от corp Посмотреть сообщение
Ок.
Только я не понял, на тех графиках, что выше - там уже учтён подъем салоном на пресловутые 12Дб? Или нужно поддобавить в области до 50?
Интересный вопрос.

Нашёл описание JBL SS на русском языке. К сожалению, не могу выложить ссылку, потому что она уже не работает . дословно про давление и акустические мощности написано очень скупо. Вот дословно вырезка из русского описания:
"Enclosure Module для SpeakerShop производства JBL представляет собой компьютерную программу, которая помогает разрабатывать акустическое оформление (корпус) басового (низкочастотного) громкоговорителя. Она помогает вам определять объем и размеры корпуса и позволяет оценить качество звучания. Конструкция оценивается двумя способами: прежде всего оценивается, как конструкция будет работать при нормальных уровнях прослушивания. Эта процедура называется анализом на малых сигналах и включает в себя амплитудную (частотную) характеристику, характеристику сопротивления звуковой катушки, фазовую характеристику и групповую задержку. Во вторую очередь для конструкции моделируется режим максимальной громкости. Вторая часть называется анализом на больших сигналах и включает в себя нормы термальной акустической мощности в диапазоне средних частот и характеристику максимальной мощности при различном отклонении".........

" Amplitude – Normalized
Выбирайте команду Amplitude – Normalized для вывода на дисплей графика нормализованной амплитудной характеристики. Он часто привязывается к частотной характеристике. Он нормализуется к значению 0 дБ, поэтому графики различных конструкций могут быть наложены друг на друга и их кривые можно будет легко сравнить. (Клавиша: F4.)

Amplitude – SPL @ 2,83 V
Выбирайте команду Amplitude – SPL @ 2,83 V для вывода на дисплей графика амплитудной характеристики, который не нормализован. Принято считать, что система приводится в действие с напряжением 2,83 В. Характеристика также располагается вдоль координатной оси и приводится к 1 метру (3,28 фута). Данный график отличается от нормализованной амплитудной характеристики тем, что показывается относительное различие в эффективности между различными конструкциями. Такой график удобно использовать при разработке корпусов, рассчитанных на определенную полосу пропускания. (Клавиша: F5.)

Acoustic Power
Выбирайте команду Acoustic Power для вывода на дисплей графика характеристики максимальной звуковой мощности. (Данная команда будет доступна, если введены достаточные параметры громкоговорителя.) Показаны два предела максимальной звуковой мощности: термические предел в области средних частот и предел максимального отклонения. Нижний из этих двух пределов представляет собой максимальную звуковую мощность, которую может создавать громкоговоритель. (Клавиша: F6.) "....

И всё! Это все упоминания и трактовки графикоов. Написано,что" можно оценить качество звучания по этим графикам" , а как это делается не описано. А максимальная звуковая мощность - штука довольно абстрактная.

Что пищут об этом умные книжки? А вот что:
1. " Звуковая мощность определяется как количество энергии, передаваемой в единицу времени. Звуковая мощность не может быть измерена непосредственно и вычисляется через звуковое давление. Логарифмическая шкала в децибелах различна для звуковой мощности и звукового давления."
2. " На уровень звукового давления, создаваемого источником шума оказывает влияние уровень звуковой мощности, коэффициент направленности источника; расстояние до источника и поглощающие характеристики помещения. "

Исходя из этой информации, делаем выводы: 1. График "макс. акустическая мощность "не показывает реальное максимальное давление ( в единицах dB), которое может создать сабик в салоне. Оно может быть как меньше цифры предельной термальной мощности ( за счёт расстояния до саба, его расположения и поглощения мощности салоном авто), так и больше (опять же, за счёт направленности, расположения , стояков салона и излучения акустической мощности не только лицевой стороной динамика, но и тыльной в противофазе - фазоинверсным отверстием, пассивным излучателем). 2. Теоретически, мои предидущие выводы нужно подкоректировать и посмотреть, что из этого получится. Сейчас попытаюсь это сделать на тех же графиках. нужно только понять, где и чего добавлять.

Последний раз редактировалось Куряка; 01.04.2011 в 18:05.
Куряка вне форума   Ответить с цитированием Вверх
Старый 02.04.2011, 13:16   #33
SOVA
Старейшина
 
Аватар для SOVA
 
Регистрация: 21.09.2007
Адрес: Киев
Возраст: 57
Сообщений: 1,446
Вы сказали Спасибо: 128
Поблагодарили 422 раз(а) в 191 сообщениях
Репутация: 628
По умолчанию Re: Расчет сабвуфера программой jbl speakershop

Цитата
Сообщение от corp Посмотреть сообщение
Ок.
Только я не понял, на тех графиках, что выше - там уже учтён подъем салоном на пресловутые 12Дб? Или нужно поддобавить в области до 50?
Если стоит галочка напротив машинки (возле первого графика), то учитывается передаточная функция салона (или стандартная, или ваша собственная).
Убираете галочку - подъём давления салоном не учитывается.
Сами попробуйте.
SOVA вне форума   Ответить с цитированием Вверх
Старый 02.04.2011, 17:35   #34
corp
 
Аватар для corp
 
Регистрация: 21.04.2009
Адрес: Донецк
Возраст: 56
Сообщений: 517
Вы сказали Спасибо: 19
Поблагодарили 7 раз(а) в 7 сообщениях
Репутация: 50
Отправить сообщение для corp с помощью ICQ
По умолчанию Re: Расчет сабвуфера программой jbl speakershop

Цитата:
Сообщение от SOVA Посмотреть сообщение
Если стоит галочка напротив машинки (возле первого графика), то учитывается передаточная функция салона (или стандартная, или ваша собственная).
Убираете галочку - подъём давления салоном не учитывается.
Сами попробуйте.
нету у меня её, программулины этой...
Да тут даже вопрос не в том, смогу ли я её настроить и чекнуть...
Вопрос вот в чем.
На финальной группе графиков (где Игорь показывает рабочую область: ниже 119Дб и правее) не понятно - будет ли салон еще "поднимать" этот самый интересный диапазон 10-50, или на картинке - уже "поднятый" салоном результат...
Можеть не ясно задаю вопросы?
corp вне форума   Ответить с цитированием Вверх
Старый 03.04.2011, 10:52   #35
ДЯДЬКА ЛУИ
 
Аватар для ДЯДЬКА ЛУИ
 
Регистрация: 07.08.2008
Адрес: Киев. Троещина.
Возраст: 47
Сообщений: 377
Вы сказали Спасибо: 3
Поблагодарили 9 раз(а) в 8 сообщениях
Репутация: 7
Отправить сообщение для ДЯДЬКА ЛУИ с помощью ICQ
По умолчанию Re: Расчет сабвуфера программой jbl speakershop

напротив "машинки" на графиках стоит галочка- ето результат с уже поднятым салоном диапазоном.
ДЯДЬКА ЛУИ вне форума   Ответить с цитированием Вверх
Старый 04.04.2011, 12:24   #36
Куряка
Старейшина
 
Аватар для Куряка
 
Регистрация: 30.03.2009
Адрес: Днепропетровск
Возраст: 62
Сообщений: 2,269
Вы сказали Спасибо: 157
Поблагодарили 213 раз(а) в 103 сообщениях
Репутация: 339
По умолчанию Re: Расчет сабвуфера программой jbl speakershop

Цитата:
Сообщение от SOVA Посмотреть сообщение
Если стоит галочка напротив машинки (возле первого графика), то учитывается передаточная функция салона (или стандартная, или ваша собственная).
Убираете галочку - подъём давления салоном не учитывается.
Сами попробуйте.
Илья, ты не внимательно читаешь мои сообщения. Или давно не пользовался JBL SS. Передаточная функция салона учитывается только при нормализованной АЧХ . Как пишет описание :"...Эта процедура называется анализом на малых сигналах и включает в себя амплитудную (частотную) характеристику, характеристику сопротивления звуковой катушки, фазовую характеристику и групповую задержку...". А режим Максимальной Акустической Мощности , обращаю внимание ещё раз, не зависит от акустики салона , расстояния до динамика. Это величина, характеризующая макс. звуковую мощность, которую может излучить динамик. И никакая акустика салона не может заставить динамик излучать звуковой энергии больше, чем это может сделать динамик на конкретной частоте. Причины- перегрев катушки и ограничение хода диффузора. В оригинальном описании на программу: "...Во вторую очередь для конструкции моделируется режим максимальной громкости. Вторая часть называется анализом на больших сигналах и включает в себя нормы термальной акустической мощности в диапазоне средних частот и характеристику максимальной мощности при различном отклонении...".

Потому и пытаюсь достучатся до кого нибудь. В этой программе ориентироватся на график АЧХ нужно при малых уровнях сигнала , а на график Макс. Акустическая Мощность при больших уровнях сигнала И нужно правильно энтерпретировать эти графики. Если с анализом АЧХ проблем не возникает, то график Макс.Акуст. Мощности ( Назову его сокращённо МАМ) никто, к сожалению, никогда не анализирует. Все почему- то думают, что поставил динамик с добротностью 0.35-0.4 в ЗЯ , ввёл коррекция АЧХ салона и получил равную АЧХ от 0 Гц до 1 кГц, в небольшим провалом в райне 20-80 Гц. Потом подрезал ниже 60 Гц и получил ровную АЧХ от нуля до 60 ГЦ, А он только попёрдывает на рабочей мощности и нет там баса. Один "СЁР". Потом выводы- не работает корректно JBL SS. Потому сейчас выложу графики расчёта более распостранённого автомобильного динамика, а не такого экзотичного (ящмк 100-145 литров), как выложил для анализа топикстартер. Там всё более ярковыражено и ближе к жизни. И более наглядно.

Добавлено через 2 минуты
Цитата:
Сообщение от ДЯДЬКА ЛУИ Посмотреть сообщение
напротив "машинки" на графиках стоит галочка- ето результат с уже поднятым салоном диапазоном.
Я так не думаю. Пишу ещё раз. Это анализ для малых сигналов


Добавлено через 52 минуты
Цитата
Сообщение от corp Посмотреть сообщение
нету у меня её, программулины этой...
Да тут даже вопрос не в том, смогу ли я её настроить и чекнуть...
Вопрос вот в чем.
На финальной группе графиков (где Игорь показывает рабочую область: ниже 119Дб и правее) не понятно - будет ли салон еще "поднимать" этот самый интересный диапазон 10-50, или на картинке - уже "поднятый" салоном результат...
Можеть не ясно задаю вопросы?
Я думаю,что нет. Дело в том, что МАМ - это максимальная акустическая мощность, которую излучает динамик на конкретной частоте. Это акустическая энергия измеренная на конкретной частоте , пересекаюшая площадь, равную площади мембраны и расположенная ( эта виртуальная площадь) как можно длиже к диффузору динамика. Потом эта мощность восрпинимается нами как звуковое давление в зависимости от ( ещё раз): расстояния до излучателя , его направленности, акустических свойств салона автомобиля. Но, закон сохранения энергии никто не отменял. Откуда может взятся дополнительная акустическая энергия в диаппазоне , к примеру, 20 Гц, если она отсутствует в МАМ ? То, что нам рисует график нормированной АЧХ- это график отношения амплитуд на одной частоте по отношению к другой амплитуде на другой частоте. И если график АЧХ в салоне авто показывает, что амплитуда НЧ на 30 Гц на 6 ДБ ( или 12-15 Дб) выше , чем на 60 Гц, это не значит, что произошло усиление на 6 Дб по отношению к 60 Гц. Это значит, что 30 Гц дошли до точки прослушивания с минимальными потерями, а 60 Гц и выше провалились ( сьелись салоном) по отношению к 30 Гц на 6 Дб.
Это моё обьяснение. Может я не правильно понимаю и меня кто нибудь поправит?

Последний раз редактировалось Куряка; 04.04.2011 в 13:17. Причина: Добавлено сообщение
Куряка вне форума   Ответить с цитированием Вверх
Старый 04.04.2011, 22:59   #37
Незнайка на Луне
Старейшина
 
Аватар для Незнайка на Луне
 
Регистрация: 12.12.2008
Адрес: Краматорск
Возраст: 69
Сообщений: 1,017
Вы сказали Спасибо: 49
Поблагодарили 63 раз(а) в 32 сообщениях
Репутация: 182
Отправить сообщение для Незнайка на Луне с помощью Skype™
По умолчанию Re: Расчет сабвуфера программой jbl speakershop

Цитата:
Сообщение от Куряка Посмотреть сообщение
Илья, ты не внимательно читаешь мои сообщения. Или давно не пользовался JBL SS.
Дорогой Игорь Петрович , а где ты видел галочки возле графиков Acoustic Power , Impedance , Phase , Group Delay ? Мне как то немного за друга обидно :grust:
Незнайка на Луне вне форума   Ответить с цитированием Вверх
Старый 05.04.2011, 10:21   #38
Куряка
Старейшина
 
Аватар для Куряка
 
Регистрация: 30.03.2009
Адрес: Днепропетровск
Возраст: 62
Сообщений: 2,269
Вы сказали Спасибо: 157
Поблагодарили 213 раз(а) в 103 сообщениях
Репутация: 339
По умолчанию Re: Расчет сабвуфера программой jbl speakershop

Цитата:
Сообщение от Незнайка на Луне Посмотреть сообщение
Дорогой Игорь Петрович , а где ты видел галочки возле графиков Acoustic Power , Impedance , Phase , Group Delay ? Мне как то немного за друга обидно :grust:
Я вам про Фому, а вы мне про Ерёму. Какие обиды? Про галочки так и не понял вопроса.
Куряка вне форума   Ответить с цитированием Вверх
Старый 05.04.2011, 12:45   #39
Незнайка на Луне
Старейшина
 
Аватар для Незнайка на Луне
 
Регистрация: 12.12.2008
Адрес: Краматорск
Возраст: 69
Сообщений: 1,017
Вы сказали Спасибо: 49
Поблагодарили 63 раз(а) в 32 сообщениях
Репутация: 182
Отправить сообщение для Незнайка на Луне с помощью Skype™
По умолчанию Re: Расчет сабвуфера программой jbl speakershop

Цитата:
Сообщение от Куряка Посмотреть сообщение
Я вам про Фому, а вы мне про Ерёму. Какие обиды? Про галочки так и не понял вопроса.
Не вопрос , а констатация факта. В сообщении Ильи нет ни малейшего намека на отношение понятия "передаточная функция салона" к графику акустической мощности и прочим графикам , где нет соответствующих ПТИЧЕК
Незнайка на Луне вне форума   Ответить с цитированием Вверх
Старый 05.04.2011, 13:47   #40
Куряка
Старейшина
 
Аватар для Куряка
 
Регистрация: 30.03.2009
Адрес: Днепропетровск
Возраст: 62
Сообщений: 2,269
Вы сказали Спасибо: 157
Поблагодарили 213 раз(а) в 103 сообщениях
Репутация: 339
По умолчанию Re: Расчет сабвуфера программой jbl speakershop

Цитата:
Сообщение от Незнайка на Луне Посмотреть сообщение
Не вопрос , а констатация факта. В сообщении Ильи нет ни малейшего намека на отношение понятия "передаточная функция салона" к графику акустической мощности и прочим графикам , где нет соответствующих ПТИЧЕК
Извини, если мой ответ воспринят как оскорбление. Я хотел сказать всего лишь, уже в 5-ий раз, что если громко слушаешь музыку с сабом, то на ПТИЧКИ можно "забить". Субьективно ,на большой громкости, сабы звучат так, как я нарисовал на итоговом графике МАМ( голубая громкость). Конечно-же , с созданием рабочей области саба при помощи LPF, HPF и Gain на сабовом усилке. Судя по коментариям Совы, он не заметил этой мысли. И наверное графиков моих не заметил.
Заранее извините меня все те, кому мои выводы по данному техническому вопросу показались оскорбительными .

Последний раз редактировалось Куряка; 05.04.2011 в 14:46.
Куряка вне форума   Ответить с цитированием Вверх
Ответ


Здесь присутствуют: 1 (пользователей: 0 , гостей: 1)
 

Ваши права в разделе
Вы не можете создавать новые темы
Вы не можете отвечать в темах
Вы не можете прикреплять вложения
Вы не можете редактировать свои сообщения

BB коды Вкл.
Смайлы Вкл.
[IMG] код Вкл.
HTML код Выкл.

Быстрый переход

Похожие темы
Тема Автор Раздел Ответов Последнее сообщение
Расчет правильного порта программой Bassport K.O.S. Теория и точка зрения по SPL 31 15.10.2016 22:55
jbl speakershop для Windows 7 64bit MCuk Практические уроки, технологии и материалы 8 25.11.2013 19:35
Какой программой делать даунсемпл? juris.sq Теория и точка зрения по SQ 31 09.11.2013 13:55
Расчет корпуса. makci Практика в SPL 26 18.07.2012 14:03
JBL SpeakerShop woolfer Практика по SQ 10 05.02.2011 21:51


Текущее время: 19:04. Часовой пояс GMT +2.


Перевод: zCarot
autozvuk.org ©