Всё об автозвуке

Вернуться   Всё об автозвуке > Высшая лига Sound Quality (натуральный и красивый звук) > Практика по SQ
Регистрация Новые сообщения Правила форума Справка Сообщество Календарь Поиск

Важная информация

Практика по SQ Головные устройства, акустика, кроссоверы, процессоры и много-много других страшных слов

Ответ
 
Опции темы Опции просмотра
Старый 03.02.2011, 23:43   #1
Рост ®
Старейшина
 
Аватар для Рост ®
 
Регистрация: 12.03.2007
Адрес: Львів
Возраст: 54
Сообщений: 2,210
Вы сказали Спасибо: 13
Поблагодарили 307 раз(а) в 99 сообщениях
Репутация: 562
Отправить сообщение для Рост ® с помощью ICQ
По умолчанию З Супербом новим стикався хтось? Про двері питання.

Не можу знайти, що собою являють двері СуперБ зсередини. Тобто, чи реально поставити міди вперед, з переробкою карт, звісно, чи там є якась механіка всередині, яка буде заважати?
Рост ® вне форума   Ответить с цитированием Вверх
Старый 04.02.2011, 00:00   #2
Alexx
Старейшина
 
Аватар для Alexx
 
Регистрация: 12.03.2007
Адрес: Одесса
Возраст: 46
Сообщений: 3,101
Вы сказали Спасибо: 64
Поблагодарили 47 раз(а) в 37 сообщениях
Репутация: 220
По умолчанию

Цитата:
Сообщение от Рост ® Посмотреть сообщение
Не можу знайти, що собою являють двері СуперБ зсередини. Тобто, чи реально поставити міди вперед, з переробкою карт, звісно, чи там є якась механіка всередині, яка буде заважати?
http://www.drive2.ru/cars/skoda/superb/
я бы поискал тут. Или спросил у владельцев.
Alexx вне форума   Ответить с цитированием Вверх
Старый 04.02.2011, 00:39   #3
Директор Луны
Ушел в мир иной от нас...
 
Аватар для Директор Луны
 
Регистрация: 06.04.2008
Адрес: EMMA Ukraine
Возраст: 60
Сообщений: 9,976
Вы сказали Спасибо: 43
Поблагодарили 423 раз(а) в 130 сообщениях
Репутация: 1086
По умолчанию

Цитата:
Сообщение от Рост ® Посмотреть сообщение
Не можу знайти, що собою являють двері СуперБ зсередини. Тобто, чи реально поставити міди вперед, з переробкою карт, звісно, чи там є якась механіка всередині, яка буде заважати?
Сегодня буквально на станции видел разобранный,кто ж знал,сфоткал бы.
Если завтра успею - гляну.
Директор Луны вне форума   Ответить с цитированием Вверх
Старый 04.02.2011, 01:17   #4
Рост ®
Старейшина
 
Аватар для Рост ®
 
Регистрация: 12.03.2007
Адрес: Львів
Возраст: 54
Сообщений: 2,210
Вы сказали Спасибо: 13
Поблагодарили 307 раз(а) в 99 сообщениях
Репутация: 562
Отправить сообщение для Рост ® с помощью ICQ
По умолчанию

Цитата:
Сообщение от Директор Луны Посмотреть сообщение
Сегодня буквально на станции видел разобранный,кто ж знал,сфоткал бы.
Если завтра успею - гляну.
Буду вдячний!
Я би й сам двері розібрав, щоб глянути, але ж та дурацька шкодівська закльопочна система...
Рост ® вне форума   Ответить с цитированием Вверх
Старый 04.02.2011, 01:28   #5
Директор Луны
Ушел в мир иной от нас...
 
Аватар для Директор Луны
 
Регистрация: 06.04.2008
Адрес: EMMA Ukraine
Возраст: 60
Сообщений: 9,976
Вы сказали Спасибо: 43
Поблагодарили 423 раз(а) в 130 сообщениях
Репутация: 1086
По умолчанию

Цитата:
Сообщение от Рост ® Посмотреть сообщение
Буду вдячний!
Я би й сам двері розібрав, щоб глянути, але ж та дурацька шкодівська закльопочна система...
Я,честно говоря,не обратил внимания до какой степени там разобрано было - проходил просто мимо.Но карты были сняты точно.
В общем,завтра.
Директор Луны вне форума   Ответить с цитированием Вверх
Старый 04.02.2011, 15:47   #6
Serg Teplyuk
Старейшина
 
Аватар для Serg Teplyuk
 
Регистрация: 04.08.2008
Адрес: Черновцы
Возраст: 59
Сообщений: 3,268
Вы сказали Спасибо: 85
Поблагодарили 63 раз(а) в 45 сообщениях
Репутация: 400
По умолчанию

2 РОСТ! Набери 0506910799 Малхаз - установщик, он себе такое ведро купил и музу калдырит на соревки!!
Serg Teplyuk вне форума   Ответить с цитированием Вверх
Старый 04.02.2011, 17:08   #7
@CHE@
Старейшина
 
Аватар для @CHE@
 
Регистрация: 22.10.2008
Адрес: Киев
Возраст: 42
Сообщений: 474
Вы сказали Спасибо: 24
Поблагодарили 29 раз(а) в 21 сообщениях
Репутация: 45
По умолчанию

Цитата:
Сообщение от Serg Teplyuk Посмотреть сообщение
2 РОСТ! Набери 0506910799 Малхаз - установщик, он себе такое ведро купил и музу калдырит на соревки!!
Если не ошибаюсь у Малхаза Суперб старой модели, там все по другому.
@CHE@ вне форума   Ответить с цитированием Вверх
Старый 04.02.2011, 22:02   #8
Директор Луны
Ушел в мир иной от нас...
 
Аватар для Директор Луны
 
Регистрация: 06.04.2008
Адрес: EMMA Ukraine
Возраст: 60
Сообщений: 9,976
Вы сказали Спасибо: 43
Поблагодарили 423 раз(а) в 130 сообщениях
Репутация: 1086
По умолчанию

Значится так.
Когда заехал - обшивки уже стояли. Пластину не расклёпывали.
Утверждают что в передней части двери за пластиной пустота (вроде как раньше расклёпывали,для каких целей - не знаю.Интерфейс стоит на 1/3 расстояния от задней части двери,похоже действительно в переденей пустота.
Думаю самый постой и безболезненный способ проверить - расклепать крепёж динамика и фонарик с гинекологическим зеркальцем в помощь.
Директор Луны вне форума   Ответить с цитированием Вверх
Старый 05.02.2011, 00:25   #9
Рост ®
Старейшина
 
Аватар для Рост ®
 
Регистрация: 12.03.2007
Адрес: Львів
Возраст: 54
Сообщений: 2,210
Вы сказали Спасибо: 13
Поблагодарили 307 раз(а) в 99 сообщениях
Репутация: 562
Отправить сообщение для Рост ® с помощью ICQ
По умолчанию

Дякую всім, хто перейнявся проблемою
Так, в старому Супербі динаміки в дверях в людських місцях, а в новому - так як в Октавії А5, в задницю грають... ммм ... як там казав Борис: в нирку
Рост ® вне форума   Ответить с цитированием Вверх
Старый 05.02.2011, 00:35   #10
Директор Луны
Ушел в мир иной от нас...
 
Аватар для Директор Луны
 
Регистрация: 06.04.2008
Адрес: EMMA Ukraine
Возраст: 60
Сообщений: 9,976
Вы сказали Спасибо: 43
Поблагодарили 423 раз(а) в 130 сообщениях
Репутация: 1086
По умолчанию

Цитата:
Сообщение от Рост ® Посмотреть сообщение
в задницю грають... ммм ... як там казав Борис: в нирку
В 2008-м во Львове на обратном пути из Австрии мы (я,моя жена и Суходол) долго не могли понять что это, когда Андрей Питусильник на божью коровку сказал БАМБРУСЫК
Теперь я ещё знаю что печень - это НИРКА
Хочу ещё во Львов!!!!
пс Ростик! Извини,что сильно не помог но.....разбиральщики наготове,как попадётся новый Супер - сразу расклепают,даже если в техзадании и стоять не будет
Директор Луны вне форума   Ответить с цитированием Вверх
Старый 05.02.2011, 00:41   #11
@CHE@
Старейшина
 
Аватар для @CHE@
 
Регистрация: 22.10.2008
Адрес: Киев
Возраст: 42
Сообщений: 474
Вы сказали Спасибо: 24
Поблагодарили 29 раз(а) в 21 сообщениях
Репутация: 45
По умолчанию

Цитата:
Сообщение от Директор Луны Посмотреть сообщение
Теперь я ещё знаю что печень - это НИРКА
Хочу ещё во Львов!!!!
Дядьку, НИРКА-это ПОЧКА. Чтоб понятно, это когда заходишь и направо
@CHE@ вне форума   Ответить с цитированием Вверх
Старый 05.02.2011, 00:48   #12
Директор Луны
Ушел в мир иной от нас...
 
Аватар для Директор Луны
 
Регистрация: 06.04.2008
Адрес: EMMA Ukraine
Возраст: 60
Сообщений: 9,976
Вы сказали Спасибо: 43
Поблагодарили 423 раз(а) в 130 сообщениях
Репутация: 1086
По умолчанию

Цитата:
Сообщение от @CHE@ Посмотреть сообщение
Дядьку, НИРКА-это ПОЧКА. Чтоб понятно, это когда заходишь и направо
Племяш, ну тогда Рост ошибся в цитировании меня
Я писАл про печень и простатит
Директор Луны вне форума   Ответить с цитированием Вверх
Старый 05.02.2011, 01:00   #13
@CHE@
Старейшина
 
Аватар для @CHE@
 
Регистрация: 22.10.2008
Адрес: Киев
Возраст: 42
Сообщений: 474
Вы сказали Спасибо: 24
Поблагодарили 29 раз(а) в 21 сообщениях
Репутация: 45
По умолчанию

Цитата:
Сообщение от Директор Луны Посмотреть сообщение
Я писАл про печень и простатит
Ох уж эти старческие проблемы
@CHE@ вне форума   Ответить с цитированием Вверх
Старый 05.02.2011, 19:08   #14
Рост ®
Старейшина
 
Аватар для Рост ®
 
Регистрация: 12.03.2007
Адрес: Львів
Возраст: 54
Сообщений: 2,210
Вы сказали Спасибо: 13
Поблагодарили 307 раз(а) в 99 сообщениях
Репутация: 562
Отправить сообщение для Рост ® с помощью ICQ
По умолчанию

Цитата:
Сообщение от @CHE@ Посмотреть сообщение
Ох уж эти старческие проблемы
Ага... Голова бобо, в печінці вава, в роті кака... Ех...
Рост ® вне форума   Ответить с цитированием Вверх
Старый 06.02.2011, 20:51   #15
р13к36
 
Аватар для р13к36
 
Регистрация: 31.07.2009
Адрес: Одесса
Возраст: 48
Сообщений: 4
Вы сказали Спасибо: 0
Поблагодарили 0 раз(а) в 0 сообщениях
Репутация: 0
По умолчанию

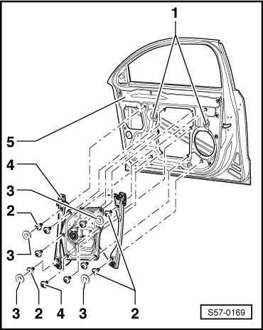
Если еще актуально, вот схемы из ELSA
Миниатюры
Нажмите на изображение для увеличения
Название: S57-0173.png
Просмотров: 825
Размер:	61.2 Кб
ID:	6781   Нажмите на изображение для увеличения
Название: S57-0181.png
Просмотров: 813
Размер:	58.6 Кб
ID:	6782  

Изображения
  
р13к36 вне форума   Ответить с цитированием Вверх
Старый 06.02.2011, 21:51   #16
Рост ®
Старейшина
 
Аватар для Рост ®
 
Регистрация: 12.03.2007
Адрес: Львів
Возраст: 54
Сообщений: 2,210
Вы сказали Спасибо: 13
Поблагодарили 307 раз(а) в 99 сообщениях
Репутация: 562
Отправить сообщение для Рост ® с помощью ICQ
По умолчанию

Цитата
Сообщение от р13к36 Посмотреть сообщение
Если еще актуально, вот схемы из ELSA
Дякую, інформації замало не буває
Рост ® вне форума   Ответить с цитированием Вверх
Старый 06.02.2011, 22:36   #17
р13к36
 
Аватар для р13к36
 
Регистрация: 31.07.2009
Адрес: Одесса
Возраст: 48
Сообщений: 4
Вы сказали Спасибо: 0
Поблагодарили 0 раз(а) в 0 сообщениях
Репутация: 0
По умолчанию

Вот еще нашел
Вложения
Тип файла: pdf SSP_065_ru_SUPERB_II_часть_1.pdf (4.17 Мб, 1774 просмотров)
р13к36 вне форума   Ответить с цитированием Вверх
Старый 06.02.2011, 23:01   #18
Serg Teplyuk
Старейшина
 
Аватар для Serg Teplyuk
 
Регистрация: 04.08.2008
Адрес: Черновцы
Возраст: 59
Сообщений: 3,268
Вы сказали Спасибо: 85
Поблагодарили 63 раз(а) в 45 сообщениях
Репутация: 400
По умолчанию

Цитата:
Сообщение от Рост ® Посмотреть сообщение
Так, в старому Супербі динаміки в дверях в людських місцях, а в новому - так як в Октавії А5, в задницю грають...
Неправильная машина, неправильные дебильные проектировщики этой машины, неправильный мед...
Serg Teplyuk вне форума   Ответить с цитированием Вверх
Старый 06.02.2011, 23:37   #19
Рост ®
Старейшина
 
Аватар для Рост ®
 
Регистрация: 12.03.2007
Адрес: Львів
Возраст: 54
Сообщений: 2,210
Вы сказали Спасибо: 13
Поблагодарили 307 раз(а) в 99 сообщениях
Репутация: 562
Отправить сообщение для Рост ® с помощью ICQ
По умолчанию

Цитата:
Сообщение от Serg Teplyuk Посмотреть сообщение
Неправильная машина, неправильные дебильные проектировщики этой машины, неправильный мед...
Серж, сам же знаєш, ніхто з розробників не буде орієнтуватися на пару відсотків людей, яким потрібен якісний звук. Ти ж розумієш, наскільки навіть мінімального рівня правильна аудіо система удорожить машину. А вони і так заробляють по тисячі-другій на системах, собівартість яких пару сотень максимум.
Рост ® вне форума   Ответить с цитированием Вверх
Старый 11.05.2011, 22:52   #20
CTAC
 
Аватар для CTAC
 
Регистрация: 03.02.2010
Адрес: Одесса
Сообщений: 66
Вы сказали Спасибо: 0
Поблагодарили 4 раз(а) в 4 сообщениях
Репутация: 2
Отправить сообщение для CTAC с помощью ICQ
По умолчанию Re: З Супербом новим стикався хтось? Про двері питання.

интересно, как победили суперБ? а то у меня таже история на ФВ Джетте 5
CTAC вне форума   Ответить с цитированием Вверх
Ответ


Здесь присутствуют: 1 (пользователей: 0 , гостей: 1)
 

Ваши права в разделе
Вы не можете создавать новые темы
Вы не можете отвечать в темах
Вы не можете прикреплять вложения
Вы не можете редактировать свои сообщения

BB коды Вкл.
Смайлы Вкл.
[IMG] код Вкл.
HTML код Выкл.

Быстрый переход

Похожие темы
Тема Автор Раздел Ответов Последнее сообщение
Чи варто робити ЗЯ для мідбасів в двері? b_andriy Бюджетный автозвук и песочница. 10 13.06.2013 13:44
Питання по комутації dimaxa Практические уроки, технологии и материалы 7 17.08.2011 17:49
Продам двері з акустичною підготовкою Рост ® Белый шум 13 30.03.2011 23:08
Boschmann-AXZ-W10TPO хтось слухав цей саб? Володимир Бюджетный автозвук и песочница. 8 04.12.2010 19:57
Питання до компуторщиків Володимир Белый шум 24 20.01.2010 23:58


Текущее время: 19:00. Часовой пояс GMT +2.


Перевод: zCarot
autozvuk.org ©