Всё об автозвуке

Вернуться   Всё об автозвуке > Новичкам > Библиотека > Избранное - азы автозвука
Регистрация Новые сообщения Правила форума Справка Сообщество Календарь Поиск

Важная информация

Избранное - азы автозвука Интересная и полезная информация

Ответ
 
Опции темы Опции просмотра
Старый 26.03.2010, 12:48   #1
Cobox
Штырлиц
 
Аватар для Cobox
 
Регистрация: 09.04.2007
Адрес: Ирпень
Сообщений: 4,912
Вы сказали Спасибо: 136
Поблагодарили 355 раз(а) в 191 сообщениях
Репутация: 673
По умолчанию Легенды и мифы «последовательных миров» или, что такое последовательный кроссовер и с чем его «едят».

Ни для кого не секрет, что для хорошей работы многополосной АС требуется организовать оптимальное деление частотных полос между динамиками. В подавляющем большинстве случаев, данная функция реализуется с помощью устройства именуемого «пассивный кроссовер». Наиболее общепринятой является, так называемая, «параллельная» схемотехника, при которой динамики подключаются параллельно выходу усилителя через частотозависимые элементы – конденсаторы и катушки индуктивности. При этом параллельные цепи работают независимо друг от друга, а сигналы излучателей разных полос суммируются акустически. Несколько лет назад в одном из журналов я натолкнулся на упоминание о, так называемом, «последовательном» пассивном кроссовере и был крайне заинтригован, поскольку до этого вообще никогда не сталкивался с таким вариантом реализации пассивного деления частотных полос. Чем же интересны такие конструкции, каковы их достоинства и недостатки и почему они крайне редко встречаются в природе? Попробую обо всем по порядку.

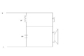
Вокруг последовательных (в английской терминологии – “series” или “constant voltage”) фильтров в последнее время, как говорится, «бушуют страсти». Однако, на самом деле все новое – это хорошо забытое старое. Впервые упоминание о последовательных кроссоверах появилось в 1969 году, в работе небезызвестного теоретика-акустика Рихарда Смолла (да-да, того самого, который в содружестве с господином Тиллем создал стройную теорию электро-механических параметров для динамических головок). Его работа, посвященная такой топологии пассивных кроссоверов, так и называлась: “Constant Voltage Crossover Network Design” или по-русски – “Проектирование пассивных кроссоверов постоянного напряжения”. Предложенная им схема фильтрации была предельно проста и лаконична (см. Рис.1) и состояла из одной емкости и индуктивности подключенных ПАРАЛЛЕЛЬНО соответствующим излучателям.

Название: iz_posled_filtr_1.jpg
Просмотров: 8537

Размер: 3.0 КбРис1.

Чем же примечательна такая схема? Прежде чем говорить о собственно поведении такого фильтра давайте посмотрим, что представляет из себя цепь, состоящая из последовательно включенной емкости и индуктивности. Такая электрическая схема носит название «последовательного резонансного контура». Последовательный контур имеет минимальный импеданс на частоте своего резонанса, определяемой конкретными значениями составляющей его емкости и индуктивности. Формально все объясняется очень просто: с ростом частоты реактивное сопротивление катушки растет, а емкости – падает, а с понижением – наоборот. Минимум наблюдается на резонансной частоте.

Точная формула нахождения частоты резонанса:
F=1/(L*C)1/2 (1)

Минимальное значение импеданса на резонансной частоте будет определяться лишь собственным сопротивлением проводов и активным сопротивлением катушки индуктивности. В «настоящем» последовательном фильтре 1-го порядка резонанса в контуре не возникает, однако, он наблюдается в случае, так называемого, последовательного кроссовера «квази-второго» порядка. Важность этого фактора отметим позже, а пока пойдем далее.

На Рис.1 представлен последовательный двух полосный кроссовер первого порядка. Как видно из рисунка, последовательные кроссоверы подобны своим параллельным «братьям» и состоят из одной емкости и одной индуктивности. Однако, в отличие от последних, (и в этом заключена вся их прелесть!) они сохраняют принцип тождественного равенства суммы подводимых к излучателям напряжений выходному напряжению усилителя (именно поэтому, в английской терминологии они носят название кроссоверов «постоянного напряжения»). В своей «эпохальной» статье Рихард Смолл указал также необходимые требования, накладываемые на драйверы при их использовании в последовательном кроссовере. В частности, он говорит, что в случае использования последовательного кроссовера, драйверы должны размещаться максимально близко друг к другу и их АЧХ должны быть гладкими в области частоты раздела. Практически, этому критерию легко отвечают обычные драйверы, работающие в зоне «поршневого» действия диффузора. Согласно его исследованиям, принципу «постоянного напряжения» соответствуют только последовательные кроссоверы первого и «квази-второго» порядка. Для последовательных кроссоверов более высоких порядков (см., например, Рис.2) данное условие в общем случае уже не выполняется.
Самым интересным является факт, что такая последовательная конструкция является «самоуравновешивающейся». Другими словами, даже если импеданс головок сильно меняется от частоты, а номиналы емкостей/индуктивностей фильтра имеют значительные отклонения от номинальных, электрическая сумма напряжений, подводимых к звуковым катушкам излучателей, будет ВСЕГДА ТОЖДЕСТВЕННО РАВНА выходному напряжению усилителя.

Название: iz_posled_filtr_2.jpg
Просмотров: 8445

Размер: 12.0 КбРис.2

Вернемся же к принципиальной схеме фильтра на Рис. 1. С первого взгляда, может показаться, что твитер включенный в последовательную цепь работает в полную полосу. Однако, включенная параллельно твитеру индуктивность выполняет в данном случае ту же роль, что и разделительный конденсатор в параллельном фильтре, защищая драйвер от НЧ. Здесь следует вспомнить об активном омическом сопротивлении катушки и важности ее практической минимизации. Чем ниже омическое сопротивление катушки шунта – тем лучше защищена пищалка. Однако, и это крайне важно, в отличие от конденсатора, катушка не сможет оградить пищалку от постоянного напряжения на выходе усилителя.

Как и в случае параллельных фильтров, при необходимости можно использовать цепи Зобеля для компенсации индуктивности драйверов. При этом необходимые RC цепи включаются параллельно клеммам соответствующих динамиков. Аналогично и с аттеньюацией – ограничивающий резистор включается последовательно с драйвером, а резистор линеаризирующий импеданс – параллельно звуковой катушке.
Перейдем далее к многополосным разделительным фильтрам. Трех полосный последовательный кроссовер первого порядка представлен на следующем рисунке:

Название: iz_posled_filtr_3.jpg
Просмотров: 8615

Размер: 6.1 КбРис.3

Многие разработчики акустики сходны во мнении, что в трехполосных системах весьма сложно обеспечить согласование НЧ и СЧ излучателей без использования сложных и дорогих активных кроссоверов. Последовательный 3-х полосный кроссовер с легкостью решает проблему интеграции вуфера и мидрейнджа. Единственная индуктивность в цепи НЧ излучателя вносит минимальные потери в полезный сигнал и обеспечивает естественную полосовую фильтрацию среднечастотнику. Дополнительный выигрыш мы получаем также и в защите пищалки, поскольку в такой схеме она дважды шунтируется катушками. Однако, при практической реализации, такое включение потребует обязательного введения цепи компенсирующей индуктивность катушки среднечастотника.

Наконец, напишем несколько формул. Каким образом рассчитать требуемые номиналы компонентов в последовательном фильтре? Для фильтра первого порядка рассчеты аналогичны тем, что мы получаем для параллельного фильтра 1-го порядка с Баттервортовской характеристикой. Их величины находятся по следующим формулам:
L=Rн/(2п*F0) (2)
С=1/(2п*F0*Rн) (3)
Где: L, C – требуемые номиналы элементов, Rн – сопротивление соответствующего драйвера, F0 – предполагаемая частота раздела

Однако, даже если фактические номиналы будут отклоняться от расчетных, ничего «катастрофического» не произойдет, поскольку, как говорилось ранее, последовательный фильтр, в отличие от параллельного, «самосбалансируется» - слегка изменится фактическая частота раздела, но суммарный электрический сигнал на драйверах будет в точности соответствовать сигналу на выходе усилителя!

Пойдем далее, и уделим несколько слов, так называемому, последовательному кроссоверу «квазивторого порядка». Почему – «квази»? Да дело в том, что формально это тот же последовательный кроссовер первого порядка показанный на Рис. 1, однако, номиналы составляющих его элементов подбираются таким образом, что мы имеем фактический спад вне полос пропускания круче, чем стандартные для фильтров первого порядка 6дБ/октаву.

Введем такой параметр, как Zeta, который будет характеризовать разнесение частот раздела драйверов. В стандартном случае (формулы (2) и (3)) Zeta=1, что соответствует «классическому» случаю, когда реактивные сопротивления емкости и индуктивности на частоте раздела F0 равны сопротивлению нагрузки и спад полезного сигнала для обоих излучателей на этой частоте составляет 3 дБ. В этом случае, сопротивление кроссовера, которое «видит» усилитель на частоте раздела не изменяется и равняется сопротивлению головок Rн.

В случае «квазивторого» порядка, компоненты для последовательного фильтра находятся, как:
CQ2=C/Zeta (4)
LQ2= L*Zeta (5)
При Zeta=0.707, сопротивления емкости и индуктивности шунтирующих драйверы на прежней частоте раздела F0 синхронно снижаются и усилитель «видит» пониженное в 0.707 раз сопротивление. Однако, в силу «самобалансирующейся» природы последовательных кроссоверов фактическая частота раздела остается неизменной. Сумма напряжений выделяемых на наших драйверах будет, по прежнему, тождественно равна напряжению на выходе усилителя, а фактический спад АЧХ вне полосы прозрачности в этом случае достигает крутизны 9 дБ/октаву! При параметре Zeta=0.5, последовательный кроссовер еще глубже входит в зону резонанса последовательного контура, о котором упоминалось выше. Спад АЧХ достигает 12 дБ/октаву, что соответствует формально кроссоверу второго порядка, а сопротивление «видимое» усилителем снижается до половины Rн. К такому случаю следует отнестись крайне осторожно, при использовании не очень устойчивого усилителя, последний может войти в режим возбуждения!
При Zeta>1, мы перекрываем частоты раздела наших драйверов, сопротивление «видимое» усилителем становится выше Rн, а крутизна спада становится менее 6 дБ/октаву, что на практике фактически неприменимо. Однако, и в этом случае, результирующая суммарная АЧХ останется «гладкой».

Если бы мы попытались проделать подобный «трюк» с разнесением частоты раздела с «обычным» параллельным кроссовером, то на частоте раздела появился бы провал в суммарной АЧХ, а при перекрытии частот – пик.
В заключение, хочу упомянуть еще об одной разновидности «последовательных» кроссоверов, а именно о решении, запатентованном фирмой «DiAural» и используемом практически фирмой «Acoustic Reality» при изготовлении своих АС. Схема такого кроссовера для трех полосной АС показана на следующем рисунке.

Название: iz_posled_filtr_4.jpg
Просмотров: 8850

Размер: 8.2 Кб Рис.4

Идея кроссовера весьма остроумна, и по мнению «DiAural» примечательна тем, что позволяет избавится от главного зла «аудиофилов» - неидеальных в звуковом плане разделительных (и даже шунтирующих!) конденсаторов. Как видите, данный кроссовер вообще не содержит ни одного конденсатора! Расплатой за «аудиофильность» послужила неровная частотная характеристика импеданса такого кроссовера (сопротивление «видимое» усилителем растет с повышением частоты), крайне низкая крутизна спада АЧХ вне полосы пропускания (менее 6 дБ/октаву из-за паразитного влияния индуктивностей звуковых катушек), ну и практически полная беззащитность пищалок от постоянного напряжения (последнее, правда, характерно для всех последовательных кроссоверов).

Итак, «сухой остаток»: последовательные кроссоверы вполне заслуживают права на существование. Более того, их практическая реализация очень проста даже для начинающих «кроссоверостроителей», поскольку из-за своей самобалансирующейся природы они практически не критичны к отклонениям в номиналах элементов, и, фактически, при любом «раскладе» порадуют в результате гладкой АЧХ без выбросов и провалов. Кроме того, такие кроссоверы позволяют избавится от такого «зла» как разделительные проходные конденсаторы в цепях твитера, качество которых очень сильно влияет на звучание в обычных «параллельных» схемах. При близком размещении излучателей, такие кроссоверы демонстрируют очень хорошую интеграцию драйверов по звучанию из-за своей большей «фазовой» правильности в сравнении с «параллельными» оппонентами. К безусловным же недостаткам такого схемного решения следует отнести полное отсутствие защиты пищалки от постоянного напряжения на выходе, низкую крутизну среза таких фильтров, и определенные требования к качеству АЧХ и линейности импеданса используемых в составе АС драйверов.

Юренин Александр
23 апреля 2004 года.
Cobox вне форума   Ответить с цитированием Вверх
Старый 07.11.2010, 13:52   #2
sanjk
Супермодератор
 
Аватар для sanjk
 
Регистрация: 12.03.2007
Адрес: Вишнёвый
Сообщений: 765
Вы сказали Спасибо: 14
Поблагодарили 38 раз(а) в 30 сообщениях
Репутация: 75
По умолчанию Дополнения к теме о последовательных кроссоверах

Наткнулся на такую статью,
думаю будет полезна для дальнейшего обсуждения темы.

Последний раз редактировалось Cobox; 13.11.2010 в 19:48.
sanjk вне форума   Ответить с цитированием Вверх
Старый 02.07.2012, 01:08   #3
nik_on_off
Старейшина
 
Аватар для nik_on_off
 
Регистрация: 30.08.2008
Адрес: киев
Возраст: 56
Сообщений: 1,361
Вы сказали Спасибо: 77
Поблагодарили 59 раз(а) в 36 сообщениях
Репутация: 210
По умолчанию Re: Дополнения к теме о последовательных кроссоверах

еще немного...
второй порядок..
http://sound.westhost.com/parallel-series.htm#s20

Последний раз редактировалось nik_on_off; 02.07.2012 в 01:30.
nik_on_off вне форума   Ответить с цитированием Вверх
Ответ


Здесь присутствуют: 3 (пользователей: 0 , гостей: 3)
 

Ваши права в разделе
Вы не можете создавать новые темы
Вы не можете отвечать в темах
Вы не можете прикреплять вложения
Вы не можете редактировать свои сообщения

BB коды Вкл.
Смайлы Вкл.
[IMG] код Вкл.
HTML код Выкл.

Быстрый переход

Похожие темы
Тема Автор Раздел Ответов Последнее сообщение
TopDog-что за собака и с чем ее едят (ПРАВИЛА) antiradar dB Drag Racing 17 23.07.2013 21:53
Мифы и реальность о сечении кабеля. _kolenval Теория и точка зрения по SQ 28 21.05.2013 15:51
Война миров в мире DSP Сёма Теория и точка зрения по SQ 8 10.08.2012 18:31
Легенды и мифы «последовательных миров» или, что такое последовательный кроссовер (обсуждение) Cobox Теория и точка зрения по SQ 30 14.11.2010 08:33
что такое 2 и 4 ОМ!?! sinyagaev Белый шум 14 11.11.2010 09:33


Текущее время: 10:33. Часовой пояс GMT +2.


Перевод: zCarot
autozvuk.org ©