Всё об автозвуке

Вернуться   Всё об автозвуке > Незвуковые темы > Белый шум > Бытовая техника
Регистрация Новые сообщения Правила форума Справка Сообщество Календарь Поиск

Важная информация

Бытовая техника Обсуждаем, делимся опытом эксплуатации бытовой техники, фотоаппаратуры, компьютеров и т.д., и т.п.

 
 
Опции темы Опции просмотра
Старый 23.02.2013, 16:24   #1
d2max
Старейшина
 
Аватар для d2max
 
Регистрация: 25.08.2009
Адрес: Одесса
Возраст: 53
Сообщений: 679
Вы сказали Спасибо: 0
Поблагодарили 0 раз(а) в 0 сообщениях
Репутация: 201
По умолчанию Помогите победить фон в ламповом усилителе

здравствуйте, форумчане!
обращаюсь к вам за помощью.
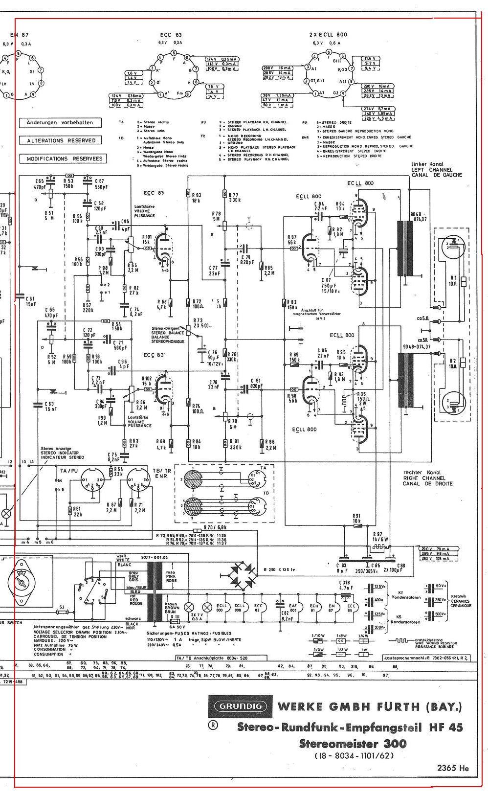
вдвоем с товарищем восстанавливаем усилительную часть лампового усилителя Grundig Stereomaster 300, выполненного на одной лампе 12AX7 и двух лампах ECLL800. фактически у нас в руках на момент восстановления была половина платы с 2-мя выходными трансформаторами, регуляторами темброблока, баланса и громкости.
сейчас все недостающие компоненты приобретены и установлены, усилитель работает и звучит очень даже прилично.
Но не удается устранить фон, фон наводится в темброблоке, в районе регулятора громкости, при РГ в минимум фон отсутствует.
если есть мысли по решению этой проблемы или типовые решения, прошу поделиться.
Миниатюры
Нажмите на изображение для увеличения
Название: Фото-0061.jpg
Просмотров: 2536
Размер:	354.0 Кб
ID:	26127   Нажмите на изображение для увеличения
Название: ST300.jpg
Просмотров: 2714
Размер:	303.3 Кб
ID:	26126  

Нажмите на изображение для увеличения
Название: Фото-0062.jpg
Просмотров: 2438
Размер:	302.9 Кб
ID:	26128  
d2max вне форума   Ответить с цитированием Вверх
 


Здесь присутствуют: 1 (пользователей: 0 , гостей: 1)
 

Ваши права в разделе
Вы не можете создавать новые темы
Вы не можете отвечать в темах
Вы не можете прикреплять вложения
Вы не можете редактировать свои сообщения

BB коды Вкл.
Смайлы Вкл.
[IMG] код Вкл.
HTML код Выкл.

Быстрый переход

Похожие темы
Тема Автор Раздел Ответов Последнее сообщение
Помогите победить быдло ! inst Белый шум 23 09.07.2013 19:46
При включении выгорают преды на усилителе VoK Бюджетный автозвук и песочница. 7 10.05.2012 10:02
Свист в усилителе siogabiker1 Бюджетный автозвук и песочница. 6 08.03.2012 13:12
Как победить focal PolyGlass BLAGO Практика по SQ 17 03.07.2011 02:13
ПОМОГИТЕ Роман Бюджетный автозвук и песочница. 0 12.02.2010 17:15


Текущее время: 21:32. Часовой пояс GMT +2.


Перевод: zCarot
autozvuk.org ©