Всё об автозвуке

Вернуться   Всё об автозвуке > Незвуковые темы > Белый шум
Регистрация Новые сообщения Правила форума Справка Сообщество Календарь Поиск

Важная информация

Белый шум Общение на незвуковые темы

Ответ
 
Опции темы Опции просмотра
Старый 24.09.2016, 16:58   #1
Olddad
ЗЛЮЩИЙ АДМИН
 
Аватар для Olddad
 
Регистрация: 09.03.2007
Адрес: Киев
Возраст: 68
Сообщений: 5,777
Вы сказали Спасибо: 8
Поблагодарили 68 раз(а) в 41 сообщениях
Репутация: Olddad отключил(а) отображение уровня репутации
По умолчанию LED лампы в квартиру.Что, почем и как?

21-й век на дворе, кто уже озаботился сменой ламп дома на светодиодные?
Какие покупать, где, на что обращать внимание? Рекомендованные производители?
Olddad вне форума   Ответить с цитированием Вверх
Старый 24.09.2016, 19:41   #2
*AleX*
 
Аватар для *AleX*
 
Регистрация: 29.11.2008
Адрес: Kiev
Возраст: 43
Сообщений: 271
Вы сказали Спасибо: 16
Поблагодарили 1 раз в 1 сообщении
Репутация: 35
По умолчанию Re: LED лампы в квартиру.Что, почем и как?

В старой квартире все лампы поменял на диодные ещё 3 года назад. За это время, при очень активном использовании (однокомнатная квартира, так что свет постоянно включается выключается во всех "комнатах") умерла всего одна диодная лампа Максус и то в самодельном светильнике для аквариума. Т.е. она постоянно работала во влажной среде (покрылась полностью "накипью"). Ещё в той квартире покупал и ставил Евроламп (продавец у которого покупал всё говорил что они даже чуть получше будут).

В новой квартире сразу ставил везде диодные. Сейчас небольшой "зоопарк":
- 60% Максус.
- 10% Евроламп
- 10% Филипс (где-то под акцию попались)
- 20% Lexman или как-то так (торговая марка ЛеруаМерлена).

Покупал опытным путём. Для себя выводы сделал такие:
- Больше Максус потому что были акции + распродажи + раньше они не подводили вообще. Сейчас говорят Максус сдал... Но я давно не покупал.
- Lexman самы дешёвые но явно не дотягивают до заявленной яркости. Везде в стратегических местах поменял на Максус или Филипс. Оставил на балконе и там где не нужна сильная яркость. Часть забрал на дачу отцу в сараи, погреб и гараж. Но очень дёшево было + пока не умерла ни одна.
- Филипс - не хуже ни лучше Максуса как по мне. Купил потому что была акция на комплект.
- Евроламп - говорят чем-то лучше Максуса - но найти отличия я не смог. На них меньше "акций" и чуть дороже тогоже Максуса.

Сейчас куча всяких китайцев есть. Мне пару раз в Фейсбуке вылазила реклама какой-то конторы, которая продавала оптом Диодные лампы (явно китай). Очень дёшево + если даже если чуть менее яркие оказались бы, чем заявленные - меня бы устроило. Уже хотел заказать но не было одного типа лампочек - в итоге забил.
Есть ещё какой-то бренд новый в Ашане и Сильпо продают. Тоже дешевле чем Максус и вроде неплохо светят (тёще с тестем купил 2 лампы - аналог 60 и 75Вт) - они довольны.
По слухам (знакомый рассказывал) самые правдивые в плане показателей яркости и качества продукции - Осрам. Но они и наверно самые дорогие (по крайней мере были дороже остальных).

И ещё из того что вспомнил - Диодные лампы не любят (или даже не работают) если стоят плавные выключатели света (или как их там правильно назвать?). Но лично я не пробовал, а знакомы йтверждал что у него какая-то диодная лампа довольно долго продержалась

Последний раз редактировалось *AleX*; 24.09.2016 в 19:50.
*AleX* вне форума   Ответить с цитированием Вверх
Старый 24.09.2016, 20:01   #3
Gres
 
Аватар для Gres
 
Регистрация: 22.12.2008
Адрес: Днепр
Возраст: 45
Сообщений: 377
Вы сказали Спасибо: 0
Поблагодарили 0 раз(а) в 0 сообщениях
Репутация: 34
По умолчанию Re: LED лампы в квартиру.Что, почем и как?

Максус стоят полгода. Пока нормально. Брал ещё какие-то китайские с гарантией 3 года. Светят также, стоят меньше максуса. Думаю пофиг какая фирма - все в Китае делают, главное гарантия и чтоб в крупной сети продавались, а то через 3 года может и некуда будет нести сгоревшую лампочку.
Gres вне форума   Ответить с цитированием Вверх
Старый 24.09.2016, 23:05   #4
Gdnua
 
Аватар для Gdnua
 
Регистрация: 30.09.2009
Адрес: Dortmund
Возраст: 45
Сообщений: 674
Вы сказали Спасибо: 11
Поблагодарили 18 раз(а) в 18 сообщениях
Репутация: 49
По умолчанию Re: LED лампы в квартиру.Что, почем и как?

Отработали 3 или 4 года максимус 15 шт не сгорела ниодна.Когда покупал продавец(свой человек)сказал что их практически не возвращают.Из сотни одну штуку и скорей всего это заводской брак.
Кстати если стоит регулятор света то его придётся поменять на обычный выключатель.

Последний раз редактировалось Gdnua; 24.09.2016 в 23:16.
Gdnua вне форума   Ответить с цитированием Вверх
Старый 24.09.2016, 23:23   #5
sharkov
 
Аватар для sharkov
 
Регистрация: 26.02.2009
Адрес: Луганск
Возраст: 46
Сообщений: 287
Вы сказали Спасибо: 22
Поблагодарили 7 раз(а) в 7 сообщениях
Репутация: 44
Отправить сообщение для sharkov с помощью ICQ Отправить сообщение для sharkov с помощью Skype™
По умолчанию Re: LED лампы в квартиру.Что, почем и как?

В кухне стоят Максус уже 3года по 5Вт, в ванной так же 3года Евроламп по 9Вт, все эти лампы рефлекторные, работают отлично вообще нет вопросов, даже на выключателе с диодом работают отлично, ничего не мигает и не светится
А вот есть еще G5 помоему так называется Максус 5,5Вт так же 3года, так одна сгорела, но также при выключателе на светодиоде ничего не мигает
Месяц назад поставил в комнате китайские, уже не помню бренд, пока работают, но пришлось отключить светодод с выключателя, т.к. одна лампочка светилась немного
Для себя определил кухня, ванна: яркий, "больничный" цвет 4000К, спальня, зал, теплый, мягкий 2700К
sharkov вне форума   Ответить с цитированием Вверх
Старый 25.09.2016, 12:36   #6
nik_on_off
Старейшина
 
Аватар для nik_on_off
 
Регистрация: 30.08.2008
Адрес: киев
Возраст: 56
Сообщений: 1,361
Вы сказали Спасибо: 77
Поблагодарили 59 раз(а) в 36 сообщениях
Репутация: 210
По умолчанию Re: LED лампы в квартиру.Что, почем и как?

Производители пофиг... это лотерея, повезет-не повезет.
Главное чтобы тебе нравился цвет. На мой плебейский вкус в люстре должно быть 50/50 холодных и теплых ламп, тогда это месиво наименее противно для глаза...

з.ы. Если это типа "для экономии" то обычные энергосберегайки рулят... а если еще отключить бойлер на пару дней то вааще озолотишься
nik_on_off вне форума   Ответить с цитированием Вверх
Старый 25.09.2016, 12:59   #7
Olddad
ЗЛЮЩИЙ АДМИН
 
Аватар для Olddad
 
Регистрация: 09.03.2007
Адрес: Киев
Возраст: 68
Сообщений: 5,777
Вы сказали Спасибо: 8
Поблагодарили 68 раз(а) в 41 сообщениях
Репутация: Olddad отключил(а) отображение уровня репутации
По умолчанию Re: LED лампы в квартиру.Что, почем и как?

Цитата:
Сообщение от nik_on_off Посмотреть сообщение
Производители пофиг... это лотерея, повезет-не повезет.
Главное чтобы тебе нравился цвет. На мой плебейский вкус в люстре должно быть 50/50 холодных и теплых ламп, тогда это месиво наименее противно для глаза...

з.ы. Если это типа "для экономии" то обычные энергосберегайки рулят... а если еще отключить бойлер на пару дней то вааще озолотишься
С цветом я давно определился, - 4000. Экономия на диодных навелика, но энергосберегайки уже уходят с рынка, надо переходить на диоды.
Olddad вне форума   Ответить с цитированием Вверх
Старый 25.09.2016, 13:12   #8
nik_on_off
Старейшина
 
Аватар для nik_on_off
 
Регистрация: 30.08.2008
Адрес: киев
Возраст: 56
Сообщений: 1,361
Вы сказали Спасибо: 77
Поблагодарили 59 раз(а) в 36 сообщениях
Репутация: 210
По умолчанию Re: LED лампы в квартиру.Что, почем и как?

Цитата:
Сообщение от Olddad Посмотреть сообщение
надо переходить на диоды.
кому надо?
шя в тренде лампы Эдисона, а диоды то все от лукавого...
nik_on_off вне форума   Ответить с цитированием Вверх
Старый 25.09.2016, 13:47   #9
Nos music
 
Аватар для Nos music
 
Регистрация: 15.01.2010
Адрес: Киев
Сообщений: 1,608
Вы сказали Спасибо: 26
Поблагодарили 26 раз(а) в 16 сообщениях
Репутация: 401
Отправить сообщение для Nos music с помощью Skype™
По умолчанию Re: LED лампы в квартиру.Что, почем и как?

Цитата:
Сообщение от Olddad Посмотреть сообщение
21-й век на дворе, кто уже озаботился сменой ламп дома на светодиодные?
Какие покупать, где, на что обращать внимание? Рекомендованные производители?
Поменял себе больше года назад все лампочки.
Брал сугубо ОSRAM ( ну скидка есть на такой продукт )

Добавлено через 7 минут
Цитата:
Сообщение от nik_on_off Посмотреть сообщение
кому надо?
шя в тренде лампы Эдисона, а диоды то все от лукавого...
Только они пока светят так себе

Последний раз редактировалось Nos music; 25.09.2016 в 13:55. Причина: Добавлено сообщение
Nos music вне форума   Ответить с цитированием Вверх
Старый 26.09.2016, 00:14   #10
Fender
 
Аватар для Fender
 
Регистрация: 14.04.2011
Адрес: Харьков
Сообщений: 92
Вы сказали Спасибо: 2
Поблагодарили 0 раз(а) в 0 сообщениях
Репутация: 9
По умолчанию Re: LED лампы в квартиру.Что, почем и как?

Ну вообще то эдисоны это интерьерные лампы, у многих производителей называются винтаж. Кто подскажет есть ли адекватная по яркости и направлению света диодная в формате G4?
Fender вне форума   Ответить с цитированием Вверх
Старый 26.09.2016, 11:36   #11
Halin
Старейшина
 
Аватар для Halin
 
Регистрация: 12.04.2007
Адрес: Львов
Сообщений: 554
Вы сказали Спасибо: 15
Поблагодарили 106 раз(а) в 41 сообщениях
Репутация: 272
По умолчанию Re: LED лампы в квартиру.Что, почем и как?

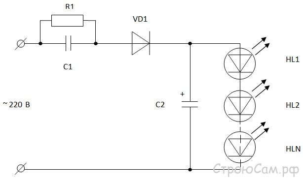
Немного и кратко технической информации.
Есть дорогие лампочки LED - Максус, Евроламп и т.д, а есть дешевые лампочки.
Как устроена хорошая лампа LED, 1 фото.
Схема примерно такая, 2 фото
Драйвера таких ламп работают на частоте в среднем 40-60 кГц, стабильность и пульсации светового потока 1-2%.

Схема дешевых лампочек примерно такая, как на фото 3.
Драйвер у таких лампочек – обычный балласт на конденсаторе...
Стабильность и пульсации светового потока (в зависимости от емкости сглаживающего конденсатора) составляют 20-90%.

В зависимости от предназначения помещения максимально допустимые пульсации от 10 до 20%. Для справки - обычная лампа накаливания имеет пульсацию светового потока от 3 до 15% в зависимости от мощности (чем мощнее лампа, тем пульсации меньше). Все таки дома лучше иметь лампочки с минимальными пульсациями светового потока (50-100Гц) .. не больше 5%. При питании источников света током частотой 300 Гц и выше, глубина пульсации не имеет значения, так как на эту частоту мозг не реагирует.

Для "экстремалов" - если нужна лампа с низким уровнем мерцания, ищите на коробочке LED лампы надпись «dimmable».
Но как уже написано выше: любая LED лампочка с драйвером, который работает на частоте больше 300 Гц - нам подходит.

Про сам спектр излучения LED лампами - чуть позже.
Миниатюры
Нажмите на изображение для увеличения
Название: LED нормал1.png
Просмотров: 969
Размер:	510.9 Кб
ID:	64183   Нажмите на изображение для увеличения
Название: led_driver.jpg
Просмотров: 999
Размер:	83.2 Кб
ID:	64184  

Нажмите на изображение для увеличения
Название: led-china-8.jpg
Просмотров: 980
Размер:	22.9 Кб
ID:	64185  
Halin вне форума   Ответить с цитированием Вверх
Старый 26.09.2016, 16:35   #12
Serg_DCS
 
Аватар для Serg_DCS
 
Регистрация: 10.04.2010
Адрес: Днiпро
Сообщений: 470
Вы сказали Спасибо: 0
Поблагодарили 17 раз(а) в 10 сообщениях
Репутация: 109
По умолчанию Re: LED лампы в квартиру.Что, почем и как?

Цитата:
Сообщение от nik_on_off Посмотреть сообщение

з.ы. Если это типа "для экономии" то обычные энергосберегайки рулят... а если еще отключить бойлер на пару дней то вааще озолотишься




Как по мне,пока рано......считал экономию, чуть калькулятор не стёр.А если учесть ещё и ресурс светодиодных ламп.........Когда сравняются по цене с енергосберегайками тогда пора......ИМХО.

Последний раз редактировалось Serg_DCS; 26.09.2016 в 16:39.
Serg_DCS вне форума   Ответить с цитированием Вверх
Старый 26.09.2016, 16:44   #13
*AleX*
 
Аватар для *AleX*
 
Регистрация: 29.11.2008
Адрес: Kiev
Возраст: 43
Сообщений: 271
Вы сказали Спасибо: 16
Поблагодарили 1 раз в 1 сообщении
Репутация: 35
По умолчанию Re: LED лампы в квартиру.Что, почем и как?

Цитата:
Сообщение от nik_on_off Посмотреть сообщение
энергосберегайки
Поясните толком - имеются в виду люминисцентные лампы? Если да то хорошие люминисцентные стоят каплю меньше диодных. По потреблению походу они минимум в 2 раза менее экономные... А по надёжности так и подавно (проверенно неоднократно на тех же Максус).
Или я что-то не так понял?
*AleX* вне форума   Ответить с цитированием Вверх
Старый 26.09.2016, 17:14   #14
dom1n1c
 
Аватар для dom1n1c
 
Регистрация: 08.05.2013
Адрес: Одесса
Сообщений: 104
Вы сказали Спасибо: 0
Поблагодарили 0 раз(а) в 0 сообщениях
Репутация: 8
По умолчанию Re: LED лампы в квартиру.Что, почем и как?

В Эпицентре была акция, лампы LED 12W от фирмы Eurolamp, в упаковке от Эпицентре.
По 42.75 грн, эпицентр совместно с другими спонсорами купили их у завода без упаковок и упаковали в свои, из за этого они намного дешевле брендированой.

Светят отлично!! Недавно были скачки напряжения, лампы обычные и старые экономки мерцали, а эти нет.
Поменял почти все в квартире, после этого все друзья ещё штук 50 в общем купили, проблем ни у кого не возникло.

Еденственное что они очень яркие, для таких люстр у которых лампы вниз без закрытого плафона, будет слепить 12W - 100W обычной.
Для закрытых или которые смотрят вверх, то что нужно
dom1n1c вне форума   Ответить с цитированием Вверх
Старый 26.09.2016, 19:35   #15
Gres
 
Аватар для Gres
 
Регистрация: 22.12.2008
Адрес: Днепр
Возраст: 45
Сообщений: 377
Вы сказали Спасибо: 0
Поблагодарили 0 раз(а) в 0 сообщениях
Репутация: 34
По умолчанию Re: LED лампы в квартиру.Что, почем и как?

Цитата:
Сообщение от Serg_DCS Посмотреть сообщение
обычные энергосберегайки рулят.
Это с газом вредным которые? Что не утилизируются никак в нашей стране? И чем они лучше светодиодных? У последних экономичность выше и безопасность для окружающей среды в комплекте. А что там считать экономию? В уме можно сосчитать. Вместо 60 Вт, будете тратить 6 ( еще и 3 года гарантия на лампы, а обычные умрут через месяц).
Gres вне форума   Ответить с цитированием Вверх
Старый 26.09.2016, 20:10   #16
Olddad
ЗЛЮЩИЙ АДМИН
 
Аватар для Olddad
 
Регистрация: 09.03.2007
Адрес: Киев
Возраст: 68
Сообщений: 5,777
Вы сказали Спасибо: 8
Поблагодарили 68 раз(а) в 41 сообщениях
Репутация: Olddad отключил(а) отображение уровня репутации
По умолчанию Re: LED лампы в квартиру.Что, почем и как?

Да не в экономии дело. Разница у энергосберегаек и диодных максимум вдвое. Вопрос в том, что сгоревшие лампы уже нет смысла менять на такие же, целесообразнее переходить на ЛЕДы. Тут экономия будет не настолько заметна как при переходе с ламп накаливания на энергосберегайки (в 5 раз!)
Вопрос в том, чтобы не нарываться на откровенное говно.
Olddad вне форума   Ответить с цитированием Вверх
Старый 26.09.2016, 20:35   #17
Fender
 
Аватар для Fender
 
Регистрация: 14.04.2011
Адрес: Харьков
Сообщений: 92
Вы сказали Спасибо: 2
Поблагодарили 0 раз(а) в 0 сообщениях
Репутация: 9
По умолчанию Re: LED лампы в квартиру.Что, почем и как?

[QUOTE=dom1n1c;345724]В Эпицентре была акция, лампы LED 12W от фирмы Eurolamp, в упаковке от Эпицентре.
По 42.75 грн, эпицентр совместно с другими спонсорами купили их у завода без упаковок и упаковали в свои, из за этого они намного дешевле брендированой.

Светят отлично

Сколько люменов у них? Какой цоколь? У меня большинство ламп с цоколем Ж4 и 7 см палочки галогенки 150Вт. Халин правильно начал описывать лэды, исходя из этого пока еще нормальных лэдов с маленькими цоколями Ж4 и 7С с нормальными драйверами, охлаждением, люменами и мерцанием не вижу.

И еще прикол на лэдах хрусталь "не играет")

Последний раз редактировалось Fender; 26.09.2016 в 20:39.
Fender вне форума   Ответить с цитированием Вверх
Старый 26.09.2016, 21:31   #18
nik_on_off
Старейшина
 
Аватар для nik_on_off
 
Регистрация: 30.08.2008
Адрес: киев
Возраст: 56
Сообщений: 1,361
Вы сказали Спасибо: 77
Поблагодарили 59 раз(а) в 36 сообщениях
Репутация: 210
По умолчанию Re: LED лампы в квартиру.Что, почем и как?

Цитата:
Сообщение от *AleX* Посмотреть сообщение
Поясните толком - имеются в виду люминисцентные лампы? Если да то хорошие люминисцентные стоят каплю меньше диодных. По потреблению походу они минимум в 2 раза менее экономные... А по надёжности так и подавно (проверенно неоднократно на тех же Максус).
Или я что-то не так понял?
Да, люминесцентные лампы.
Цену на диодные лампы держали года три, а щяз смекнули, что лохов в стране всё меньше и меньше и цену ощутимо уронили
По надежности шана им одна, поверьте, я ставлю их не мало, и лэд и люминесцентных. Они либо живут очень долго либо мрут сразу.
По экономичности... Что значит "в 2 раза менее экономные"??
Что с чем сравниваем?

накаливания........люминесцентная.........диодная
.......100 .........................20....................... .12.....
..................................экономия Вт/ч....................
...........0.......................... 80........................88....

Копейки по своему тарифу подставьте сами


Цитата:
Сообщение от Olddad Посмотреть сообщение
Вопрос в том, чтобы не нарываться на откровенное говно.
Евроламп, Максус

Последний раз редактировалось nik_on_off; 26.09.2016 в 21:55.
nik_on_off вне форума   Ответить с цитированием Вверх
Старый 26.09.2016, 22:06   #19
*AleX*
 
Аватар для *AleX*
 
Регистрация: 29.11.2008
Адрес: Kiev
Возраст: 43
Сообщений: 271
Вы сказали Спасибо: 16
Поблагодарили 1 раз в 1 сообщении
Репутация: 35
По умолчанию Re: LED лампы в квартиру.Что, почем и как?

Я оспаривать вопросы целесообразности покупки диодов и экономической состовляющей не буду.
Просто из личного опыта:
За год использования (подвесной потолок на кухне), из 7 люминисцентных ламп Е14 цоколя было заменено 3 (на такие же). Потом начал менять на диодные и в течении ещё полугода поменял все 7 (рабочими остались 3 или 4 из 10).
В спальне в люстре, вроде бы качественные люминисцентные Осрамы протянули примерно 2 года, потом начали умирать одна за одной.
После замены всех ламп на диодные (Максус и Евроламп, т.е. не дешёвые), в течении 3 лет проблем не было.
И ещё один как по мне "+" диодных - они не мигают и зажигаются мгновенно, а не разгораются как экономки.
Ну и с утилизацией люминисцентных ламп тоже проблематично.
*AleX* вне форума   Ответить с цитированием Вверх
Старый 26.09.2016, 22:31   #20
nik_on_off
Старейшина
 
Аватар для nik_on_off
 
Регистрация: 30.08.2008
Адрес: киев
Возраст: 56
Сообщений: 1,361
Вы сказали Спасибо: 77
Поблагодарили 59 раз(а) в 36 сообщениях
Репутация: 210
По умолчанию Re: LED лампы в квартиру.Что, почем и как?

*AleX*, по моим многолетним наблюдениям лампочки ( если их не разбили) мрут из-за патронов.
В хреновом китайском патроне лампа накаливания дохнет за две недели, энергосберегайка живет от полгода до года, лед живет дольше... и только лишь из-за разной температуры цоколя.
В чыста нимецьком патроне одна лампа накаливания у меня в коридоре прослужила 11лет
nik_on_off вне форума   Ответить с цитированием Вверх
Ответ


Здесь присутствуют: 1 (пользователей: 0 , гостей: 1)
 

Ваши права в разделе
Вы не можете создавать новые темы
Вы не можете отвечать в темах
Вы не можете прикреплять вложения
Вы не можете редактировать свои сообщения

BB коды Вкл.
Смайлы Вкл.
[IMG] код Вкл.
HTML код Выкл.

Быстрый переход

Похожие темы
Тема Автор Раздел Ответов Последнее сообщение
(прочее) Неоновые лампы nofeer Аксессуары, кроссоверы и прочее... 0 30.04.2012 12:05
Порадьте зволожувач (увлажнитель,ионизатор)в квартиру dzuba1987 Белый шум 7 17.02.2012 22:02
Добросовестные инсталляторы. Кто, где и почем? Olddad Практика по SQ 25 03.12.2011 23:26
Сниму квартиру в Киеве (или помогите с риелтором) Secur Белый шум 0 12.10.2011 16:07
Ох уж эти лампы... omel Практика по SQ 15 01.10.2010 12:56


Текущее время: 21:35. Часовой пояс GMT +2.


Перевод: zCarot
autozvuk.org ©