Всё об автозвуке

Вернуться   Всё об автозвуке > Новичкам > Бюджетный автозвук и песочница.
Регистрация Новые сообщения Правила форума Справка Сообщество Календарь Поиск

Важная информация

Бюджетный автозвук и песочница. Раздел для новичков и тех, кто хочет пострроить простенькую аудиосистему с минимальными затратами.

Ответ
 
Опции темы Опции просмотра
Старый 12.09.2012, 10:48   #1
bosyak
 
Аватар для bosyak
 
Регистрация: 28.01.2012
Адрес: Хмельницкий
Возраст: 34
Сообщений: 65
Вы сказали Спасибо: 0
Поблагодарили 0 раз(а) в 0 сообщениях
Репутация: 7
По умолчанию ремонт твистер 2-300

погоріли виходні транзюки... маркеровка chn539 шо це за звері підскажіть... і на шо їх можна замінити
bosyak вне форума   Ответить с цитированием Вверх
Старый 13.09.2012, 15:57   #2
bosyak
 
Аватар для bosyak
 
Регистрация: 28.01.2012
Адрес: Хмельницкий
Возраст: 34
Сообщений: 65
Вы сказали Спасибо: 0
Поблагодарили 0 раз(а) в 0 сообщениях
Репутация: 7
По умолчанию Re: ремонт твистер 2-300

ошибся я..... бистрим просмотром це польовики в бп.... і це 60nf06 тепер цікавлять номінали резисторів 7,8,9,10 бо їх позривало і схеми неможу найти..... може в кого є данний усілітель подивіться пліз
bosyak вне форума   Ответить с цитированием Вверх
Старый 15.09.2012, 10:06   #3
SOVA
Старейшина
 
Аватар для SOVA
 
Регистрация: 21.09.2007
Адрес: Киев
Возраст: 57
Сообщений: 1,446
Вы сказали Спасибо: 128
Поблагодарили 422 раз(а) в 191 сообщениях
Репутация: 628
По умолчанию Re: ремонт твистер 2-300

Если это мощные резисторы на выходах, то их сопротивление о,1 - 0,15 Ом. Но будь очень осторожен при включении! Без определённых проверок и настроек может запросто снова погореть. Лучше обратиться к специалисту.
SOVA вне форума   Ответить с цитированием Вверх
Старый 15.09.2012, 10:18   #4
bosyak
 
Аватар для bosyak
 
Регистрация: 28.01.2012
Адрес: Хмельницкий
Возраст: 34
Сообщений: 65
Вы сказали Спасибо: 0
Поблагодарили 0 раз(а) в 0 сообщениях
Репутация: 7
По умолчанию Re: ремонт твистер 2-300

це резюки в ветках затворів...... добрі люди подивилися..... sg3525 тоже жива ;діоди після переобразователя тоже..... усь включається і в защіту не йде а горить зеленим ..... тобіш повилітали тільки транзістори в бп і резістори в їхніх затворах..... цей усь іграв на длс х12 а там 2 катушки в паралель по 3 ома тобіш менше 2 ом получається може того і невитримав бп... більше нічого незнаю шо з ним було до цего, достався він мені безвозмездно в такому стані
bosyak вне форума   Ответить с цитированием Вверх
Старый 15.09.2012, 10:23   #5
SOVA
Старейшина
 
Аватар для SOVA
 
Регистрация: 21.09.2007
Адрес: Киев
Возраст: 57
Сообщений: 1,446
Вы сказали Спасибо: 128
Поблагодарили 422 раз(а) в 191 сообщениях
Репутация: 628
По умолчанию Re: ремонт твистер 2-300

Цитата
Сообщение от bosyak Посмотреть сообщение
це резюки в ветках затворів...... добрі люди подивилися..... sg3525 тоже жива ;діоди після переобразователя тоже..... усь включається і в защіту не йде а горить зеленим ..... тобіш повилітали тільки транзістори в бп і резістори в їхніх затворах..... цей усь іграв на длс х12 а там 2 катушки в паралель по 3 ома тобіш менше 2 ом получається може того і невитримав бп... більше нічого незнаю шо з ним було до цего, достався він мені безвозмездно в такому стані
Резисторы в затворах полевиков обычно по 75 Ом.
SOVA вне форума   Ответить с цитированием Вверх
Старый 15.09.2012, 11:13   #6
bosyak
 
Аватар для bosyak
 
Регистрация: 28.01.2012
Адрес: Хмельницкий
Возраст: 34
Сообщений: 65
Вы сказали Спасибо: 0
Поблагодарили 0 раз(а) в 0 сообщениях
Репутация: 7
По умолчанию Re: ремонт твистер 2-300

хм странно а мені сказали 750 стоїть а 750 бути неможе ?
bosyak вне форума   Ответить с цитированием Вверх
Старый 15.09.2012, 11:33   #7
bosyak
 
Аватар для bosyak
 
Регистрация: 28.01.2012
Адрес: Хмельницкий
Возраст: 34
Сообщений: 65
Вы сказали Спасибо: 0
Поблагодарили 0 раз(а) в 0 сообщениях
Репутация: 7
По умолчанию Re: ремонт твистер 2-300

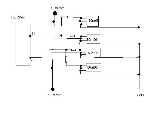
вот намалював схемку проблемного участка
Миниатюры
Нажмите на изображение для увеличения
Название: Точечный рисунок.JPG
Просмотров: 1187
Размер:	15.6 Кб
ID:	21958  
bosyak вне форума   Ответить с цитированием Вверх
Старый 15.09.2012, 13:43   #8
AlexMonacor
Без лимитов в коммерческих объявлениях
 
Аватар для AlexMonacor
 
Регистрация: 24.11.2008
Адрес: Киев ιl.ιllιlι
Возраст: 51
Сообщений: 2,336
Вы сказали Спасибо: 36
Поблагодарили 84 раз(а) в 67 сообщениях
Репутация: 412
Отправить сообщение для AlexMonacor с помощью ICQ Отправить сообщение для AlexMonacor с помощью Skype™
По умолчанию Re: ремонт твистер 2-300

Вот аналогичный БП:
http://radiokot.ru/forum/download/fi...e423719d3532b5
AlexMonacor вне форума   Ответить с цитированием Вверх
Старый 15.09.2012, 18:47   #9
antiradar
Старейшина
 
Аватар для antiradar
 
Регистрация: 21.01.2008
Адрес: Kiev
Возраст: 39
Сообщений: 1,005
Вы сказали Спасибо: 6
Поблагодарили 65 раз(а) в 52 сообщениях
Репутация: 142
Отправить сообщение для antiradar с помощью ICQ
По умолчанию Re: ремонт твистер 2-300

Цитата
Сообщение от Alex.z Посмотреть сообщение
Вот аналогичный БП:
http://radiokot.ru/forum/download/fi...e423719d3532b5
Не аналогичный. Тут стоят еще транзисторы Q1, Q2,Q3,Q4 для усиления тока
А вот аналогичный.


По схеме видно что там никак не 750 ом...
antiradar вне форума   Ответить с цитированием Вверх
Старый 15.09.2012, 18:56   #10
bosyak
 
Аватар для bosyak
 
Регистрация: 28.01.2012
Адрес: Хмельницкий
Возраст: 34
Сообщений: 65
Вы сказали Спасибо: 0
Поблагодарили 0 раз(а) в 0 сообщениях
Репутация: 7
По умолчанию Re: ремонт твистер 2-300

по схемі похожий але транзістори не ті....
bosyak вне форума   Ответить с цитированием Вверх
Старый 15.09.2012, 19:02   #11
AlexMonacor
Без лимитов в коммерческих объявлениях
 
Аватар для AlexMonacor
 
Регистрация: 24.11.2008
Адрес: Киев ιl.ιllιlι
Возраст: 51
Сообщений: 2,336
Вы сказали Спасибо: 36
Поблагодарили 84 раз(а) в 67 сообщениях
Репутация: 412
Отправить сообщение для AlexMonacor с помощью ICQ Отправить сообщение для AlexMonacor с помощью Skype™
По умолчанию Re: ремонт твистер 2-300

Братан, ставь указанные резисторы в последней схеме и не парься
или к мастеру неси
AlexMonacor вне форума   Ответить с цитированием Вверх
Старый 15.09.2012, 19:05   #12
bosyak
 
Аватар для bosyak
 
Регистрация: 28.01.2012
Адрес: Хмельницкий
Возраст: 34
Сообщений: 65
Вы сказали Спасибо: 0
Поблагодарили 0 раз(а) в 0 сообщениях
Репутация: 7
По умолчанию Re: ремонт твистер 2-300

до мастера не піду.... хочеться з чимось по.....ся уся не жалко всеодно шаровий....... а вобше яку вони роль іграють ті резістори ограніченіє тока чи ефект міллера ?

Добавлено через 3 минуты
найшов схему 190 твістера.... там по одному в плечі і резістор 182 ома хз шось мені кажеця шо там шо 75 ом шо 750 ролі не зіграє ))) поставлю на 750 і попробую всьотаки людина сказала шо в йогго твістері на 750 стоять з завода

Последний раз редактировалось bosyak; 15.09.2012 в 19:08. Причина: Добавлено сообщение
bosyak вне форума   Ответить с цитированием Вверх
Старый 15.09.2012, 19:19   #13
радио
 
Аватар для радио
 
Регистрация: 29.05.2012
Адрес: Херсон
Возраст: 48
Сообщений: 1,029
Вы сказали Спасибо: 0
Поблагодарили 0 раз(а) в 0 сообщениях
Репутация: 128
По умолчанию Re: ремонт твистер 2-300

Цитата
Сообщение от bosyak Посмотреть сообщение
по схемі похожий але транзістори не ті....
Босяк, твоя схема пост №8, схема поста №9 немного отличается по номерам сопротивлений
П.С. я голосую за номінали резисторів 7,8,9,10 = 6.8 ом! (их замена 7.5 ом)

Последний раз редактировалось радио; 15.09.2012 в 19:55.
радио вне форума   Ответить с цитированием Вверх
Старый 15.09.2012, 21:37   #14
bosyak
 
Аватар для bosyak
 
Регистрация: 28.01.2012
Адрес: Хмельницкий
Возраст: 34
Сообщений: 65
Вы сказали Спасибо: 0
Поблагодарили 0 раз(а) в 0 сообщениях
Репутация: 7
По умолчанию Re: ремонт твистер 2-300

вобшем кинув по одному польовику в плече через резістор 680 ом працює вже 40 хвилин в щадящому режимі..... незнаю тепер шо робити міняти резістори чи не.... кстаті твістер на сч вч г,,,, редкосне..... нч його удел
bosyak вне форума   Ответить с цитированием Вверх
Старый 20.09.2012, 22:06   #15
colleague
 
Аватар для colleague
 
Регистрация: 15.07.2009
Адрес: Донецк
Сообщений: 195
Вы сказали Спасибо: 0
Поблагодарили 16 раз(а) в 10 сообщениях
Репутация: 40
По умолчанию Re: ремонт твистер 2-300

bosyak,
Смотри родную схему, не мучайся
Миниатюры
Нажмите на изображение для увеличения
Название: f2-300_cr.jpg
Просмотров: 1620
Размер:	61.7 Кб
ID:	22091  
colleague вне форума   Ответить с цитированием Вверх
Старый 21.09.2012, 08:55   #16
SOVA
Старейшина
 
Аватар для SOVA
 
Регистрация: 21.09.2007
Адрес: Киев
Возраст: 57
Сообщений: 1,446
Вы сказали Спасибо: 128
Поблагодарили 422 раз(а) в 191 сообщениях
Репутация: 628
По умолчанию Re: ремонт твистер 2-300

А я что говорил?
SOVA вне форума   Ответить с цитированием Вверх
Старый 24.09.2012, 09:35   #17
bosyak
 
Аватар для bosyak
 
Регистрация: 28.01.2012
Адрес: Хмельницкий
Возраст: 34
Сообщений: 65
Вы сказали Спасибо: 0
Поблагодарили 0 раз(а) в 0 сообщениях
Репутация: 7
По умолчанию Re: ремонт твистер 2-300

вот я баран спасибо всем будем менять sg3525
bosyak вне форума   Ответить с цитированием Вверх
Ответ


Здесь присутствуют: 1 (пользователей: 0 , гостей: 1)
 

Ваши права в разделе
Вы не можете создавать новые темы
Вы не можете отвечать в темах
Вы не можете прикреплять вложения
Вы не можете редактировать свои сообщения

BB коды Вкл.
Смайлы Вкл.
[IMG] код Вкл.
HTML код Выкл.

Быстрый переход

Похожие темы
Тема Автор Раздел Ответов Последнее сообщение
Ремонт ВЧ siogabiker1 Бюджетный автозвук и песочница. 2 24.04.2011 11:27
ремонт мідбаса ttearjerker Услуги 8 11.12.2010 23:02
(4 канальный) Твистер Ф4-260 Санчо Усилители 3 11.09.2010 13:42
(2 канальный) Твистер F2-130 Ветал Усилители 4 18.08.2010 15:34
ремонт ВЧ AlexNik Практика по SQ 8 15.06.2010 15:43


Текущее время: 20:18. Часовой пояс GMT +2.


Перевод: zCarot
autozvuk.org ©