Всё об автозвуке

Вернуться   Всё об автозвуке > Высшая лига Sound Quality (натуральный и красивый звук) > Практика по SQ > Свои инсталляции SQ
Регистрация Новые сообщения Правила форума Справка Сообщество Календарь Поиск

Важная информация

Свои инсталляции SQ Хвастаемся, делимся опытом, мнениями и т.п.

Ответ
 
Опции темы Опции просмотра
Старый 19.03.2015, 18:10   #161
Артёмыч
Старейшина
 
Аватар для Артёмыч
 
Регистрация: 09.11.2012
Адрес: Харьков
Возраст: 35
Сообщений: 449
Вы сказали Спасибо: 0
Поблагодарили 0 раз(а) в 0 сообщениях
Репутация: 144
Отправить сообщение для Артёмыч с помощью ICQ Отправить сообщение для Артёмыч с помощью Skype™
По умолчанию Re: BMW Е34 - Противная, но любимая.

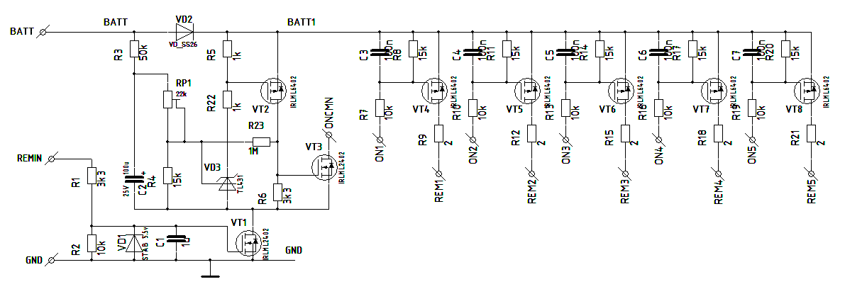
Remout.... есть такой, но щёлкает =)) А мы ж не любим всякие там, щелчки и посторонние.

Короче говоря - что это такое ? Это такая штука, которая не даёт включится усилителям (нет Rem) если питание ниже 11.5 и отключает принудительно если питание падает до 11.2 !
при этом есть задержка при включении, принудительное отключение канала рема (их всего 2) не захотел много, ну и собственно индикация.
ах да, не щёлкает

Отключение при заданном вольтаже не даст акб разрядиться если забыли о системе, либо при настройке когда завтыкали и уже не слышим клип спалить компоненты

Дальше как положено красиво оформлю и в багажник (размер 4х6 см)

Схема ув. Sova или он же Garmin. с малюсенькой подгонкой под себя
Миниатюры
Нажмите на изображение для увеличения
Название: Пример7.GIF
Просмотров: 1018
Размер:	16.4 Кб
ID:	49169   Нажмите на изображение для увеличения
Название: RPqM6ZYOSaM.jpg
Просмотров: 1027
Размер:	205.4 Кб
ID:	49170  

Нажмите на изображение для увеличения
Название: uxAV6L74X-8.jpg
Просмотров: 1090
Размер:	234.5 Кб
ID:	49171   Нажмите на изображение для увеличения
Название: Y0YKZ75Z1o4.jpg
Просмотров: 1082
Размер:	276.9 Кб
ID:	49172  


Последний раз редактировалось Артёмыч; 19.03.2015 в 18:19.
Артёмыч вне форума   Ответить с цитированием Вверх
Старый 19.03.2015, 18:55   #162
Lukasarts
Ушел в мир иной от нас...
 
Аватар для Lukasarts
 
Регистрация: 04.09.2011
Адрес: Город-герой Донецк
Сообщений: 1,484
Вы сказали Спасибо: 2
Поблагодарили 105 раз(а) в 57 сообщениях
Репутация: 491
По умолчанию Re: BMW Е34 - Противная, но любимая.

всегда БМВ любила музыку по потолку )))
Lukasarts вне форума   Ответить с цитированием Вверх
Старый 20.03.2015, 11:21   #163
Артёмыч
Старейшина
 
Аватар для Артёмыч
 
Регистрация: 09.11.2012
Адрес: Харьков
Возраст: 35
Сообщений: 449
Вы сказали Спасибо: 0
Поблагодарили 0 раз(а) в 0 сообщениях
Репутация: 144
Отправить сообщение для Артёмыч с помощью ICQ Отправить сообщение для Артёмыч с помощью Skype™
По умолчанию Re: BMW Е34 - Противная, но любимая.

Цитата:
Сообщение от Lukasarts Посмотреть сообщение
всегда БМВ любила музыку по потолку )))
Разве не так ?
Артёмыч вне форума   Ответить с цитированием Вверх
Старый 20.03.2015, 11:46   #164
Энтерпасворд
 
Аватар для Энтерпасворд
 
Регистрация: 25.05.2009
Адрес: Донецк-Днепр
Возраст: 45
Сообщений: 1,501
Вы сказали Спасибо: 135
Поблагодарили 23 раз(а) в 14 сообщениях
Репутация: 331
Отправить сообщение для Энтерпасворд с помощью Skype™
По умолчанию Re: BMW Е34 - Противная, но любимая.

не всегда
Энтерпасворд вне форума   Ответить с цитированием Вверх
Старый 23.03.2015, 09:44   #165
Артёмыч
Старейшина
 
Аватар для Артёмыч
 
Регистрация: 09.11.2012
Адрес: Харьков
Возраст: 35
Сообщений: 449
Вы сказали Спасибо: 0
Поблагодарили 0 раз(а) в 0 сообщениях
Репутация: 144
Отправить сообщение для Артёмыч с помощью ICQ Отправить сообщение для Артёмыч с помощью Skype™
По умолчанию Re: BMW Е34 - Противная, но любимая.

ПРодолжаю оформлять =) Вот уже коробочку сделал, платку лаком вскрыл
Миниатюры
Нажмите на изображение для увеличения
Название: S-hMUrOdwZs.jpg
Просмотров: 987
Размер:	347.7 Кб
ID:	49210   Нажмите на изображение для увеличения
Название: vhWM7ZMdueU.jpg
Просмотров: 961
Размер:	344.0 Кб
ID:	49211  

Нажмите на изображение для увеличения
Название: Kw-5wOlxwR8.jpg
Просмотров: 973
Размер:	173.0 Кб
ID:	49212  
Артёмыч вне форума   Ответить с цитированием Вверх
Старый 25.03.2015, 11:35   #166
Артёмыч
Старейшина
 
Аватар для Артёмыч
 
Регистрация: 09.11.2012
Адрес: Харьков
Возраст: 35
Сообщений: 449
Вы сказали Спасибо: 0
Поблагодарили 0 раз(а) в 0 сообщениях
Репутация: 144
Отправить сообщение для Артёмыч с помощью ICQ Отправить сообщение для Артёмыч с помощью Skype™
По умолчанию Re: BMW Е34 - Противная, но любимая.

на ГУ до сего момента не было рамки, а тут она нашлась ! Спасибо отозвался добрый человек Сергей Максимович.
Миниатюры
Нажмите на изображение для увеличения
Название: QjDXOkm7MUg (1).jpg
Просмотров: 1045
Размер:	103.4 Кб
ID:	49261  
Артёмыч вне форума   Ответить с цитированием Вверх
Старый 07.04.2015, 11:56   #167
Артёмыч
Старейшина
 
Аватар для Артёмыч
 
Регистрация: 09.11.2012
Адрес: Харьков
Возраст: 35
Сообщений: 449
Вы сказали Спасибо: 0
Поблагодарили 0 раз(а) в 0 сообщениях
Репутация: 144
Отправить сообщение для Артёмыч с помощью ICQ Отправить сообщение для Артёмыч с помощью Skype™
По умолчанию Re: BMW Е34 - Противная, но любимая.

Стоечки на вч. Ну собственно дело и до них дошло.
Материал какой-то аналог алькантары, по структуре (если немного выпить), похожа.

Ну а там, всё просто. По монтажу, штатные защелки + болт под внутренний шестигранник, что бы наверняка !
Думал как соединить провода (моножила атлас, и провод штатный пищи), ибо разъемам мама-папа почему-то не доверяю.... Поэтому сделал так, как на фото.
Миниатюры
Нажмите на изображение для увеличения
Название: 8wOBA9bx_fo.jpg
Просмотров: 981
Размер:	341.7 Кб
ID:	50853   Нажмите на изображение для увеличения
Название: 0QgccW3oV8Q.jpg
Просмотров: 965
Размер:	374.1 Кб
ID:	50854  

Нажмите на изображение для увеличения
Название: dxAwbyTuBcg.jpg
Просмотров: 1075
Размер:	339.7 Кб
ID:	50855   Нажмите на изображение для увеличения
Название: hl72BsqvgEs.jpg
Просмотров: 1042
Размер:	246.6 Кб
ID:	50856  

Нажмите на изображение для увеличения
Название: pRpfQvWV03Y.jpg
Просмотров: 1035
Размер:	195.7 Кб
ID:	50857   Нажмите на изображение для увеличения
Название: SoTq-4G0QUM.jpg
Просмотров: 1005
Размер:	250.1 Кб
ID:	50858  

Нажмите на изображение для увеличения
Название: tytWzoF3FLQ.jpg
Просмотров: 1009
Размер:	258.9 Кб
ID:	50859  
Артёмыч вне форума   Ответить с цитированием Вверх
Старый 08.04.2015, 12:01   #168
Артёмыч
Старейшина
 
Аватар для Артёмыч
 
Регистрация: 09.11.2012
Адрес: Харьков
Возраст: 35
Сообщений: 449
Вы сказали Спасибо: 0
Поблагодарили 0 раз(а) в 0 сообщениях
Репутация: 144
Отправить сообщение для Артёмыч с помощью ICQ Отправить сообщение для Артёмыч с помощью Skype™
По умолчанию Re: BMW Е34 - Противная, но любимая.

мид-бас в двери или кик-панелях. Вы не представляете сколько меня мучал этот вопрос, года полтора точно ! Причем 100500 раз переделывал, пробывал слушал, сотни советов, прослушок, и в конце концов пару месяцев назад была поставлена точка в этой игре. Помог поставить мне точку Олежка, ну который Самонов =) Его фраза, он в двери играет ровней, просто въелась мне в голову, и как я не пытался в киках заставить его так же ровно как двери а хрен там.... В киках нравился бас, только бас этот был горбом, каким думаю знаете сами когда запихать акустику с фришной добротностью в малый объем ПРовода, синтапоны, короче чего только не было. Всё, дверь.


Дверь, ну если можно её назвать так в бмв. Это скорее дырка, с внутренней стороны. внешняя филёнка всё хорошо, полосочка профиля алю на стекольный и пару слоёв вибры, и как гранит.
А вот под картой, этот механизм, да что говорить, думаю по фото понятно.
Наконец он заиграл ровно, для меня показатель ещё трек брайна бромбега и того, что нет никаких вибраций с двери и как следствие локализации....
Дырку, ну в смысле дверь бмв закатал стекловолокном, ну а там всё по стандартному, фанерка, я не пропитываю я сверху полностью промазываю герметиком для сварных швов, колечко и штатный подик. делался подиум (тоннелей нет там всяких, маленький по фото видно) в уголку, там метал очень жеский, то что и надо нашему динамику !
Миниатюры
Нажмите на изображение для увеличения
Название: 7sC3gdyp8vQ.jpg
Просмотров: 1035
Размер:	218.9 Кб
ID:	50876   Нажмите на изображение для увеличения
Название: 635f54cs-960.jpg
Просмотров: 1000
Размер:	179.8 Кб
ID:	50877  

Нажмите на изображение для увеличения
Название: 235f54cs-960.jpg
Просмотров: 1045
Размер:	171.4 Кб
ID:	50878   Нажмите на изображение для увеличения
Название: 435f54cs-960.jpg
Просмотров: 1054
Размер:	173.5 Кб
ID:	50879  

Нажмите на изображение для увеличения
Название: sk0B_BlgbX4.jpg
Просмотров: 989
Размер:	296.4 Кб
ID:	50880   Нажмите на изображение для увеличения
Название: uivXcL9V_VE.jpg
Просмотров: 1017
Размер:	326.4 Кб
ID:	50881  

Нажмите на изображение для увеличения
Название: qcy4B0u0cj8.jpg
Просмотров: 998
Размер:	286.2 Кб
ID:	50884   Нажмите на изображение для увеличения
Название: yVMEcm8y6ZY.jpg
Просмотров: 1017
Размер:	281.3 Кб
ID:	50885  

Нажмите на изображение для увеличения
Название: k10o4NB-1yo.jpg
Просмотров: 1030
Размер:	301.1 Кб
ID:	50886  

Последний раз редактировалось Артёмыч; 08.04.2015 в 12:06.
Артёмыч вне форума   Ответить с цитированием Вверх
Старый 08.04.2015, 13:12   #169
Энтерпасворд
 
Аватар для Энтерпасворд
 
Регистрация: 25.05.2009
Адрес: Донецк-Днепр
Возраст: 45
Сообщений: 1,501
Вы сказали Спасибо: 135
Поблагодарили 23 раз(а) в 14 сообщениях
Репутация: 331
Отправить сообщение для Энтерпасворд с помощью Skype™
По умолчанию Re: BMW Е34 - Противная, но любимая.

Да, двери в старых BMW это страшный сон для инсталлера Я как вспомню двери в Е36, как я туда подиумы делал...
Энтерпасворд вне форума   Ответить с цитированием Вверх
Старый 08.04.2015, 13:18   #170
Артёмыч
Старейшина
 
Аватар для Артёмыч
 
Регистрация: 09.11.2012
Адрес: Харьков
Возраст: 35
Сообщений: 449
Вы сказали Спасибо: 0
Поблагодарили 0 раз(а) в 0 сообщениях
Репутация: 144
Отправить сообщение для Артёмыч с помощью ICQ Отправить сообщение для Артёмыч с помощью Skype™
По умолчанию Re: BMW Е34 - Противная, но любимая.

Цитата:
Сообщение от Энтерпасворд Посмотреть сообщение
Да, двери в старых BMW это страшный сон для инсталлера Я как вспомню двери в Е36, как я туда подиумы делал...
В точку Ну короче, поборол я их и с дверями теперь вопрос закрыт. Теперь микрофон, ноутбук, уши и поехал.....
Артёмыч вне форума   Ответить с цитированием Вверх
Старый 08.04.2015, 13:48   #171
AndreyAnik
 
Аватар для AndreyAnik
 
Регистрация: 21.02.2014
Адрес: Луганск
Возраст: 36
Сообщений: 396
Вы сказали Спасибо: 0
Поблагодарили 0 раз(а) в 0 сообщениях
Репутация: 73
По умолчанию Re: BMW Е34 - Противная, но любимая.

Цитата:
Сообщение от Энтерпасворд Посмотреть сообщение
Да, двери в старых BMW это страшный сон для инсталлера
То ты, наверное, в Octavia A5 не ковырялсО

Добавлено через 40 секунд
Цитата:
Сообщение от Артёмыч Посмотреть сообщение
В точку Ну короче, поборол я их и с дверями теперь вопрос закрыт. Теперь микрофон, ноутбук, уши и поехал.....
нУУ слава те Господи, виднеется финишная "кривая"

Последний раз редактировалось AndreyAnik; 08.04.2015 в 13:48. Причина: Добавлено сообщение
AndreyAnik вне форума   Ответить с цитированием Вверх
Старый 08.04.2015, 13:51   #172
Артёмыч
Старейшина
 
Аватар для Артёмыч
 
Регистрация: 09.11.2012
Адрес: Харьков
Возраст: 35
Сообщений: 449
Вы сказали Спасибо: 0
Поблагодарили 0 раз(а) в 0 сообщениях
Репутация: 144
Отправить сообщение для Артёмыч с помощью ICQ Отправить сообщение для Артёмыч с помощью Skype™
По умолчанию Re: BMW Е34 - Противная, но любимая.

Цитата:
Сообщение от AndreyAnik Посмотреть сообщение
То ты, наверное, в Octavia A5 не ковырялсО

Добавлено через 40 секунд

нУУ слава те Господи, виднеется финишная "кривая"
кривую пусть себе другую оставят =) Нам линейную пожалуйста
Артёмыч вне форума   Ответить с цитированием Вверх
Старый 08.04.2015, 13:54   #173
AndreyAnik
 
Аватар для AndreyAnik
 
Регистрация: 21.02.2014
Адрес: Луганск
Возраст: 36
Сообщений: 396
Вы сказали Спасибо: 0
Поблагодарили 0 раз(а) в 0 сообщениях
Репутация: 73
По умолчанию Re: BMW Е34 - Противная, но любимая.

Цитата:
Сообщение от Артёмыч Посмотреть сообщение
Нам линейную пожалуйста
Сколько ты эту линейную уже выводишь)))...
Оооот, АЗ - компромисс
AndreyAnik вне форума   Ответить с цитированием Вверх
Старый 08.04.2015, 13:56   #174
Артёмыч
Старейшина
 
Аватар для Артёмыч
 
Регистрация: 09.11.2012
Адрес: Харьков
Возраст: 35
Сообщений: 449
Вы сказали Спасибо: 0
Поблагодарили 0 раз(а) в 0 сообщениях
Репутация: 144
Отправить сообщение для Артёмыч с помощью ICQ Отправить сообщение для Артёмыч с помощью Skype™
По умолчанию Re: BMW Е34 - Противная, но любимая.

Цитата:
Сообщение от AndreyAnik Посмотреть сообщение
Сколько ты эту линейную уже выводишь)))...
Оооот, АЗ - компромисс
ааххаха
Артёмыч вне форума   Ответить с цитированием Вверх
Старый 10.04.2015, 05:47   #175
Nos music
 
Аватар для Nos music
 
Регистрация: 15.01.2010
Адрес: Киев
Сообщений: 1,608
Вы сказали Спасибо: 26
Поблагодарили 26 раз(а) в 16 сообщениях
Репутация: 401
Отправить сообщение для Nos music с помощью Skype™
По умолчанию Re: BMW Е34 - Противная, но любимая.

Артёмыч, дядька. С дверками БМВ не однократно игрался. Реально не лучшая дверь для установки дина на объем двери. Ну то такое.
Был проектик тоже в Е34 давненько правда, дак мы миды градусов на 5-7 подвернули в перед. Вышла сказка.
Попродуй ради интиреса.
Правда у нас была трешка. Утопийка младшая.
Nos music вне форума   Ответить с цитированием Вверх
Старый 10.04.2015, 10:25   #176
Артёмыч
Старейшина
 
Аватар для Артёмыч
 
Регистрация: 09.11.2012
Адрес: Харьков
Возраст: 35
Сообщений: 449
Вы сказали Спасибо: 0
Поблагодарили 0 раз(а) в 0 сообщениях
Репутация: 144
Отправить сообщение для Артёмыч с помощью ICQ Отправить сообщение для Артёмыч с помощью Skype™
По умолчанию Re: BMW Е34 - Противная, но любимая.

Цитата:
Сообщение от Nos music Посмотреть сообщение
Артёмыч, дядька. С дверками БМВ не однократно игрался. Реально не лучшая дверь для установки дина на объем двери. Ну то такое.
Был проектик тоже в Е34 давненько правда, дак мы миды градусов на 5-7 подвернули в перед. Вышла сказка.
Попродуй ради интиреса.
Правда у нас была трешка. Утопийка младшая.
В перед в смысле по ходу движения ? Да, мне там собственно сделать это легко =) Проверю, сразу заодно фчх и ачх сравню моей установки и повернутого немного вперед.

"правда у нас была трёшка" - так и у меня ж трёшка =)
Спасибо.
Артёмыч вне форума   Ответить с цитированием Вверх
Старый 12.05.2015, 10:53   #177
Артёмыч
Старейшина
 
Аватар для Артёмыч
 
Регистрация: 09.11.2012
Адрес: Харьков
Возраст: 35
Сообщений: 449
Вы сказали Спасибо: 0
Поблагодарили 0 раз(а) в 0 сообщениях
Репутация: 144
Отправить сообщение для Артёмыч с помощью ICQ Отправить сообщение для Артёмыч с помощью Skype™
По умолчанию Re: BMW Е34 - Противная, но любимая.

Добавлю немного фото.
Миниатюры
Нажмите на изображение для увеличения
Название: GGyWHST_fVs.jpg
Просмотров: 973
Размер:	169.7 Кб
ID:	51928   Нажмите на изображение для увеличения
Название: l2enN0PSgRo.jpg
Просмотров: 997
Размер:	161.0 Кб
ID:	51929  

Нажмите на изображение для увеличения
Название: _S9pTBiuQ9E.jpg
Просмотров: 1023
Размер:	162.9 Кб
ID:	51930   Нажмите на изображение для увеличения
Название: m7gMDuV6qw8.jpg
Просмотров: 977
Размер:	126.3 Кб
ID:	51931  

Нажмите на изображение для увеличения
Название: RfoLsTaPhqY (1).jpg
Просмотров: 1021
Размер:	199.0 Кб
ID:	51932  
Артёмыч вне форума   Ответить с цитированием Вверх
Старый 12.05.2015, 11:26   #178
Kurd
 
Аватар для Kurd
 
Регистрация: 29.04.2009
Адрес: Днепр
Возраст: 43
Сообщений: 948
Вы сказали Спасибо: 35
Поблагодарили 2 раз(а) в 2 сообщениях
Репутация: 85
Отправить сообщение для Kurd с помощью ICQ
По умолчанию Re: BMW Е34 - Противная, но любимая.

А что с твитером, он как-то коряво сидит в своем месте?
Kurd вне форума   Ответить с цитированием Вверх
Старый 12.05.2015, 11:39   #179
Артёмыч
Старейшина
 
Аватар для Артёмыч
 
Регистрация: 09.11.2012
Адрес: Харьков
Возраст: 35
Сообщений: 449
Вы сказали Спасибо: 0
Поблагодарили 0 раз(а) в 0 сообщениях
Репутация: 144
Отправить сообщение для Артёмыч с помощью ICQ Отправить сообщение для Артёмыч с помощью Skype™
По умолчанию Re: BMW Е34 - Противная, но любимая.

Цитата:
Сообщение от Kurd Посмотреть сообщение
А что с твитером, он как-то коряво сидит в своем месте?
хочется ему так То у меня "типо шарнир" там, внутри такой крепеж который позволяет немного в чашке его ещё и крутить и углом играться. При желании могу и заподлицо.
Артёмыч вне форума   Ответить с цитированием Вверх
Старый 12.05.2015, 11:50   #180
Kurd
 
Аватар для Kurd
 
Регистрация: 29.04.2009
Адрес: Днепр
Возраст: 43
Сообщений: 948
Вы сказали Спасибо: 35
Поблагодарили 2 раз(а) в 2 сообщениях
Репутация: 85
Отправить сообщение для Kurd с помощью ICQ
По умолчанию Re: BMW Е34 - Противная, но любимая.

Так и скажи, проипал с подиумами )))))
Kurd вне форума   Ответить с цитированием Вверх
Ответ


Здесь присутствуют: 1 (пользователей: 0 , гостей: 1)
 

Ваши права в разделе
Вы не можете создавать новые темы
Вы не можете отвечать в темах
Вы не можете прикреплять вложения
Вы не можете редактировать свои сообщения

BB коды Вкл.
Смайлы Вкл.
[IMG] код Вкл.
HTML код Выкл.

Быстрый переход


Текущее время: 18:42. Часовой пояс GMT +2.


Перевод: zCarot
autozvuk.org ©