Всё об автозвуке

Вернуться   Всё об автозвуке > Высшая лига Sound Quality (натуральный и красивый звук) > Практика по SQ > Свои инсталляции SQ
Регистрация Новые сообщения Правила форума Справка Сообщество Календарь Поиск

Важная информация

Свои инсталляции SQ Хвастаемся, делимся опытом, мнениями и т.п.

Ответ
 
Опции темы Опции просмотра
Старый 01.06.2012, 15:23   #1
Samonov Oleg
Старейшина
 
Аватар для Samonov Oleg
 
Регистрация: 02.12.2008
Адрес: Харьков
Возраст: 47
Сообщений: 544
Вы сказали Спасибо: 170
Поблагодарили 274 раз(а) в 58 сообщениях
Репутация: 429
По умолчанию Hyundai Sonata EF

Всем привет! Появилось время выложить на суд форума, еще одну из моих машин, точнее, машина эта отца, но по долгу родства делать все в ней приходится мне и она мне уже как родная Это не первая версия системы в этой машине, но в этот раз подошёл к инсталу более основательно. Предыдущие версии делались по упрощенной схеме, т.е. с использованием штатных мест под акустику, с небольшой доработкой штатных грилей и тд и тп. Тут стоит отметить, что папа очень трепетно относится к своему транспортному средству и с лобзиками, болгарками и прочими режущими и пилящими меня к нему и близко не подпускал, да и я сильно не настаивал, в своих машинах работы всегда хватает. Но вот пришло время добрался я до Сонаты, по мере продвижения инстала (очень медленного) буду выкладывать фото.

Коротко о составе системы на данный момент:
В системе два транспорта, ГУ Alpine CDA-7949, и чейнджер CHA-S624,
Процессор Alpine PXA-H600,
Усилитель Genesis Five Channel,
Акустика, здесь пока не определился. Мидбас либо Focal 6V1, либо Helix RS806. Твитер либо Vifa XT25TG30-04, либо Vifa DX25TG09-04,
Саб DLS RW 6.

Коммутация:
межблочная VDH D-102, The Source
акустическая Atlas Element Bi-Wire, Supra Classic
оптика audioquest Optilink-A
силовая Oris, пв-3

Начну с проводки, провод питания ORIS Electronics 2ga из старых запасов, луженая медь.
Миниатюры
Нажмите на изображение для увеличения
Название: IMG_3709.jpg
Просмотров: 1559
Размер:	554.9 Кб
ID:	18148   Нажмите на изображение для увеличения
Название: IMG_3710.jpg
Просмотров: 1452
Размер:	506.6 Кб
ID:	18149  

Нажмите на изображение для увеличения
Название: IMG_3724.jpg
Просмотров: 1516
Размер:	497.7 Кб
ID:	18150  
Samonov Oleg вне форума   Ответить с цитированием Вверх
Старый 01.06.2012, 15:41   #2
Valera
 
Аватар для Valera
 
Регистрация: 24.06.2009
Адрес: м.Хмельницький
Возраст: 38
Сообщений: 1,362
Вы сказали Спасибо: 301
Поблагодарили 35 раз(а) в 32 сообщениях
Репутация: 277
По умолчанию Re: Hyundai Sonata EF

який саб буде і монік на саб??
Valera вне форума   Ответить с цитированием Вверх
Старый 01.06.2012, 15:45   #3
Samonov Oleg
Старейшина
 
Аватар для Samonov Oleg
 
Регистрация: 02.12.2008
Адрес: Харьков
Возраст: 47
Сообщений: 544
Вы сказали Спасибо: 170
Поблагодарили 274 раз(а) в 58 сообщениях
Репутация: 429
По умолчанию Re: Hyundai Sonata EF

Плюсовую клейму сделал по этой технологии http://autozvuk.org/forum2/showthread.php?t=15560, спасибо nik_on_off, за подсказку, минусовая латунная, уменьшил в диаметре, чтобы перед пайкой плотно об жать на проводе...
Миниатюры
Нажмите на изображение для увеличения
Название: IMG_4037.jpg
Просмотров: 1483
Размер:	523.6 Кб
ID:	18161   Нажмите на изображение для увеличения
Название: IMG_4040.jpg
Просмотров: 1366
Размер:	534.4 Кб
ID:	18162  

Нажмите на изображение для увеличения
Название: IMG_4046.jpg
Просмотров: 1429
Размер:	521.4 Кб
ID:	18163   Нажмите на изображение для увеличения
Название: IMG_4047.jpg
Просмотров: 1475
Размер:	514.8 Кб
ID:	18164  

Нажмите на изображение для увеличения
Название: IMG_4049.jpg
Просмотров: 1522
Размер:	517.8 Кб
ID:	18165   Нажмите на изображение для увеличения
Название: IMG_4053.jpg
Просмотров: 1425
Размер:	518.1 Кб
ID:	18166  

Нажмите на изображение для увеличения
Название: IMG_4057.jpg
Просмотров: 1463
Размер:	507.9 Кб
ID:	18167   Нажмите на изображение для увеличения
Название: IMG_4067.jpg
Просмотров: 1497
Размер:	522.7 Кб
ID:	18168  

Нажмите на изображение для увеличения
Название: IMG_4068.jpg
Просмотров: 1469
Размер:	528.2 Кб
ID:	18169   Нажмите на изображение для увеличения
Название: IMG_3870.jpg
Просмотров: 1469
Размер:	511.4 Кб
ID:	18170  

Нажмите на изображение для увеличения
Название: IMG_3873.jpg
Просмотров: 1485
Размер:	512.4 Кб
ID:	18171   Нажмите на изображение для увеличения
Название: IMG_3881.jpg
Просмотров: 1453
Размер:	508.8 Кб
ID:	18172  

Нажмите на изображение для увеличения
Название: IMG_3885.jpg
Просмотров: 1439
Размер:	499.9 Кб
ID:	18173   Нажмите на изображение для увеличения
Название: IMG_3890.jpg
Просмотров: 1463
Размер:	502.9 Кб
ID:	18174  

Samonov Oleg вне форума   Ответить с цитированием Вверх
Старый 01.06.2012, 15:52   #4
Samonov Oleg
Старейшина
 
Аватар для Samonov Oleg
 
Регистрация: 02.12.2008
Адрес: Харьков
Возраст: 47
Сообщений: 544
Вы сказали Спасибо: 170
Поблагодарили 274 раз(а) в 58 сообщениях
Репутация: 429
По умолчанию Re: Hyundai Sonata EF

Valera, моника не будет, а саб уже есть DLS RW 6, хотя для тебя это и не саб вовсе, так... сабик
Samonov Oleg вне форума   Ответить с цитированием Вверх
Старый 01.06.2012, 16:06   #5
Serginio
 
Аватар для Serginio
 
Регистрация: 25.11.2010
Адрес: Sun-Frankivsk
Сообщений: 599
Вы сказали Спасибо: 88
Поблагодарили 39 раз(а) в 27 сообщениях
Репутация: 135
По умолчанию Re: Hyundai Sonata EF

О! Свіжачок!
Інтересно, інтересно....
Serginio вне форума   Ответить с цитированием Вверх
Старый 01.06.2012, 16:27   #6
AMIGOS
 
Аватар для AMIGOS
 
Регистрация: 22.10.2011
Адрес: Харьков
Возраст: 30
Сообщений: 337
Вы сказали Спасибо: 4
Поблагодарили 28 раз(а) в 6 сообщениях
Репутация: 87
По умолчанию Re: Hyundai Sonata EF

Цитата:
Сообщение от Samonov Oleg Посмотреть сообщение
Valera, моника не будет, а саб уже есть DLS RW 6, хотя для тебя это и не саб вовсе, так... сабик

Походу папик не нигер внутри
AMIGOS вне форума   Ответить с цитированием Вверх
Старый 01.06.2012, 16:48   #7
Samonov Oleg
Старейшина
 
Аватар для Samonov Oleg
 
Регистрация: 02.12.2008
Адрес: Харьков
Возраст: 47
Сообщений: 544
Вы сказали Спасибо: 170
Поблагодарили 274 раз(а) в 58 сообщениях
Репутация: 429
По умолчанию Re: Hyundai Sonata EF

Проход силы через моторный щит.
Миниатюры
Нажмите на изображение для увеличения
Название: IMG_3735.jpg
Просмотров: 1482
Размер:	523.0 Кб
ID:	18175   Нажмите на изображение для увеличения
Название: IMG_3739.jpg
Просмотров: 1459
Размер:	512.4 Кб
ID:	18176  

Нажмите на изображение для увеличения
Название: IMG_3745.jpg
Просмотров: 1492
Размер:	530.2 Кб
ID:	18177   Нажмите на изображение для увеличения
Название: IMG_3747.jpg
Просмотров: 1383
Размер:	540.1 Кб
ID:	18178  

Нажмите на изображение для увеличения
Название: IMG_3749.jpg
Просмотров: 1489
Размер:	515.1 Кб
ID:	18179   Нажмите на изображение для увеличения
Название: IMG_3751.jpg
Просмотров: 1507
Размер:	511.9 Кб
ID:	18180  

Нажмите на изображение для увеличения
Название: IMG_3752.jpg
Просмотров: 1413
Размер:	515.3 Кб
ID:	18181   Нажмите на изображение для увеличения
Название: IMG_3754.jpg
Просмотров: 1395
Размер:	512.2 Кб
ID:	18182  

Нажмите на изображение для увеличения
Название: IMG_3761.jpg
Просмотров: 1727
Размер:	514.9 Кб
ID:	18183   Нажмите на изображение для увеличения
Название: IMG_3892.jpg
Просмотров: 1436
Размер:	542.1 Кб
ID:	18184  

Нажмите на изображение для увеличения
Название: IMG_3912.jpg
Просмотров: 1471
Размер:	521.2 Кб
ID:	18185  
Samonov Oleg вне форума   Ответить с цитированием Вверх
Старый 01.06.2012, 16:53   #8
Samonov Oleg
Старейшина
 
Аватар для Samonov Oleg
 
Регистрация: 02.12.2008
Адрес: Харьков
Возраст: 47
Сообщений: 544
Вы сказали Спасибо: 170
Поблагодарили 274 раз(а) в 58 сообщениях
Репутация: 429
По умолчанию Re: Hyundai Sonata EF

Цитата:
Сообщение от AMIGOS Посмотреть сообщение
Походу папик не нигер внутри
Он просто других нигеров слушает, которые в 60-х и 70-х, в прошлом веке, МУЗЫКУ играли
Samonov Oleg вне форума   Ответить с цитированием Вверх
Старый 01.06.2012, 17:32   #9
AMIGOS
 
Аватар для AMIGOS
 
Регистрация: 22.10.2011
Адрес: Харьков
Возраст: 30
Сообщений: 337
Вы сказали Спасибо: 4
Поблагодарили 28 раз(а) в 6 сообщениях
Репутация: 87
По умолчанию Re: Hyundai Sonata EF

А где такие сальники продаются?
AMIGOS вне форума   Ответить с цитированием Вверх
Старый 01.06.2012, 17:37   #10
Samonov Oleg
Старейшина
 
Аватар для Samonov Oleg
 
Регистрация: 02.12.2008
Адрес: Харьков
Возраст: 47
Сообщений: 544
Вы сказали Спасибо: 170
Поблагодарили 274 раз(а) в 58 сообщениях
Репутация: 429
По умолчанию Re: Hyundai Sonata EF

Цитата:
Сообщение от AMIGOS Посмотреть сообщение
А где такие сальники продаются?
В магазине Южкабеля есть, на радио рынке,в Эпицентре, сейчас такого добра везде есть...
Samonov Oleg вне форума   Ответить с цитированием Вверх
Старый 01.06.2012, 21:12   #11
Samonov Oleg
Старейшина
 
Аватар для Samonov Oleg
 
Регистрация: 02.12.2008
Адрес: Харьков
Возраст: 47
Сообщений: 544
Вы сказали Спасибо: 170
Поблагодарили 274 раз(а) в 58 сообщениях
Репутация: 429
По умолчанию Re: Hyundai Sonata EF

Заделка концов кабеля, главный предохранитель, крепеж...
Миниатюры
Нажмите на изображение для увеличения
Название: IMG_4079.jpg
Просмотров: 1352
Размер:	527.2 Кб
ID:	18192   Нажмите на изображение для увеличения
Название: IMG_4085.jpg
Просмотров: 1409
Размер:	513.0 Кб
ID:	18193  

Нажмите на изображение для увеличения
Название: IMG_4086.jpg
Просмотров: 1343
Размер:	550.5 Кб
ID:	18194   Нажмите на изображение для увеличения
Название: IMG_4100.jpg
Просмотров: 1358
Размер:	512.7 Кб
ID:	18195  

Нажмите на изображение для увеличения
Название: IMG_4096.jpg
Просмотров: 1275
Размер:	522.5 Кб
ID:	18196   Нажмите на изображение для увеличения
Название: IMG_4102.jpg
Просмотров: 1398
Размер:	515.5 Кб
ID:	18197  

Нажмите на изображение для увеличения
Название: IMG_4109.jpg
Просмотров: 1452
Размер:	528.6 Кб
ID:	18198  
Samonov Oleg вне форума   Ответить с цитированием Вверх
Старый 01.06.2012, 22:48   #12
Hetchserg
 
Аватар для Hetchserg
 
Регистрация: 21.11.2009
Адрес: Харьков
Возраст: 41
Сообщений: 525
Вы сказали Спасибо: 24
Поблагодарили 4 раз(а) в 1 сообщении
Репутация: 192
По умолчанию Re: Hyundai Sonata EF

Ух, а ты и минус от АКБ тянул, а чем с кузова не нравится? И еще вопрос, толстый кабелек, понятно-сила, а че за тоненькие?На мафон чтоли?
Hetchserg вне форума   Ответить с цитированием Вверх
Старый 01.06.2012, 22:57   #13
DM Rocker
 
Аватар для DM Rocker
 
Регистрация: 14.05.2011
Адрес: Воронеж,Россия
Возраст: 56
Сообщений: 169
Вы сказали Спасибо: 3
Поблагодарили 27 раз(а) в 10 сообщениях
Репутация: 74
По умолчанию Re: Hyundai Sonata EF

Олег , как всегда удивляешь простотой и изысканностью решений........
......или изысканной простотой.....
DM Rocker вне форума   Ответить с цитированием Вверх
Старый 01.06.2012, 23:26   #14
pitsol
 
Аватар для pitsol
 
Регистрация: 30.12.2011
Адрес: Одесса
Возраст: 46
Сообщений: 812
Вы сказали Спасибо: 8
Поблагодарили 0 раз(а) в 0 сообщениях
Репутация: 158
По умолчанию Re: Hyundai Sonata EF

Интересно будет понаблюдать, тем более, что сам тружусь над таким же автомобилем.
pitsol вне форума   Ответить с цитированием Вверх
Старый 03.06.2012, 15:07   #15
Samonov Oleg
Старейшина
 
Аватар для Samonov Oleg
 
Регистрация: 02.12.2008
Адрес: Харьков
Возраст: 47
Сообщений: 544
Вы сказали Спасибо: 170
Поблагодарили 274 раз(а) в 58 сообщениях
Репутация: 429
По умолчанию Re: Hyundai Sonata EF

Цитата:
Сообщение от Hetchserg Посмотреть сообщение
Ух, а ты и минус от АКБ тянул, а чем с кузова не нравится?
Да не то что бы не нравится, просто в этой машине не получилось. Изначально масса усилителя была на кузове, как казалось в неплохом месте, все зачищено, смазано, но увы просадка была большой. Вот и решил, что лучше вместо беготни с тестером по всей машине в поиске места с наименьшим сопротивлением, сразу проложить провод массы и получить результат.

Цитата:
Сообщение от Hetchserg Посмотреть сообщение
И еще вопрос, толстый кабелек, понятно-сила, а че за тоненькие?На мафон чтоли?
Да, и на проц.

Цитата
Сообщение от DM Rocker Посмотреть сообщение
Олег , как всегда удивляешь простотой и изысканностью решений........
......или изысканной простотой.....
Спасибо!

Цитата:
Сообщение от pitsol Посмотреть сообщение
Интересно будет понаблюдать, тем более, что сам тружусь над таким же автомобилем.
До дверей уже добрались? Если да, то как поступили с подиумом? туннель там изначально большой... Внутреннюю филенку усиливали?
Samonov Oleg вне форума   Ответить с цитированием Вверх
Старый 03.06.2012, 15:13   #16
Samonov Oleg
Старейшина
 
Аватар для Samonov Oleg
 
Регистрация: 02.12.2008
Адрес: Харьков
Возраст: 47
Сообщений: 544
Вы сказали Спасибо: 170
Поблагодарили 274 раз(а) в 58 сообщениях
Репутация: 429
По умолчанию Re: Hyundai Sonata EF

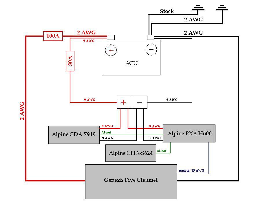
Схемка.
Миниатюры
Нажмите на изображение для увеличения
Название: shema1.JPG
Просмотров: 1445
Размер:	56.9 Кб
ID:	18301  
Samonov Oleg вне форума   Ответить с цитированием Вверх
Старый 03.06.2012, 22:00   #17
Samonov Oleg
Старейшина
 
Аватар для Samonov Oleg
 
Регистрация: 02.12.2008
Адрес: Харьков
Возраст: 47
Сообщений: 544
Вы сказали Спасибо: 170
Поблагодарили 274 раз(а) в 58 сообщениях
Репутация: 429
По умолчанию Re: Hyundai Sonata EF

Импровизация на тему слаботочного дистрибьютора.
Миниатюры
Нажмите на изображение для увеличения
Название: IMG_3913.jpg
Просмотров: 1239
Размер:	521.7 Кб
ID:	18398   Нажмите на изображение для увеличения
Название: IMG_3915.jpg
Просмотров: 1249
Размер:	507.2 Кб
ID:	18399  

Нажмите на изображение для увеличения
Название: IMG_3916.jpg
Просмотров: 1233
Размер:	498.3 Кб
ID:	18400   Нажмите на изображение для увеличения
Название: IMG_3980.jpg
Просмотров: 1260
Размер:	532.2 Кб
ID:	18401  

Нажмите на изображение для увеличения
Название: IMG_3976.jpg
Просмотров: 1204
Размер:	557.9 Кб
ID:	18402   Нажмите на изображение для увеличения
Название: IMG_3990.jpg
Просмотров: 1200
Размер:	553.2 Кб
ID:	18403  

Samonov Oleg вне форума   Ответить с цитированием Вверх
Старый 03.06.2012, 23:45   #18
pitsol
 
Аватар для pitsol
 
Регистрация: 30.12.2011
Адрес: Одесса
Возраст: 46
Сообщений: 812
Вы сказали Спасибо: 8
Поблагодарили 0 раз(а) в 0 сообщениях
Репутация: 158
По умолчанию Re: Hyundai Sonata EF

Цитата:
Сообщение от Samonov Oleg Посмотреть сообщение
До дверей уже добрались? Если да, то как поступили с подиумом? туннель там изначально большой... Внутреннюю филенку усиливали?
Двери были закатанные с двух сторон виброй 1,5 мм по верху тивипленом 4 мм, еле выжал дверную карту. Филёнку не усиливал. На удивление штатная проставка из пластика для мида подошла с запасом под Morel Dotech Ovation 6 великолепно. Правда когда дело дошло до протяжки акустических проводов, пришлось двери снимать, иначе не чего не получалось. Если акустические провода затягивать одну пару, то для них место в штатном разъеме найдется, для второй пары я врезался в пины штатного разъема.
pitsol вне форума   Ответить с цитированием Вверх
Старый 04.06.2012, 05:31   #19
Lestatid
 
Аватар для Lestatid
 
Регистрация: 21.07.2009
Адрес: Винница
Сообщений: 707
Вы сказали Спасибо: 72
Поблагодарили 27 раз(а) в 26 сообщениях
Репутация: 111
По умолчанию Re: Hyundai Sonata EF

Цитата:
Сообщение от Samonov Oleg Посмотреть сообщение
Схемка.
С аккума выходят "+" и "-" одинакового сечения, 2+9AWG.
Зачем кидать доп. "-" 2AWG?
Lestatid вне форума   Ответить с цитированием Вверх
Старый 04.06.2012, 12:41   #20
pitsol
 
Аватар для pitsol
 
Регистрация: 30.12.2011
Адрес: Одесса
Возраст: 46
Сообщений: 812
Вы сказали Спасибо: 8
Поблагодарили 0 раз(а) в 0 сообщениях
Репутация: 158
По умолчанию Re: Hyundai Sonata EF

Цитата:
Сообщение от Samonov Oleg Посмотреть сообщение
Плюсовую клейму сделал по этой технологии http://autozvuk.org/forum2/showthread.php?t=15560, спасибо nik_on_off, за подсказку, минусовая латунная, уменьшил в диаметре, чтобы перед пайкой плотно об жать на проводе...
Откройте секрет пайки. Классное решение питания, только у меня сила 50 мм кв., как и чем её пропаять? (паяльник топорик 500 Вт, горелка или пром. фен + паяльник)

Последний раз редактировалось pitsol; 04.06.2012 в 13:07.
pitsol вне форума   Ответить с цитированием Вверх
Ответ


Здесь присутствуют: 1 (пользователей: 0 , гостей: 1)
 

Ваши права в разделе
Вы не можете создавать новые темы
Вы не можете отвечать в темах
Вы не можете прикреплять вложения
Вы не можете редактировать свои сообщения

BB коды Вкл.
Смайлы Вкл.
[IMG] код Вкл.
HTML код Выкл.

Быстрый переход

Похожие темы
Тема Автор Раздел Ответов Последнее сообщение
(12") Hyundai H-CSP124 drag Сабвуферы 7 19.02.2013 20:42
Hyundai H-CMD4000 soul Автомагнитолы и автомультимедия 2 14.02.2012 23:33
Штатная магнитола Hyundai Sonata 2008 Дэн Автомагнитолы и автомультимедия 0 05.02.2012 19:16
(компонентная 3 полосы) 4-way Hyundai Н-CSW 694 120/240w - 220 грн DimitrikVin Акустика 3 23.09.2011 07:30
Hyundai Getz. p.kuzmenko Бюджетный автозвук и песочница. 48 08.09.2008 21:06


Текущее время: 22:07. Часовой пояс GMT +2.


Перевод: zCarot
autozvuk.org ©