Всё об автозвуке

Вернуться   Всё об автозвуке > Рыночные отношения > Услуги > Коммерческие инсталляции
Регистрация Новые сообщения Правила форума Справка Сообщество Календарь Поиск

Важная информация

Коммерческие инсталляции Инсталляции, выполненные на коммерческой основе. Похвастаться, предложить свои услуги...

Закрытая тема
 
Опции темы Опции просмотра
Старый 16.12.2011, 23:26   #1
Директор Луны
Ушел в мир иной от нас...
 
Аватар для Директор Луны
 
Регистрация: 06.04.2008
Адрес: EMMA Ukraine
Возраст: 60
Сообщений: 9,976
Вы сказали Спасибо: 43
Поблагодарили 423 раз(а) в 130 сообщениях
Репутация: 1086
По умолчанию "Незнайкины" поделки. Не в порядке хронологии.

Собственно Незнайка (кто не в курсе)
Нажмите на изображение для увеличения
Название: DSC02239.jpg
Просмотров: 1615
Размер:	280.1 Кб
ID:	12941

Поделка раз:

SUBARU Forester 2.5 turbo.

Состав системы

Нажмите на изображение для увеличения
Название: состав джипег.jpg
Просмотров: 1703
Размер:	175.5 Кб
ID:	12937


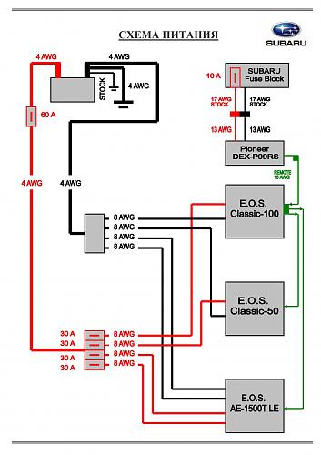
Схема питания
Нажмите на изображение для увеличения
Название: схема питания.jpg
Просмотров: 1594
Размер:	275.2 Кб
ID:	12938


ГУ
Болтовое крепление, установка "кармана" под мелочёвку.
Нажмите на изображение для увеличения
Название: DSC04491.jpg
Просмотров: 1568
Размер:	518.9 Кб
ID:	12925
Нажмите на изображение для увеличения
Название: Изображение 068.jpg
Просмотров: 1548
Размер:	511.2 Кб
ID:	12926
Нажмите на изображение для увеличения
Название: DSC04245.jpg
Просмотров: 1592
Размер:	541.9 Кб
ID:	12927

Блок согласования штатных рулевых кнопок с ГУ.
Нажмите на изображение для увеличения
Название: DSC04384.jpg
Просмотров: 1533
Размер:	500.1 Кб
ID:	12933
Нажмите на изображение для увеличения
Название: DSC04378.jpg
Просмотров: 1532
Размер:	533.1 Кб
ID:	12934

Блок СЧ/ВЧ
Стойки/подиумы СЧ/ВЧ - "чулочная" технология, отделка - флок, про-во Швейцария.
Нажмите на изображение для увеличения
Название: DSC04488.jpg
Просмотров: 1593
Размер:	551.9 Кб
ID:	12928
Нажмите на изображение для увеличения
Название: Изображение 061.jpg
Просмотров: 1557
Размер:	517.3 Кб
ID:	12931
Нажмите на изображение для увеличения
Название: Изображение 065.jpg
Просмотров: 1560
Размер:	519.8 Кб
ID:	12932
Нажмите на изображение для увеличения
Название: DSC04248.jpg
Просмотров: 1528
Размер:	562.5 Кб
ID:	12929
Нажмите на изображение для увеличения
Название: DSC04219.jpg
Просмотров: 1561
Размер:	548.4 Кб
ID:	12930

Двери
Оформление мидов - ЗЯ объёмом 9л. Материал отделки - кожа с имитацией перфорации и в едином стиле со штатными вставками в дверях и на панели приборов.
Нажмите на изображение для увеличения
Название: DSC04494.jpg
Просмотров: 1511
Размер:	631.4 Кб
ID:	12939
Нажмите на изображение для увеличения
Название: DSC04239.jpg
Просмотров: 1650
Размер:	555.9 Кб
ID:	12940
Нажмите на изображение для увеличения
Название: Изображение 064.jpg
Просмотров: 1592
Размер:	534.8 Кб
ID:	12935





Последний раз редактировалось Директор Луны; 16.12.2011 в 23:50.
Директор Луны вне форума   Вверх
Старый 16.12.2011, 23:58   #2
Директор Луны
Ушел в мир иной от нас...
 
Аватар для Директор Луны
 
Регистрация: 06.04.2008
Адрес: EMMA Ukraine
Возраст: 60
Сообщений: 9,976
Вы сказали Спасибо: 43
Поблагодарили 423 раз(а) в 130 сообщениях
Репутация: 1086
По умолчанию Re: "Незнайкины" поделки. Не в порядке хронологии.

Багажник.
Сохранён доступ к "запаске".
Нажмите на изображение для увеличения
Название: DSC04506.jpg
Просмотров: 1639
Размер:	549.2 Кб
ID:	12943
Нажмите на изображение для увеличения
Название: DSC04502.jpg
Просмотров: 1558
Размер:	537.4 Кб
ID:	12944
Нажмите на изображение для увеличения
Название: Изображение 062.jpg
Просмотров: 1527
Размер:	521.0 Кб
ID:	12942

Усилители.
Нажмите на изображение для увеличения
Название: DSC04261.jpg
Просмотров: 3384
Размер:	612.3 Кб
ID:	12945
Нажмите на изображение для увеличения
Название: DSC04287.jpg
Просмотров: 1512
Размер:	604.5 Кб
ID:	12946

Сабвуфер-стелс.
Нажмите на изображение для увеличения
Название: DSC04427.jpg
Просмотров: 1557
Размер:	543.4 Кб
ID:	12947
Нажмите на изображение для увеличения
Название: DSC04357.jpg
Просмотров: 1524
Размер:	572.4 Кб
ID:	12948
Директор Луны вне форума   Вверх
Старый 17.12.2011, 00:41   #3
Директор Луны
Ушел в мир иной от нас...
 
Аватар для Директор Луны
 
Регистрация: 06.04.2008
Адрес: EMMA Ukraine
Возраст: 60
Сообщений: 9,976
Вы сказали Спасибо: 43
Поблагодарили 423 раз(а) в 130 сообщениях
Репутация: 1086
По умолчанию Re: "Незнайкины" поделки. Не в порядке хронологии.

Поделка 2:

FIAT LINEA 1.4 Turbo.


Состав системы
Нажмите на изображение для увеличения
Название: состав джипег.jpg
Просмотров: 1511
Размер:	181.9 Кб
ID:	12949

Схема питания
Нажмите на изображение для увеличения
Название: схема джипег.jpg
Просмотров: 1483
Размер:	200.8 Кб
ID:	12950

ГУ
Нажмите на изображение для увеличения
Название: DSC03119.jpg
Просмотров: 1680
Размер:	518.5 Кб
ID:	12951
Нажмите на изображение для увеличения
Название: DSC03632.jpg
Просмотров: 1433
Размер:	355.5 Кб
ID:	12952
Нажмите на изображение для увеличения
Название: DSC03697.jpg
Просмотров: 1480
Размер:	356.6 Кб
ID:	12953
Нажмите на изображение для увеличения
Название: DSC03683.jpg
Просмотров: 1613
Размер:	521.4 Кб
ID:	12954
Нажмите на изображение для увеличения
Название: DSC03731.jpg
Просмотров: 1550
Размер:	387.2 Кб
ID:	12955
Нажмите на изображение для увеличения
Название: DSC03781.jpg
Просмотров: 1542
Размер:	530.6 Кб
ID:	12956
Нажмите на изображение для увеличения
Название: DSC_1557.JPG
Просмотров: 1590
Размер:	289.6 Кб
ID:	12957
Нажмите на изображение для увеличения
Название: DSC_1558.JPG
Просмотров: 1592
Размер:	305.9 Кб
ID:	12958
Директор Луны вне форума   Вверх
Старый 17.12.2011, 00:42   #4
Беги
 
Аватар для Беги
 
Регистрация: 17.11.2008
Адрес: Kиев
Сообщений: 366
Вы сказали Спасибо: 163
Поблагодарили 17 раз(а) в 10 сообщениях
Репутация: 32
Smile Re: "Незнайкины" поделки. Не в порядке хронологии.

Можно вклиниться в тему, соблюдая правила?
Если да - то вот пару фото инсталляции в моем Пежо 605, системы в Субару Трибеке (машины не соревновательные, схемы и фото - любительские), и - "аленка-фехтовальщица"
Могу еще добавить кое-что...
Миниатюры
Нажмите на изображение для увеличения
Название: Magnitola-Avtozvuk_42235_12666.jpg
Просмотров: 1685
Размер:	33.8 Кб
ID:	12959   Нажмите на изображение для увеличения
Название: 3934.jpg
Просмотров: 1608
Размер:	33.9 Кб
ID:	12960  

Нажмите на изображение для увеличения
Название: Фото4054.jpg
Просмотров: 1675
Размер:	352.1 Кб
ID:	12961   Нажмите на изображение для увеличения
Название: Фото4078.jpg
Просмотров: 1642
Размер:	341.6 Кб
ID:	12962  

Нажмите на изображение для увеличения
Название: Фото4114.jpg
Просмотров: 1679
Размер:	303.7 Кб
ID:	12963   Нажмите на изображение для увеличения
Название: Фото4199.jpg
Просмотров: 1601
Размер:	266.2 Кб
ID:	12964  

Нажмите на изображение для увеличения
Название: Фото4227.jpg
Просмотров: 1624
Размер:	207.3 Кб
ID:	12965   Нажмите на изображение для увеличения
Название: Фото4122.jpg
Просмотров: 1559
Размер:	335.1 Кб
ID:	12966  

Нажмите на изображение для увеличения
Название: Magnitola-Avtozvuk_45599_16318.jpg
Просмотров: 1666
Размер:	46.1 Кб
ID:	12967   Нажмите на изображение для увеличения
Название: Magnitola-Avtozvuk_39442_9564.jpg
Просмотров: 3563
Размер:	39.1 Кб
ID:	12968  

Нажмите на изображение для увеличения
Название: 1796.jpg
Просмотров: 1635
Размер:	33.9 Кб
ID:	12969  
Беги вне форума   Вверх
Старый 17.12.2011, 00:45   #5
Директор Луны
Ушел в мир иной от нас...
 
Аватар для Директор Луны
 
Регистрация: 06.04.2008
Адрес: EMMA Ukraine
Возраст: 60
Сообщений: 9,976
Вы сказали Спасибо: 43
Поблагодарили 423 раз(а) в 130 сообщениях
Репутация: 1086
По умолчанию Re: "Незнайкины" поделки. Не в порядке хронологии.

Цитата:
Сообщение от Беги Посмотреть сообщение
Можно вклиниться в тему
Вам, Генерал-Полковник, - можно всё.
Дойдёт и до Вас, и до Трибек, и до Марусь очередь
Директор Луны вне форума   Вверх
Старый 17.12.2011, 00:50   #6
mad
 
Аватар для mad
 
Регистрация: 28.02.2009
Адрес: Симферополь
Возраст: 41
Сообщений: 526
Вы сказали Спасибо: 20
Поблагодарили 28 раз(а) в 20 сообщениях
Репутация: 44
По умолчанию Re: "Незнайкины" поделки. Не в порядке хронологии.

Можно подробней по проводке сч динаудио-там провода с переходом в сечении?
mad вне форума   Вверх
Старый 17.12.2011, 00:52   #7
Jurijs_allroad
Старейшина
 
Аватар для Jurijs_allroad
 
Регистрация: 10.06.2008
Адрес: Riga
Возраст: 56
Сообщений: 195
Вы сказали Спасибо: 0
Поблагодарили 21 раз(а) в 13 сообщениях
Репутация: 73
Отправить сообщение для Jurijs_allroad с помощью Skype™
По умолчанию Re: "Незнайкины" поделки. Не в порядке хронологии.

Допускю что бюджеты были ограничены. Акромя мидов в дверях, из накладеного, ничего интересного.
Накладите еще на судилище.
Вы уж простите, ну так кабеля за деньги, не камильфо соусем


Последний раз редактировалось Jurijs_allroad; 17.12.2011 в 00:58.
Jurijs_allroad вне форума   Вверх
Старый 17.12.2011, 00:55   #8
Беги
 
Аватар для Беги
 
Регистрация: 17.11.2008
Адрес: Kиев
Сообщений: 366
Вы сказали Спасибо: 163
Поблагодарили 17 раз(а) в 10 сообщениях
Репутация: 32
Smile Re: "Незнайкины" поделки. Не в порядке хронологии.

Цитата:
Сообщение от Директор Луны Посмотреть сообщение
Вам, Генерал-Полковник, - можно всё.
Дойдёт и до Вас, и до Трибек, и до Марусь очередь
Спасибо. Значит, надо поторопиться...
Автозвук в моем вагончике (фото мало нашел пока)
P.S: я вот думаю, за пиар не в профильной ветке не забанят???
Миниатюры
Нажмите на изображение для увеличения
Название: foto8644527687.jpg
Просмотров: 1596
Размер:	478.5 Кб
ID:	12970   Нажмите на изображение для увеличения
Название: foto7513527304.jpg
Просмотров: 1597
Размер:	420.9 Кб
ID:	12971  

Нажмите на изображение для увеличения
Название: img_0780527684.jpg
Просмотров: 1597
Размер:	305.1 Кб
ID:	12972  
Беги вне форума   Вверх
Старый 17.12.2011, 01:00   #9
Директор Луны
Ушел в мир иной от нас...
 
Аватар для Директор Луны
 
Регистрация: 06.04.2008
Адрес: EMMA Ukraine
Возраст: 60
Сообщений: 9,976
Вы сказали Спасибо: 43
Поблагодарили 423 раз(а) в 130 сообщениях
Репутация: 1086
По умолчанию Re: "Незнайкины" поделки. Не в порядке хронологии.

Едем дальше.

FIAT LINEA.

Динамики. Мидбас.
Миниатюры
Нажмите на изображение для увеличения
Название: DSC02277.jpg
Просмотров: 1656
Размер:	515.0 Кб
ID:	12973   Нажмите на изображение для увеличения
Название: DSC02281.jpg
Просмотров: 1661
Размер:	234.3 Кб
ID:	12974  

Нажмите на изображение для увеличения
Название: DSC02289.jpg
Просмотров: 1642
Размер:	562.0 Кб
ID:	12975   Нажмите на изображение для увеличения
Название: DSC02294.jpg
Просмотров: 1633
Размер:	570.3 Кб
ID:	12976  

Нажмите на изображение для увеличения
Название: DSC02312.jpg
Просмотров: 1603
Размер:	279.4 Кб
ID:	12977   Нажмите на изображение для увеличения
Название: DSC02329.jpg
Просмотров: 1603
Размер:	522.2 Кб
ID:	12978  

Нажмите на изображение для увеличения
Название: DSC02368.jpg
Просмотров: 1602
Размер:	529.4 Кб
ID:	12979   Нажмите на изображение для увеличения
Название: DSC02501.jpg
Просмотров: 1582
Размер:	488.7 Кб
ID:	12980  

Нажмите на изображение для увеличения
Название: DSC02503.jpg
Просмотров: 1613
Размер:	539.8 Кб
ID:	12981   Нажмите на изображение для увеличения
Название: Изображение 015.jpg
Просмотров: 1564
Размер:	558.0 Кб
ID:	12982  

Нажмите на изображение для увеличения
Название: DSC02483.jpg
Просмотров: 1561
Размер:	531.4 Кб
ID:	12983   Нажмите на изображение для увеличения
Название: DSC02486.jpg
Просмотров: 1635
Размер:	441.2 Кб
ID:	12984  

Нажмите на изображение для увеличения
Название: DSC02487.jpg
Просмотров: 1613
Размер:	519.5 Кб
ID:	12985   Нажмите на изображение для увеличения
Название: DSC02494.jpg
Просмотров: 1594
Размер:	440.4 Кб
ID:	12986  

Нажмите на изображение для увеличения
Название: DSC03719.jpg
Просмотров: 1615
Размер:	425.4 Кб
ID:	12987  
Директор Луны вне форума   Вверх
Старый 17.12.2011, 01:04   #10
Директор Луны
Ушел в мир иной от нас...
 
Аватар для Директор Луны
 
Регистрация: 06.04.2008
Адрес: EMMA Ukraine
Возраст: 60
Сообщений: 9,976
Вы сказали Спасибо: 43
Поблагодарили 423 раз(а) в 130 сообщениях
Репутация: 1086
По умолчанию Re: "Незнайкины" поделки. Не в порядке хронологии.

Цитата:
Сообщение от Jurijs_allroad Посмотреть сообщение
Допускю что бюджеты были ограничены. Акромя мидов в дверях, из накладеного, ничего интересного.
А что может быть для тебя лично интересного в машине класса "Новичок"?

Цитата:
Сообщение от Jurijs_allroad Посмотреть сообщение
Накладите еще на судилище.
Накладываем. Класс "Любитель 7"

Цитата:
Сообщение от Jurijs_allroad Посмотреть сообщение
Вы уж простите, ну так кабеля за деньги, не камильфо соусем
Не в деньгах и проводах счастье. Незнайка расскажет.
Директор Луны вне форума   Вверх
Старый 17.12.2011, 01:13   #11
mad
 
Аватар для mad
 
Регистрация: 28.02.2009
Адрес: Симферополь
Возраст: 41
Сообщений: 526
Вы сказали Спасибо: 20
Поблагодарили 28 раз(а) в 20 сообщениях
Репутация: 44
По умолчанию Re: "Незнайкины" поделки. Не в порядке хронологии.

кстати по емме за такие кабеля должны снять балы за проводку
mad вне форума   Вверх
Старый 17.12.2011, 01:20   #12
Директор Луны
Ушел в мир иной от нас...
 
Аватар для Директор Луны
 
Регистрация: 06.04.2008
Адрес: EMMA Ukraine
Возраст: 60
Сообщений: 9,976
Вы сказали Спасибо: 43
Поблагодарили 423 раз(а) в 130 сообщениях
Репутация: 1086
По умолчанию Re: "Незнайкины" поделки. Не в порядке хронологии.

FIAT LINEA.

Динамики.СЧ/ВЧ.
Миниатюры
Нажмите на изображение для увеличения
Название: Изображение 124.jpg
Просмотров: 1460
Размер:	265.8 Кб
ID:	12988   Нажмите на изображение для увеличения
Название: Изображение 082.jpg
Просмотров: 1428
Размер:	338.6 Кб
ID:	12989  

Нажмите на изображение для увеличения
Название: Изображение 183.jpg
Просмотров: 1862
Размер:	268.3 Кб
ID:	12990   Нажмите на изображение для увеличения
Название: DSC03110.jpg
Просмотров: 1468
Размер:	471.6 Кб
ID:	12991  

Нажмите на изображение для увеличения
Название: Изображение 012.jpg
Просмотров: 1524
Размер:	208.9 Кб
ID:	12992   Нажмите на изображение для увеличения
Название: DSC03112.jpg
Просмотров: 1441
Размер:	410.2 Кб
ID:	12993  

Нажмите на изображение для увеличения
Название: Изображение 008.jpg
Просмотров: 1423
Размер:	329.5 Кб
ID:	12994   Нажмите на изображение для увеличения
Название: Изображение 048.jpg
Просмотров: 1420
Размер:	516.8 Кб
ID:	12995  

Нажмите на изображение для увеличения
Название: Изображение 050.jpg
Просмотров: 1444
Размер:	516.3 Кб
ID:	12996   Нажмите на изображение для увеличения
Название: Изображение 054.jpg
Просмотров: 1499
Размер:	515.9 Кб
ID:	12997  

Нажмите на изображение для увеличения
Название: DSC03144.jpg
Просмотров: 1453
Размер:	361.4 Кб
ID:	12998   Нажмите на изображение для увеличения
Название: DSC03141.jpg
Просмотров: 1426
Размер:	391.1 Кб
ID:	12999  

Нажмите на изображение для увеличения
Название: DSC03188.jpg
Просмотров: 1481
Размер:	325.8 Кб
ID:	13000   Нажмите на изображение для увеличения
Название: DSC03190.jpg
Просмотров: 1444
Размер:	311.0 Кб
ID:	13001  

Нажмите на изображение для увеличения
Название: DSC03142.jpg
Просмотров: 1495
Размер:	375.2 Кб
ID:	13002   Нажмите на изображение для увеличения
Название: DSC03752.jpg
Просмотров: 1448
Размер:	418.9 Кб
ID:	13003  

Директор Луны вне форума   Вверх
Старый 17.12.2011, 01:24   #13
Директор Луны
Ушел в мир иной от нас...
 
Аватар для Директор Луны
 
Регистрация: 06.04.2008
Адрес: EMMA Ukraine
Возраст: 60
Сообщений: 9,976
Вы сказали Спасибо: 43
Поблагодарили 423 раз(а) в 130 сообщениях
Репутация: 1086
По умолчанию Re: "Незнайкины" поделки. Не в порядке хронологии.

Цитата:
Сообщение от mad Посмотреть сообщение
кстати по емме за такие кабеля должны снять балы за проводку
В каком классе и в каком пункте - не прояснишь случайно нам, сирым?
Если укажешь (по делу) где должны снять - клянусь, съем свою майку судьи и выложу видео
Если ошибёшься - тогда ты съешь книжку Правил и выложишь видео.
ОК?

Последний раз редактировалось Директор Луны; 17.12.2011 в 01:29.
Директор Луны вне форума   Вверх
Старый 17.12.2011, 01:34   #14
Директор Луны
Ушел в мир иной от нас...
 
Аватар для Директор Луны
 
Регистрация: 06.04.2008
Адрес: EMMA Ukraine
Возраст: 60
Сообщений: 9,976
Вы сказали Спасибо: 43
Поблагодарили 423 раз(а) в 130 сообщениях
Репутация: 1086
По умолчанию Re: "Незнайкины" поделки. Не в порядке хронологии.

FIAT LINEA.

Динамики.СЧ/ВЧ. 2.
Миниатюры
Нажмите на изображение для увеличения
Название: IMG_7462.jpg
Просмотров: 1362
Размер:	337.1 Кб
ID:	13004   Нажмите на изображение для увеличения
Название: DSC03795.jpg
Просмотров: 1418
Размер:	520.8 Кб
ID:	13005  

Нажмите на изображение для увеличения
Название: IMG_7477.jpg
Просмотров: 1357
Размер:	380.6 Кб
ID:	13006   Нажмите на изображение для увеличения
Название: IMG_7486.jpg
Просмотров: 1402
Размер:	516.1 Кб
ID:	13007  

Нажмите на изображение для увеличения
Название: DSC_1560.JPG
Просмотров: 1431
Размер:	329.9 Кб
ID:	13008   Нажмите на изображение для увеличения
Название: DSC_1553.JPG
Просмотров: 1420
Размер:	303.6 Кб
ID:	13009  

Нажмите на изображение для увеличения
Название: DSC_1554.JPG
Просмотров: 1428
Размер:	308.3 Кб
ID:	13010  
Директор Луны вне форума   Вверх
Старый 17.12.2011, 01:48   #15
Директор Луны
Ушел в мир иной от нас...
 
Аватар для Директор Луны
 
Регистрация: 06.04.2008
Адрес: EMMA Ukraine
Возраст: 60
Сообщений: 9,976
Вы сказали Спасибо: 43
Поблагодарили 423 раз(а) в 130 сообщениях
Репутация: 1086
По умолчанию Re: "Незнайкины" поделки. Не в порядке хронологии.

FIAT LINEA.

Саб.
Миниатюры
Нажмите на изображение для увеличения
Название: Изображение 006.jpg
Просмотров: 1429
Размер:	545.3 Кб
ID:	13011   Нажмите на изображение для увеличения
Название: Изображение 029.jpg
Просмотров: 1383
Размер:	261.8 Кб
ID:	13012  

Нажмите на изображение для увеличения
Название: Изображение 032.jpg
Просмотров: 1382
Размер:	236.1 Кб
ID:	13013   Нажмите на изображение для увеличения
Название: Изображение 033.jpg
Просмотров: 1445
Размер:	243.1 Кб
ID:	13014  

Нажмите на изображение для увеличения
Название: Изображение 056.jpg
Просмотров: 1445
Размер:	365.6 Кб
ID:	13015   Нажмите на изображение для увеличения
Название: Изображение 097.jpg
Просмотров: 1440
Размер:	521.3 Кб
ID:	13016  

Нажмите на изображение для увеличения
Название: Изображение 020.jpg
Просмотров: 1506
Размер:	401.6 Кб
ID:	13017   Нажмите на изображение для увеличения
Название: DSC03012.jpg
Просмотров: 1401
Размер:	258.0 Кб
ID:	13018  

Нажмите на изображение для увеличения
Название: DSC03046.jpg
Просмотров: 1795
Размер:	310.6 Кб
ID:	13019   Нажмите на изображение для увеличения
Название: DSC03078.jpg
Просмотров: 1466
Размер:	241.6 Кб
ID:	13020  

Нажмите на изображение для увеличения
Название: Изображение 042.jpg
Просмотров: 1394
Размер:	510.9 Кб
ID:	13021   Нажмите на изображение для увеличения
Название: Изображение 045.jpg
Просмотров: 1385
Размер:	510.7 Кб
ID:	13022  

Нажмите на изображение для увеличения
Название: DSC03203.jpg
Просмотров: 1428
Размер:	312.2 Кб
ID:	13023   Нажмите на изображение для увеличения
Название: DSC03449.jpg
Просмотров: 1374
Размер:	286.5 Кб
ID:	13024  

Нажмите на изображение для увеличения
Название: DSC03497.jpg
Просмотров: 1403
Размер:	329.4 Кб
ID:	13025   Нажмите на изображение для увеличения
Название: DSC03492.jpg
Просмотров: 1392
Размер:	388.9 Кб
ID:	13026  

Директор Луны вне форума   Вверх
Старый 17.12.2011, 01:51   #16
Директор Луны
Ушел в мир иной от нас...
 
Аватар для Директор Луны
 
Регистрация: 06.04.2008
Адрес: EMMA Ukraine
Возраст: 60
Сообщений: 9,976
Вы сказали Спасибо: 43
Поблагодарили 423 раз(а) в 130 сообщениях
Репутация: 1086
По умолчанию Re: "Незнайкины" поделки. Не в порядке хронологии.

FIAT LINEA.

Саб. 2.
Миниатюры
Нажмите на изображение для увеличения
Название: DSC03564.jpg
Просмотров: 1397
Размер:	536.0 Кб
ID:	13027   Нажмите на изображение для увеличения
Название: DSC03525.jpg
Просмотров: 1376
Размер:	529.7 Кб
ID:	13028  

Нажмите на изображение для увеличения
Название: DSC03588.jpg
Просмотров: 1448
Размер:	519.1 Кб
ID:	13029   Нажмите на изображение для увеличения
Название: DSC03622.jpg
Просмотров: 1429
Размер:	528.4 Кб
ID:	13030  

Нажмите на изображение для увеличения
Название: DSC_1565.JPG
Просмотров: 1402
Размер:	365.7 Кб
ID:	13031   Нажмите на изображение для увеличения
Название: DSC_1561.JPG
Просмотров: 1393
Размер:	336.5 Кб
ID:	13032  

Директор Луны вне форума   Вверх
Старый 17.12.2011, 01:59   #17
Директор Луны
Ушел в мир иной от нас...
 
Аватар для Директор Луны
 
Регистрация: 06.04.2008
Адрес: EMMA Ukraine
Возраст: 60
Сообщений: 9,976
Вы сказали Спасибо: 43
Поблагодарили 423 раз(а) в 130 сообщениях
Репутация: 1086
По умолчанию Re: "Незнайкины" поделки. Не в порядке хронологии.

Цитата:
Сообщение от mad Посмотреть сообщение
Можно подробней по проводке сч динаудио-там провода с переходом в сечении?
Да. Отрезок 11 см.
И что? Криминал? Или из-за этого "не играет"?
Директор Луны вне форума   Вверх
Старый 17.12.2011, 02:19   #18
Директор Луны
Ушел в мир иной от нас...
 
Аватар для Директор Луны
 
Регистрация: 06.04.2008
Адрес: EMMA Ukraine
Возраст: 60
Сообщений: 9,976
Вы сказали Спасибо: 43
Поблагодарили 423 раз(а) в 130 сообщениях
Репутация: 1086
По умолчанию Re: "Незнайкины" поделки. Не в порядке хронологии.

FIAT LINEA.

Усилители. Проц.
Миниатюры
Нажмите на изображение для увеличения
Название: DSC03160.jpg
Просмотров: 1402
Размер:	513.3 Кб
ID:	13033   Нажмите на изображение для увеличения
Название: DSC03162.jpg
Просмотров: 1377
Размер:	550.6 Кб
ID:	13034  

Нажмите на изображение для увеличения
Название: DSC03171.jpg
Просмотров: 1446
Размер:	528.3 Кб
ID:	13035   Нажмите на изображение для увеличения
Название: DSC03215.jpg
Просмотров: 1399
Размер:	501.2 Кб
ID:	13036  

Нажмите на изображение для увеличения
Название: DSC03543.jpg
Просмотров: 1405
Размер:	536.9 Кб
ID:	13037   Нажмите на изображение для увеличения
Название: DSC03557.jpg
Просмотров: 1449
Размер:	551.5 Кб
ID:	13038  

Нажмите на изображение для увеличения
Название: DSC03562.jpg
Просмотров: 1392
Размер:	478.2 Кб
ID:	13039   Нажмите на изображение для увеличения
Название: DSC03279.jpg
Просмотров: 1419
Размер:	536.9 Кб
ID:	13040  

Нажмите на изображение для увеличения
Название: DSC03280.jpg
Просмотров: 1446
Размер:	504.6 Кб
ID:	13041   Нажмите на изображение для увеличения
Название: DSC03565.jpg
Просмотров: 1434
Размер:	501.1 Кб
ID:	13042  

Нажмите на изображение для увеличения
Название: DSC_1566.JPG
Просмотров: 1465
Размер:	299.2 Кб
ID:	13043   Нажмите на изображение для увеличения
Название: IMG_1784.jpg
Просмотров: 1461
Размер:	91.5 Кб
ID:	13044  

Директор Луны вне форума   Вверх
Старый 17.12.2011, 08:28   #19
inst
Старейшина
 
Аватар для inst
 
Регистрация: 15.10.2008
Адрес: г. Николаев
Возраст: 64
Сообщений: 829
Вы сказали Спасибо: 56
Поблагодарили 143 раз(а) в 63 сообщениях
Репутация: 195
Отправить сообщение для inst с помощью Skype™
По умолчанию Re: "Незнайкины" поделки. Не в порядке хронологии.

Мне гораздо интереснее было смотреть инстал в твоей машине Боря- там сделано красиво- были решения которые не стыдно показать.
А тут ? Ну что необычного или того чем можно гордится МАСТЕРУ ? Сверхбюджетные установки ? Карпет который скрывает все огрехи лицевой панели саба ? Крепление магнитофона слепленое за 5 мин на коленке ?
Извините конечно, но вот смотреть работу по таврии Владимира из Золочева было интересно. Пусть не все у него получалось, спрашивал совета. в том числе и твоего Борь- но там интересно было, а тут ?

Последний раз редактировалось inst; 17.12.2011 в 08:47.
inst вне форума   Вверх
Старый 17.12.2011, 09:29   #20
жан
 
Аватар для жан
 
Регистрация: 07.01.2011
Адрес: Первомайск Николаевской
Возраст: 67
Сообщений: 718
Вы сказали Спасибо: 91
Поблагодарили 10 раз(а) в 10 сообщениях
Репутация: 74
По умолчанию Re: "Незнайкины" поделки. Не в порядке хронологии.

Саморезы к металлу дверей, миды без кольца-проставки..,проверочные проводочки (дотачки) до и после кросса, из набора 200 грИвневых твиттеров,все провода по металлу кузова,через весь салон... и т.д. Вот так сделали мне мой первый сверх бюджетный инстал.А потом разговоры установщика - у тебя в 3-х полоске звук плоский... Переделываю в меру понимания, благодаря таким самым простейшим и подробным фото-инсталам... Спасибо
жан вне форума   Вверх
Закрытая тема


Здесь присутствуют: 1 (пользователей: 0 , гостей: 1)
 

Ваши права в разделе
Вы не можете создавать новые темы
Вы не можете отвечать в темах
Вы не можете прикреплять вложения
Вы не можете редактировать свои сообщения

BB коды Вкл.
Смайлы Вкл.
[IMG] код Вкл.
HTML код Выкл.

Быстрый переход

Похожие темы
Тема Автор Раздел Ответов Последнее сообщение
По поводу безграммотности, "олбанского языка" или "падонкафскаго юмара" на форуме.. Cobox О форуме 11 28.11.2012 14:11
(клеммы, разветвители, коннекторы) Клемы "-" Autofun BT-622N \\\\ "+" E.O.S. BC-391 Vacik Аксессуары, кроссоверы и прочее... 5 03.10.2012 20:50
Где грань между "барахолкой" и "рекламой"? muztank О форуме 16 07.12.2009 17:54
две "десятки" в "десятку".короб??? JOCKER Практика по SQ 6 25.04.2009 01:22
CD диск "Stereo&Video" с "1812 год" Kosiat Практика по SQ 2 20.03.2007 11:49


Текущее время: 07:54. Часовой пояс GMT +2.


Перевод: zCarot
autozvuk.org ©