Всё об автозвуке

Всё об автозвуке (http://autozvuk.org/forum2/index.php)
-   Бюджетный автозвук и песочница. (http://autozvuk.org/forum2/forumdisplay.php?f=16)
-   -   Помогите Пожалуста советом по питанию;) (http://autozvuk.org/forum2/showthread.php?t=16177)

Wagon4ik 26.02.2012 17:39

Помогите Пожалуста советом по питанию;)
 
Вложений: 2
Зраствуйте интересует возможно ли подключения такими вариантами №1 и №2(больше интересует но какой кабель 25,35,50?????)Усилитель 1-(Вч и Сч Audison SRX4) 2-(Нч Ipa 400.2) 3-(Саб DLS Ra10) А-(дистрибютори самодельние)Просто удобней будет вариант №2 хотел спросить правильно ли будет такое подключения и какой кабель лучше!
Заранее Благодарен:beer:
Вариант №1 до предохранителей 2кабеля по сечения 25мм
Вложение 15528
Вариант №2 до дистрибютора(20см) один кабель но сечения вопрос или 25 или 35 или 50??????
Вложение 15529
Извените за каракули просто в спешке рисовал:(

Вова 1990 26.02.2012 18:21

Re: Помогите Пожалуста советом по питанию;)
 
я за второй вариант!
до дистрибьютора (20см) один кабель 50!!
масу на кузов продублируй тоже 50!!
где уселки будут размещены ??и какие уселки?
от етого уже будет играть сечения кабелей после дистрибьютора!!

Wagon4ik 26.02.2012 18:32

Re: Помогите Пожалуста советом по питанию;)
 
Цитата:

Сообщение от Вова 1990 (Сообщение 178223)
я за второй вариант!
до дистрибьютора (20см) один кабель 50!!
масу на кузов продублируй тоже 50!!
где уселки будут размещены ??и какие уселки?
от етого уже будет играть сечения кабелей после дистрибьютора!!

1и 2 усилок под сидения модели написал в начале темы а 3-в багажнике растояние к нему 4,5метра.

Вова 1990 26.02.2012 18:53

Re: Помогите Пожалуста советом по питанию;)
 
Цитата:

Сообщение от Wagon4ik (Сообщение 178226)
1и 2 усилок под сидения модели написал в начале темы а 3-в багажнике растояние к нему 4,5метра.

если под сидением то 25 хватит но лучше 35!!
а на саб в багажник тянуть 35 по любасу!!а если на будуще то 50!!

Володимир 26.02.2012 19:02

Re: Помогите Пожалуста советом по питанию;)
 
По "плюсу" другий варіант нормальний, от по "мінусу" повна лажа! ІМХО Ти створиш контур через цілу машину, що посприяє наводкам. Мінус треба з одної точки.

m.a.k.c. 26.02.2012 19:26

Re: Помогите Пожалуста советом по питанию;)
 
1. "Массы" всех усилителей и ГУ должны соединяться в одну точку, будь то резьбовое соединение на кузове, дистрибьютер или клема "-" АКБ. В противном случае можешь добавить себе проблему в виде земляных петель.
2. Для полного счастья надо знать длины проводов. Укажи пожалуйста.
3. Дистрибьютор после дистрибьютора - это не феншуй. Непонятно зачем добавляешь в цепь питания лишние переходные сопротивления.

Wagon4ik 26.02.2012 19:56

Re: Помогите Пожалуста советом по питанию;)
 
Хотел еще спросить а если дистрибьютор будет находится на АКБ!Это плохо или хорошо и длина провода тогда составит 10см!

Добавлено через 3 минуты
Цитата:

Сообщение от Вова 1990 (Сообщение 178231)
если под сидением то 25 хватит но лучше 35!!
а на саб в багажник тянуть 35 по любасу!!а если на будуще то 50!!

Длина минуса от 1 и 2 усилителя до точки где скручиваются вместе к кузову составляет 18-22см!
Тогда лучше заместь 2дистрибютора провода кинуть на прямую на 1 и 2 усилитель?
Добавил дистрибютор №2 так как меняю сечения проводов с 25мм на 16мм(60-70см) и 10мм(длина 20см)

m.a.k.c. 26.02.2012 20:19

Re: Помогите Пожалуста советом по питанию;)
 
Цитата:

Сообщение от Wagon4ik (Сообщение 178243)
Длина минуса от 1 и 2 усилителя до точки где скручиваются вместе к кузову составляет 18-22см!

А от этой точки до клеммы "-" сколько?;)

Цитата:

Сообщение от Wagon4ik (Сообщение 178243)
Тогда лучше заместь 2дистрибютора провода кинуть на прямую на 1 и 2 усилитель?

Если первый дистрибьютор будет на 3 и более отходящих линии, и длина от клеммы "+" до него минимальна, то можно (и нужно) кинуть "плюсы" всех трех усилителей

Цитата:

Сообщение от Wagon4ik (Сообщение 178243)
Добавил дистрибютор №2 так как меняю сечения проводов с 25мм на 16мм(60-70см) и 10мм(длина 20см)

При такой длине можно и не экономить на сечении 1 метра хватит.

Длина "плюсового" и "минусового" на сабовый усилок какая?

Wagon4ik 26.02.2012 20:26

Re: Помогите Пожалуста советом по питанию;)
 
Цитата:

Сообщение от m.a.k.c. (Сообщение 178251)
А от этой точки до клеммы "-" сколько?;)


Если первый дистрибьютор будет на 3 и более отходящих линии, и длина от клеммы "+" до него минимальна, то можно (и нужно) кинуть "плюсы" всех трех усилителей


При такой длине можно и не экономить на сечении 1 метра хватит.

Длина "плюсового" и "минусового" на сабовый усилок какая?

Длина на саб +4,5м -4,6м и сечения 25мм Провод ПВЗ

m.a.k.c. 26.02.2012 21:41

Re: Помогите Пожалуста советом по питанию;)
 
Цитата:

Сообщение от Wagon4ik (Сообщение 178253)
Длина на саб +4,5м -4,6м и сечения 25мм Провод ПВЗ

На саб я бы 2Ga (35мм.кв.) кинул, хотя все зависит от того что он качает.

Wagon4ik 26.02.2012 22:35

Re: Помогите Пожалуста советом по питанию;)
 
Цитата:

Сообщение от m.a.k.c. (Сообщение 178273)
На саб я бы 2Ga (35мм.кв.) кинул, хотя все зависит от того что он качает.

Многие мастера говорили 25мм хватит(какой то програмкой просчитивали):( саб Alpine SWR 1241 в З.Я.

Gt-RRRR 26.02.2012 23:25

Re: Помогите Пожалуста советом по питанию;)
 
Вложений: 1
Вова, я бы сделал так.
http://autozvuk.org/forum2/attachmen...1&d=1330291455
Номинал преда №2 по наименьшему сечению.

Wagon4ik 27.02.2012 00:17

Re: Помогите Пожалуста советом по питанию;)
 
Цитата:

Сообщение от Gt-RRRR (Сообщение 178292)
Вова, я бы сделал так.
http://autozvuk.org/forum2/attachmen...1&d=1330291455
Номинал преда №2 по наименьшему сечению.

Серегей тоже так думал, но уже протянул провода:yes3: плюс проблема с прокладкой проводов и также самый главный гемор на клеме АКБ - при подключении фон,наводки какие то :shock::ireful2:А когда на кузов возле усилителей то нету:notknow:от почему так и проложил провода не стал искать причину этого фона,наводок:plach: Просто надоело уже 2год машина инсталлируется каждый месяц новая идея новые предложения и т.д.

:wall:
Решил собрать как есть потому шо вкидываю деньги 2 года в звук и не вижу конца !Плюс машина вечно разобрана шото корректируется так как нету личного гаража вечно приходится просится к знакомим и т.д.!Хочется гулять :ga::beer:а не сидеть в гараже с паяльником или эпоксидной смолой изготовляя подиум 5-й или 7-й по счету:( Как хоби автозвук -это класно но когда есть хорошие финанси!Ох высказался:yo-ho-ho:

Gt-RRRR 27.02.2012 00:30

Re: Помогите Пожалуста советом по питанию;)
 
Цитата:

Сообщение от Wagon4ik (Сообщение 178297)
плюс проблема с прокладкой проводов и также самый главный гемор на клеме АКБ - при подключении фон,наводки какие то А когда на кузов возле усилителей то нету

У John так же...

Wagon4ik 27.02.2012 00:56

Re: Помогите Пожалуста советом по питанию;)
 
Цитата:

Сообщение от Gt-RRRR (Сообщение 178298)
У John так же...

Наверное уже на следующую зиму буду ставить 2-й АКБ и все доробативать до полного Феншуя;)А счас хочу все собрать и наслаждатся 3-х полоской;)

Murkur 27.02.2012 13:51

Re: Помогите Пожалуста советом по питанию;)
 
Немного не по теме, но всё же... Сколько приблизительно денег уже вложил за два года не считал? Я тоже начинаю сейчас с нуля и всё думаю, на какую сумму хоть расчитывать.

Wagon4ik 27.02.2012 14:19

Re: Помогите Пожалуста советом по питанию;)
 
Цитата:

Сообщение от Murkur (Сообщение 178391)
Немного не по теме, но всё же... Сколько приблизительно денег уже вложил за два года не считал? Я тоже начинаю сейчас с нуля и всё думаю, на какую сумму хоть расчитывать.

Ответил в личку;)

Директор Луны 27.02.2012 14:20

Re: Помогите Пожалуста советом по питанию;)
 
Цитата:

Сообщение от Володимир (Сообщение 178233)
от по "мінусу" повна лажа! ІМХО Ти створиш контур через цілу машину, що посприяє наводкам. Мінус треба з одної точки.

В каждой машине может быть по-разному и с точностью до наоборот....
А вот и ответ....

Цитата:

Сообщение от Wagon4ik (Сообщение 178297)
самый главный гемор на клеме АКБ - при подключении фон,наводки какие то А когда на кузов возле усилителей то нету



Цитата:

Сообщение от m.a.k.c. (Сообщение 178251)
Если первый дистрибьютор будет на 3 и более отходящих линии, и длина от клеммы "+" до него минимальна, то можно (и нужно) кинуть "плюсы" всех трех усилителей

Совершенно верно.

Цитата:

Сообщение от Wagon4ik (Сообщение 178243)
Хотел еще спросить а если дистрибьютор будет находится на АКБ!Это плохо или хорошо и длина провода тогда составит 10см!

Это нормально.

Wagon4ik 27.02.2012 14:56

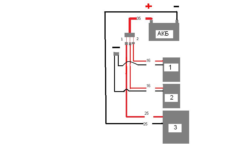
Re: Помогите Пожалуста советом по питанию;)
 
Вложений: 1
Вот остановился на Схеме которую посоветовал Борис:respekt: :vo:он же Директор Луны.Приятно было получить совет от Професионала:vo:
Спасибо еще раз:aiwan-hi:На соревнованиях с меня причитается:beer:
Вот схема
Вложение 15558
Где 1-Вч Сч Audison SRX4
2-Нч Ipa 400.2
3-Саб DLS Ra10
Спасибо всем хто отписался в теме:aiwan-hi:Думаю тему можно Закрывать!

Директор Луны 27.02.2012 15:39

Re: Помогите Пожалуста советом по питанию;)
 
Вложений: 1
Навскидку так....


Текущее время: 15:24. Часовой пояс GMT +2.

Перевод: zCarot
autozvuk.org ©