Всё об автозвуке

Вернуться   Всё об автозвуке > Новичкам > Бюджетный автозвук и песочница.
Регистрация Новые сообщения Правила форума Справка Сообщество Календарь Поиск

Важная информация

Бюджетный автозвук и песочница. Раздел для новичков и тех, кто хочет пострроить простенькую аудиосистему с минимальными затратами.

Закрытая тема
 
Опции темы Опции просмотра
Старый 01.04.2011, 19:31   #21
Вячеслав Меркулов
Старейшина
 
Аватар для Вячеслав Меркулов
 
Регистрация: 04.03.2010
Адрес: г. Озёрск Челябинской обл.
Возраст: 67
Сообщений: 645
Вы сказали Спасибо: 40
Поблагодарили 103 раз(а) в 79 сообщениях
Репутация: 83
По умолчанию Re: Азы

Цитата:
Сообщение от igorvolikov Посмотреть сообщение
Искренне рад, что вы вкурсе таких серьезных веСЧей , как "синхрофозатронные" цепи ! Рисанулись ? Зачтено !

Термины не вводил. Просто если на листике нарисовать хорошую схему питания протребителей в авто - то на звузду похоже. В центре акум а на краях потребители. Рисовать лень - так жо звиняйте: на словах

Извините , что зацепил уже существующий в какойто науке термин
Я тоже искренне рад, что рассмешил вас до упада
Теперь будем ржать вместе...
Ваш ЗАЧЁТ мне не нужен... Вы ж не профессор в университете...
И извинения мне ваши не нужны...
Термины-то не я ввожу...
ЗВУЗДА так ЗВУЗДА... тем более, что рисовать лень...
Главное, что бы было понятно о чём речь...
...
Так почему, всё-таки АКБ в центре?
Что бы ЗВУЗДА получилась?
Вячеслав Меркулов вне форума   Вверх
Старый 01.04.2011, 19:39   #22
igorvolikov
Ушел в мир иной от нас...
 
Аватар для igorvolikov
 
Регистрация: 24.08.2008
Адрес: Донецк
Сообщений: 2,224
Вы сказали Спасибо: 208
Поблагодарили 223 раз(а) в 114 сообщениях
Репутация: 364
Отправить сообщение для igorvolikov с помощью Skype™
По умолчанию Re: Азы

Цитата:
Сообщение от Вячеслав Меркулов Посмотреть сообщение
Я тоже искренне рад, что рассмешил вас до упада
Теперь будем ржать вместе...
Ваш ЗАЧЁТ мне не нужен... Вы ж не профессор в университете...
И извинения мне ваши не нужны...
Термины-то не я ввожу...
ЗВУЗДА так ЗВУЗДА... тем более, что рисовать лень...
Главное, что бы было понятно о чём речь...
...
Так почему, всё-таки АКБ в центре?
Что бы ЗВУЗДА получилась?

А вы не стенсняйтесь - берите ручку и листок. Пять минут и станет ясно

Тут понимаете в чем юмор.

Алекс например хотел понять - чего я сказал и сразу понял. Хоть звезда. Хоть не звезда.

Вы судя по всему больше хотели поридиратся и поумничать - тоже получилось. Зачет принудительный.

Все от желания зависит.

ЗЫ
А теперь серьезно.
Тут нужно либо объяснить - какое отношение имеет ваша лекция о трехфазном переменном токе к теме топика.
Либо выписать предупреждение за флуд.
Выбирайте.
Готов вместе "поржать".
igorvolikov вне форума   Вверх
Старый 01.04.2011, 21:11   #23
Вячеслав Меркулов
Старейшина
 
Аватар для Вячеслав Меркулов
 
Регистрация: 04.03.2010
Адрес: г. Озёрск Челябинской обл.
Возраст: 67
Сообщений: 645
Вы сказали Спасибо: 40
Поблагодарили 103 раз(а) в 79 сообщениях
Репутация: 83
По умолчанию Re: Азы

Цитата:
Сообщение от igorvolikov Посмотреть сообщение
А вы не стенсняйтесь - берите ручку и листок. Пять минут и станет ясно

Тут понимаете в чем юмор.

Алекс например хотел понять - чего я сказал и сразу понял. Хоть звезда. Хоть не звезда.

Вы судя по всему больше хотели поридиратся и поумничать - тоже получилось. Зачет принудительный.

Все от желания зависит.

ЗЫ
А теперь серьезно.
Тут нужно либо объяснить - какое отношение имеет ваша лекция о трехфазном переменном токе к теме топика.
Либо выписать предупреждение за флуд.
Выбирайте.
Готов вместе "поржать".
Второй раз задаю один и тот же вопрос...
Вместо ответа вы мне предлагаете взять ручку и листок... и при этом не стесняться...
Чего не стесняться-то?
Подогнать свою схему под вашу "звезду" что ли?
И написать схема подключения - "Звезда Игоря Воликова"?
...
Опять вы мне зачёт ставите... теперь принудительный...
Кто вас принуждает-то?
Может слезете с профессорской кафердры?
Или сверху-то оно как-то привычней ПОУЧАТЬ?
ЗЫ
А теперь серьезно... (невзирая на 1 апреля)...
Вступать с вами в выяснение отношений с переходом на личности мне не хотелось...
Но ваше неуважение к собеседнику, выраженное глаголами типа "поумничать", "попридираться"... не может быть пропущено мимо ушей...
Моя "ЛЕКЦИЯ", как вы выразились, о "трехфазном переменном токе" имеет прямое отношение к вашей "ЗВЕЗДЕ"... ну и дает представление о существующих терминах.. что можно конкретно "подтянуть" к теме топика "АЗЫ"...
Теперь насчёт "Выбирайте"...
У вас есть полномочия "выписывать предупреждение за флуд"?
Или вы меня типа "на понт" берёте?
Модераторы они ведь не дураки... Одного, так я очень уважаю (за адекватность и благоразумие)...
Короче, забанят, так забанят...
Но "хавать" ваши "перлы" и при этом помалкивать... как-то не по мне...
...
Пока писал наступило 2 апреля...
Вячеслав Меркулов вне форума   Вверх
Старый 01.04.2011, 21:29   #24
AlexMonacor
Без лимитов в коммерческих объявлениях
 
Аватар для AlexMonacor
 
Регистрация: 24.11.2008
Адрес: Киев ιl.ιllιlι
Возраст: 51
Сообщений: 2,334
Вы сказали Спасибо: 36
Поблагодарили 84 раз(а) в 67 сообщениях
Репутация: 412
Отправить сообщение для AlexMonacor с помощью ICQ Отправить сообщение для AlexMonacor с помощью Skype™
По умолчанию Re: Азы

Цитата:
Сообщение от igorvolikov Посмотреть сообщение
Вы судя по всему больше хотели поридиратся и поумничать - тоже получилось. Зачет принудительный.

Все от желания зависит.
Игорь, Вячеслав - суровый челябинский мужик, так что за базар тебе полюбасу ответить придется
зы ну мало ли.....у кого как 1 апреля прошло....вот у меня сотрудница сегодня плакала.....подкололи так......она плакала, а все ржали
зыы а в Челябинске уж и полночь прошла
AlexMonacor вне форума   Вверх
Старый 01.04.2011, 23:19   #25
igorvolikov
Ушел в мир иной от нас...
 
Аватар для igorvolikov
 
Регистрация: 24.08.2008
Адрес: Донецк
Сообщений: 2,224
Вы сказали Спасибо: 208
Поблагодарили 223 раз(а) в 114 сообщениях
Репутация: 364
Отправить сообщение для igorvolikov с помощью Skype™
По умолчанию Re: Азы

Цитата:
Сообщение от Вячеслав Меркулов Посмотреть сообщение
Второй раз задаю один и тот же вопрос...
Вместо ответа вы мне предлагаете взять ручку и листок... и при этом не стесняться...
Чего не стесняться-то?
Подогнать свою схему под вашу "звезду" что ли?
И написать схема подключения - "Звезда Игоря Воликова"?
...
Опять вы мне зачёт ставите... теперь принудительный...
Кто вас принуждает-то?
Может слезете с профессорской кафердры?
Или сверху-то оно как-то привычней ПОУЧАТЬ?
ЗЫ
А теперь серьезно... (невзирая на 1 апреля)...
Вступать с вами в выяснение отношений с переходом на личности мне не хотелось...
Но ваше неуважение к собеседнику, выраженное глаголами типа "поумничать", "попридираться"... не может быть пропущено мимо ушей...
Моя "ЛЕКЦИЯ", как вы выразились, о "трехфазном переменном токе" имеет прямое отношение к вашей "ЗВЕЗДЕ"... ну и дает представление о существующих терминах.. что можно конкретно "подтянуть" к теме топика "АЗЫ"...
Теперь насчёт "Выбирайте"...
У вас есть полномочия "выписывать предупреждение за флуд"?
Или вы меня типа "на понт" берёте?
Модераторы они ведь не дураки... Одного, так я очень уважаю (за адекватность и благоразумие)...
Короче, забанят, так забанят...
Но "хавать" ваши "перлы" и при этом помалкивать... как-то не по мне...
...
Пока писал наступило 2 апреля...


Нет уж. Вы меня в споры о неуважении не втягивайте
Я теперь по существу спрашиваю - а вы про уважуху.

Итак повторю вопрос- Какое отношение имеют системы трехфазного переменного тока к теме топика ? Я утверждаю , что все вами описанное относится только к обоснованию того , что термин занят.
Не более того.

По вашему вопросу - еще раз прошу нарисовать потребителей по кругу и акум по центру. Вам сразу станет понятно (хотя уверен что вам и так понятно )

Так что пока - всеголишь утонченный педантизм. не более того.


ЗЫ
полномочия есть

Последний раз редактировалось igorvolikov; 01.04.2011 в 23:58.
igorvolikov вне форума   Вверх
Старый 02.04.2011, 08:15   #26
sanjk
Супермодератор
 
Аватар для sanjk
 
Регистрация: 12.03.2007
Адрес: Вишнёвый
Сообщений: 765
Вы сказали Спасибо: 14
Поблагодарили 38 раз(а) в 30 сообщениях
Репутация: 75
По умолчанию Re: Азы

igorvolikov, раз вы говорите
Цитата:
Сообщение от igorvolikov Посмотреть сообщение
А вы не стенсняйтесь - берите ручку и листок. Пять минут и станет ясно
то нарисуйте такую схему (если это общепринятая схема, которую рисуют в альбомах презентаций) и выложите сюда. Потому как у меня тоже при словах "подключение звездой" возникает только одна асоциация, и она как раз относится к стандартам в электротехнике; такого стандарта в автозвуке, к сожалению, не знаю.
sanjk вне форума   Вверх
Старый 02.04.2011, 08:18   #27
Вячеслав Меркулов
Старейшина
 
Аватар для Вячеслав Меркулов
 
Регистрация: 04.03.2010
Адрес: г. Озёрск Челябинской обл.
Возраст: 67
Сообщений: 645
Вы сказали Спасибо: 40
Поблагодарили 103 раз(а) в 79 сообщениях
Репутация: 83
По умолчанию Re: Азы

Цитата:
Сообщение от igorvolikov Посмотреть сообщение
...
Итак повторю вопрос- Какое отношение имеют системы трехфазного переменного тока к теме топика ? Я утверждаю , что все вами описанное относится только к обоснованию того , что термин занят.
Не более того.
...
ЗЫ
полномочия есть
Ответ уже был... (см. выше)
Вы его уже оценили, как "Не более того".
Так вот это и есть суть, если что...

Вам встречный вопрос - какое отношение ваша ЗВЕЗДА (или ЗВУЗДА... не знаю, что вы там имели ввиду) имеет отношение к АЗАМ?
Вообще-то, Азы - это начальные сведения, основы чего либо. И подменять понятия в самом начале - значит заложить "кривой фундамент", который не сможет крепко держать воздвигаемое "здание" знаний...

Хотите поговорить об этом?
Вячеслав Меркулов вне форума   Вверх
Старый 02.04.2011, 09:29   #28
siogabiker1
 
Аватар для siogabiker1
 
Регистрация: 27.07.2010
Адрес: Монреаль
Сообщений: 111
Вы сказали Спасибо: 9
Поблагодарили 0 раз(а) в 0 сообщениях
Репутация: 7
По умолчанию Re: Азы

Спасибо за ответ, я понял что подразумевали под "звездой". Не ожидал только такой бурной реакции.
siogabiker1 вне форума   Вверх
Старый 02.04.2011, 10:53   #29
m.a.k.c.
Старейшина
 
Аватар для m.a.k.c.
 
Регистрация: 11.02.2010
Адрес: Керчь
Возраст: 41
Сообщений: 334
Вы сказали Спасибо: 61
Поблагодарили 44 раз(а) в 28 сообщениях
Репутация: 81
По умолчанию Re: Азы

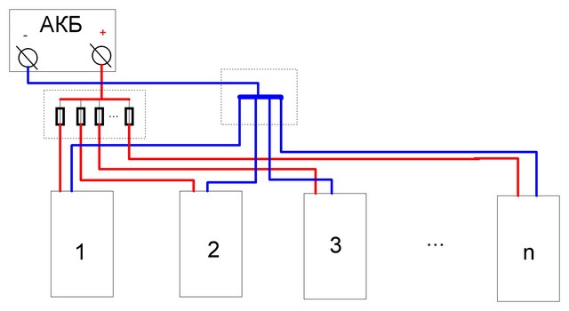
Позволю себе внести ясность по поводу "звезд".

Схемы соединения потребителей "Звездой" уместна только лишь при трехфазном источника питания переменного тока и Вячеслав Меркулов здесь прав.

В электроустановках есть три основных схемы электроснабжения:

- магистральная


(применяется в осоновном в электрических сетях переменного тока выше 1000В). Схемки накидал применитеольно к теме автомобильной силовой проводки.

- радиальная


Та о которой писал шановный Воликов. Плюсы очевидны. Минусы - большая стоимость по отношению к магистральной.

- смешанная


Самая применяемая в электроснабжении в т.ч. автомобильной электропроводке, т.к. является "золотой серединой" между ценой и надежностью. Включает в себя и плюсы и минусы двух предыдущих схем.

Что до конденсатора, то от того что он есть хуже никому не будет. Даже если он кЕтайский (лишь бы не тёк). А вот необходимость в нем уместна тогда, когда ближайший усилитель к тому который вы подператете (хотите подпереть) емкостью находиться ближе чем АКБ (т.е. сопротивление проводки между усилителями меньше чем между усилителем и АКБ) - в этом случае усилки будут кушать амперы друг у друга - про это уже писалось не раз, и шановным Воликовым в т.ч.

Кактатак
Миниатюры
Нажмите на изображение для увеличения
Название: магистральная.jpg
Просмотров: 1705
Размер:	16.4 Кб
ID:	7678   Нажмите на изображение для увеличения
Название: радиальная.jpg
Просмотров: 1354
Размер:	24.0 Кб
ID:	7679  

Нажмите на изображение для увеличения
Название: смешаная.jpg
Просмотров: 1393
Размер:	22.2 Кб
ID:	7680  
m.a.k.c. вне форума   Вверх
Старый 02.04.2011, 12:18   #30
igorvolikov
Ушел в мир иной от нас...
 
Аватар для igorvolikov
 
Регистрация: 24.08.2008
Адрес: Донецк
Сообщений: 2,224
Вы сказали Спасибо: 208
Поблагодарили 223 раз(а) в 114 сообщениях
Репутация: 364
Отправить сообщение для igorvolikov с помощью Skype™
По умолчанию Re: Азы

Цитата:
Сообщение от m.a.k.c. Посмотреть сообщение
Позволю себе внести ясность по поводу "звезд".

Схемы соединения потребителей "Звездой" уместна только лишь при трехфазном источника питания переменного тока и Вячеслав Меркулов здесь прав.

В электроустановках есть три основных схемы электроснабжения:

- магистральная
изображение

(применяется в осоновном в электрических сетях переменного тока выше 1000В). Схемки накидал применитеольно к теме автомобильной силовой проводки.

- радиальная
изображение

Та о которой писал шановный Воликов. Плюсы очевидны. Минусы - большая стоимость по отношению к магистральной.

- смешанная

изображение
Самая применяемая в электроснабжении в т.ч. автомобильной электропроводке, т.к. является "золотой серединой" между ценой и надежностью. Включает в себя и плюсы и минусы двух предыдущих схем.

Что до конденсатора, то от того что он есть хуже никому не будет. Даже если он кЕтайский (лишь бы не тёк). А вот необходимость в нем уместна тогда, когда ближайший усилитель к тому который вы подператете (хотите подпереть) емкостью находиться ближе чем АКБ (т.е. сопротивление проводки между усилителями меньше чем между усилителем и АКБ) - в этом случае усилки будут кушать амперы друг у друга - про это уже писалось не раз, и шановным Воликовым в т.ч.

Кактатак

Вот спасибо вам душевное !
А то так и до рукоприкладства бы дошло
Жаль Вячеслав не знал этих терминов.
Уверен на 99 процентов - если бы он знал , то обязятельно просто бы поправил. Как это сделали вы.

Зато теперь я знаю - то что я называю звездой , правильно называть РАДИАЛЬНОЙ.



Добавлено через 3 минуты
Цитата:
Сообщение от Вячеслав Меркулов Посмотреть сообщение
Ответ уже был... (см. выше)
Вы его уже оценили, как "Не более того".
Так вот это и есть суть, если что...

Вам встречный вопрос - какое отношение ваша ЗВЕЗДА (или ЗВУЗДА... не знаю, что вы там имели ввиду) имеет отношение к АЗАМ?
Вообще-то, Азы - это начальные сведения, основы чего либо. И подменять понятия в самом начале - значит заложить "кривой фундамент", который не сможет крепко держать воздвигаемое "здание" знаний...

Хотите поговорить об этом?

Все. Нашлись добрые люди - подсказали. ЗВЕЗДУ фтопку. По умному называется РАДИАЛЬНАЯ.
Жаль что вы не знали.
И спора бы не вышло.

ЗЫ
Или знали ? Но специально .... Неееее ! Даже думать о таком нехочу !

Добавлено через 18 минут
ЗЫЗЫ

Так всеже Вячеслав !
Какое отношение пост #19 имеет к теме топика ?
Ибо отношение к терминологии видно. Не более.

Последний раз редактировалось igorvolikov; 02.04.2011 в 12:36. Причина: Добавлено сообщение
igorvolikov вне форума   Вверх
Старый 02.04.2011, 13:19   #31
Вячеслав Меркулов
Старейшина
 
Аватар для Вячеслав Меркулов
 
Регистрация: 04.03.2010
Адрес: г. Озёрск Челябинской обл.
Возраст: 67
Сообщений: 645
Вы сказали Спасибо: 40
Поблагодарили 103 раз(а) в 79 сообщениях
Репутация: 83
По умолчанию Re: Азы

Цитата:
Сообщение от igorvolikov Посмотреть сообщение
Так всеже Вячеслав !
Какое отношение пост #19 имеет к теме топика ?
Ибо отношение к терминологии видно. Не более.
Игорь, я вам два раза пытался ответить...
(№23, №27)... Недоходчиво?
А то получается как в известном мультфильме... Кто там?.....Кто там?.....Кто там?.....Кто там?.....Кто там?.....
ЗЫ
Свой вопрос - почему АКБ в центре, я снимаю...
Похоже он вам не по зубам... (что ещё можно подумать, если ответа нет)...
ПЫСЫ
Кстати моё ИМХО по поводу конденсатора для SQ прямопротивоположно вашему...
Но спорить на эту тему с вами не имею никакого желания... (с недавнего времени)...
Вячеслав Меркулов вне форума   Вверх
Старый 02.04.2011, 13:27   #32
igorvolikov
Ушел в мир иной от нас...
 
Аватар для igorvolikov
 
Регистрация: 24.08.2008
Адрес: Донецк
Сообщений: 2,224
Вы сказали Спасибо: 208
Поблагодарили 223 раз(а) в 114 сообщениях
Репутация: 364
Отправить сообщение для igorvolikov с помощью Skype™
По умолчанию Re: Азы

Цитата:
Сообщение от Вячеслав Меркулов Посмотреть сообщение
(№23, №27)... Недоходчиво?
Вячеслав ! Там про емкости ни слова !
МОжет жирным выделите ?

Цитата:
Сообщение от Вячеслав Меркулов Посмотреть сообщение
Кстати моё ИМХО по поводу конденсатора для SQ прямопротивоположно вашему...
Вот ! А это уже наконецто по теме топика. Спасибо !
ЗЫ
Споры - последнее дело
igorvolikov вне форума   Вверх
Старый 04.04.2011, 08:31   #33
alfa25
 
Аватар для alfa25
 
Регистрация: 11.03.2011
Адрес: Kotsubinskoe
Возраст: 53
Сообщений: 299
Вы сказали Спасибо: 19
Поблагодарили 26 раз(а) в 14 сообщениях
Репутация: 65
Wink Re: Азы

В системах с усилителями и сабом нужен. При работающем двигателе снабжением потребителей занимается ГЕНЕРАТОР. Не надо его насиловать, даже не говорю о машинах с модулем контроля заряда АКБ
alfa25 вне форума   Вверх
Старый 04.04.2011, 08:39   #34
Fedosoff
 
Аватар для Fedosoff
 
Регистрация: 21.10.2009
Адрес: Киев
Сообщений: 409
Вы сказали Спасибо: 56
Поблагодарили 61 раз(а) в 28 сообщениях
Репутация: 128
Отправить сообщение для Fedosoff с помощью ICQ
По умолчанию Re: Азы

Цитата:
Сообщение от alfa25 Посмотреть сообщение
Не надо его насиловать, даже не говорю о машинах с модулем контроля заряда АКБ
а какова же тогда роль батарейки? и чем дополнительная емкость поможет не насиловать генератор? разве что она выработает дополнительные пару вольт. или она (емкость) магическим образом возмёт не себя снабжение потребителей и генератор перестанет насиловаться?
Fedosoff вне форума   Вверх
Старый 04.04.2011, 09:56   #35
alfa25
 
Аватар для alfa25
 
Регистрация: 11.03.2011
Адрес: Kotsubinskoe
Возраст: 53
Сообщений: 299
Вы сказали Спасибо: 19
Поблагодарили 26 раз(а) в 14 сообщениях
Репутация: 65
По умолчанию Re: Азы

Сглаживает колия по потреблению
alfa25 вне форума   Вверх
Старый 04.04.2011, 11:03   #36
m.a.k.c.
Старейшина
 
Аватар для m.a.k.c.
 
Регистрация: 11.02.2010
Адрес: Керчь
Возраст: 41
Сообщений: 334
Вы сказали Спасибо: 61
Поблагодарили 44 раз(а) в 28 сообщениях
Репутация: 81
По умолчанию Re: Азы

Цитата ГЕНЕРАТОР. Не надо его насиловать
(прям как лозунг получаетсо)
Да никто его не и насилует...

Постоянный ток - это ток бесконечно мало изменяющийся по амплитуде во времени.
Из чего следует, что те токи которые текут в силовой проводке автомобиля постоянными называются лишь условно. Они хотят ими быть, но у них это не получается. Почему?...
Про штатные потребители и проблемы связанные с ними писать не буду, но они есть они не могут не есть. Буду про автозвук, стало быть...
УМЗЧ усиливают переменный ток, да еще и не гольную синусоиду, а сигналы с широким частотным и энергетическим спектром и сложными огибающими.
В нашем случае самые "вредные" для сетей питания это басовые усилители, т.к. эти участки спектра музыкального сигнала наиболее требовательны к мощностям усилителей, коие, соответственно, являются более "прожорливыми" по питанию.
В моменты пиков басовой бочки - так называемого кика, присущего в большинстве если не во всех музыкальных произведениях прослушиваемых сикюшниками, особенно на громкостях выше средних усилок тянет из сети токи по амплитуде и частоте пропорциональные тому музыкальному материалу, который он усиливает.
Да, в блоках питания всех усилителей есть емкости, но они рассчитаны на "подпитку" схемы после БП, а не до него. Соответственно на то, что твориться в питающей сети их (эти конденсаторы) не должно волновать не коим образом, но не тут то было...
Так как большинство систем караудио сделаны по смешанной схеме, о которой я писал выше, которая подразумевает, то что проводка между усилителями короче чем от усилителей до АКБ, то усилители начинают кушать друг у друга амперы. В питающих цепях начинают блуждать токи хаотичного характера, превращая форму тока и напряжения в питающей сети в "кашу", искажая форму "прямой" постоянного тока. Тем самым насыщая её дополнительными гармониками/полугармониками, которых быть не должно.

Не секрет, что конденсатор включенный паралельно - это ФНЧ первого порядка. Так вот тот кондер который стоит в питающей сети - тот же самый ФНЧ с ОГРОМНОЙ ёмкостью, т.е. срезающий все что хочет колыхнуться от номинала того напряжения на которое он заряжен (Речь конечно же идет о его работе в сети питания автомобиля, т.е. срезает (на самом деле пытается срезать) все горбы и ямы которые вырисовываются в процессе еды тока усилками.

Языком электриков ПТУ-шников: когда надо берет ток из сети, когда надо сети - отдает ей то что у нее взял.

Аккумулятор, на самом деле тот же конденсатор, только с еще большей емкостью со всеми вытекающими от сюда следствиями.

Вернувшись к цитате о потере чести генератора насильственным путем, думаю, не стоит объяснять почему у вас этого не получится будь у вас в цепи нормальный исправный аккумулятор.

Как то так
m.a.k.c. вне форума   Вверх
Старый 04.04.2011, 11:34   #37
Cobox
Штырлиц
 
Аватар для Cobox
 
Регистрация: 09.04.2007
Адрес: Ирпень
Сообщений: 4,912
Вы сказали Спасибо: 136
Поблагодарили 355 раз(а) в 191 сообщениях
Репутация: 673
По умолчанию Re: Азы

Цитата:
Сообщение от m.a.k.c. Посмотреть сообщение
Аккумулятор, на самом деле тот же конденсатор, только с еще большей емкостью со всеми вытекающими от сюда следствиями.

Вернувшись к цитате о потере чести генератора насильственным путем, думаю, не стоит объяснять почему у вас этого не получится будь у вас в цепи нормальный исправный аккумулятор.
Cobox вне форума   Вверх
Старый 04.04.2011, 11:38   #38
Fedosoff
 
Аватар для Fedosoff
 
Регистрация: 21.10.2009
Адрес: Киев
Сообщений: 409
Вы сказали Спасибо: 56
Поблагодарили 61 раз(а) в 28 сообщениях
Репутация: 128
Отправить сообщение для Fedosoff с помощью ICQ
По умолчанию Re: Азы

Цитата:
Сообщение от m.a.k.c. Посмотреть сообщение
(Как то так
Спасибо, я б себя не заставил столько написать
Fedosoff вне форума   Вверх
Старый 04.04.2011, 13:09   #39
alfa25
 
Аватар для alfa25
 
Регистрация: 11.03.2011
Адрес: Kotsubinskoe
Возраст: 53
Сообщений: 299
Вы сказали Спасибо: 19
Поблагодарили 26 раз(а) в 14 сообщениях
Репутация: 65
По умолчанию Re: Азы

Внутреннее сопротивления АКБ 0,6-0,8 Мом, а конденсатора на 1F 0.08-0.13 Мом. Разница почти на порядок. А чем меньше сопротивлени тем быстрее отдача
alfa25 вне форума   Вверх
Старый 04.04.2011, 13:43   #40
Fedosoff
 
Аватар для Fedosoff
 
Регистрация: 21.10.2009
Адрес: Киев
Сообщений: 409
Вы сказали Спасибо: 56
Поблагодарили 61 раз(а) в 28 сообщениях
Репутация: 128
Отправить сообщение для Fedosoff с помощью ICQ
По умолчанию Re: Азы

Цитата:
Сообщение от alfa25 Посмотреть сообщение
А чем меньше сопротивлени тем быстрее отдача
для того что-бы продать что-то не нужное, нужно сначала купить что-то не нужное, а у нас денег нет. (с) шарик

возмем конденсатор на 1 фарад, допустим что при 14 вольтах он запасет 14 кулон. подключаем у нему систему, допустим в 500ватт, для ее питания в секунду необходимо 14вольт * 35.7 ампер. тоесть 35.7 кулон. исходя из этого емкость сдуется до "0" за 0.39 секунды. а если сюда добавить что емкость будет не эффективна уже при разряде до 10 вольт, то есть эффективная работа составит 0.112 сек.
насколько будет быстро емкость накапливать свой заряд, какая потеря мощности будет приходится на конденсатор, тоже не понятно. в итоге через мизерный промежуток времени весь удар по питанию возьмет на себя АКБ.

зачем в системе лишний потребитель?
если нужно увеличить отдачу, то хорошая проводка и АКБ с маленьким внутр. сопротивлением.

пысы, поправьте если че напутал

Последний раз редактировалось Cobox; 04.04.2011 в 15:22.
Fedosoff вне форума   Вверх
Закрытая тема


Здесь присутствуют: 1 (пользователей: 0 , гостей: 1)
 

Ваши права в разделе
Вы не можете создавать новые темы
Вы не можете отвечать в темах
Вы не можете прикреплять вложения
Вы не можете редактировать свои сообщения

BB коды Вкл.
Смайлы Вкл.
[IMG] код Вкл.
HTML код Выкл.

Быстрый переход


Текущее время: 09:00. Часовой пояс GMT +2.


Перевод: zCarot
autozvuk.org ©