Всё об автозвуке

Вернуться   Всё об автозвуке > Незвуковые темы > Белый шум

Важная информация

Белый шум Общение на незвуковые темы

Ответ
 
Опции темы Опции просмотра
Старый 16.01.2015, 10:13   #1
Артёмыч
Старейшина
 
Аватар для Артёмыч
 
Регистрация: 09.11.2012
Адрес: Харьков
Возраст: 35
Сообщений: 449
Вы сказали Спасибо: 0
Поблагодарили 0 раз(а) в 0 сообщениях
Репутация: 144
Отправить сообщение для Артёмыч с помощью ICQ Отправить сообщение для Артёмыч с помощью Skype™
По умолчанию Давайте поиграем в игру ?=)

Предлагаю сыграть в игру =) Давайте будем задавать друг другу каверзные вопросы, и пытаться на них ответить =)
И интересно, кто что придумает, и конечно же - повышаем уровень образования !

Начнём с простенького, что все знают =)

Это связано с фазоинвертором, кто скажет как ?)
Изображения
 

Последний раз редактировалось Артёмыч; 16.01.2015 в 11:10.
Артёмыч вне форума   Ответить с цитированием Вверх
Старый 16.01.2015, 21:56   #2
Hetchserg
 
Аватар для Hetchserg
 
Регистрация: 21.11.2009
Адрес: Харьков
Возраст: 41
Сообщений: 525
Вы сказали Спасибо: 24
Поблагодарили 4 раз(а) в 1 сообщении
Репутация: 192
По умолчанию Re: Давайте поиграем в игру ?=)

А у тебя еще есть?
Hetchserg вне форума   Ответить с цитированием Вверх
Старый 16.01.2015, 23:07   #3
garmas
 
Аватар для garmas
 
Регистрация: 01.01.2012
Адрес: Івано-Франківськ (Тернопіль)
Возраст: 38
Сообщений: 491
Вы сказали Спасибо: 17
Поблагодарили 0 раз(а) в 0 сообщениях
Репутация: 57
По умолчанию Re: Давайте поиграем в игру ?=)

Цікава тема
Перша картина це:а фільтр чабишева, б— баттерворда 4 порядок, в—баттерворда 3 порядок. Логіки не ловлю. І не факт шо правильне пишу.
Шо за друга картина—хз...
Нічого не бачу з фазуванням. Поправте, специ
garmas вне форума   Ответить с цитированием Вверх
Старый 17.01.2015, 10:41   #4
Артёмыч
Старейшина
 
Аватар для Артёмыч
 
Регистрация: 09.11.2012
Адрес: Харьков
Возраст: 35
Сообщений: 449
Вы сказали Спасибо: 0
Поблагодарили 0 раз(а) в 0 сообщениях
Репутация: 144
Отправить сообщение для Артёмыч с помощью ICQ Отправить сообщение для Артёмыч с помощью Skype™
По умолчанию Re: Давайте поиграем в игру ?=)

Цитата:
Сообщение от garmas Посмотреть сообщение
Цікава тема
Перша картина це:а фільтр чабишева, б— баттерворда 4 порядок, в—баттерворда 3 порядок. Логіки не ловлю. І не факт шо правильне пишу.
Шо за друга картина—хз...
Нічого не бачу з фазуванням. Поправте, специ
Обида у меня =( на блюзе дааавно ответили, а мы эх....

Начали Вы верно =) Графики ни что иное как - АЧХ фазоинверсной системы при реализации аппроксимаций по Чебышеву (1), Баттерворту (2) и квазитретьего порядка (3) а справа для них же амплитуды кол****ий диффузора.
там, где у диффузора .провал", у трубы - пик, тем более острый, чем острее провал у диффузора

это мы наблюдаем когда проверяем частоту настройки ФИ =))) На частоте где басим диф практически стоит и есть частота настройки, вся прелесть резонатора Гемгольца =)

Добавлено через 3 минуты
Тогда попроще =) Что будет при такой схеме подключения ?

Последний раз редактировалось Артёмыч; 17.01.2015 в 10:45. Причина: Добавлено сообщение
Артёмыч вне форума   Ответить с цитированием Вверх
Старый 17.01.2015, 11:48   #5
Kurd
 
Аватар для Kurd
 
Регистрация: 29.04.2009
Адрес: Днепр
Возраст: 43
Сообщений: 948
Вы сказали Спасибо: 35
Поблагодарили 2 раз(а) в 2 сообщениях
Репутация: 85
Отправить сообщение для Kurd с помощью ICQ
По умолчанию Re: Давайте поиграем в игру ?=)

Цитата:
Сообщение от Артёмыч Посмотреть сообщение
Обида у меня =( на блюзе дааавно ответили, а мы эх....

Начали Вы верно =) Графики ни что иное как - АЧХ фазоинверсной системы при реализации аппроксимаций по Чебышеву (1), Баттерворту (2) и квазитретьего порядка (3) а справа для них же амплитуды кол****ий диффузора.
там, где у диффузора .провал", у трубы - пик, тем более острый, чем острее провал у диффузора

это мы наблюдаем когда проверяем частоту настройки ФИ =))) На частоте где басим диф практически стоит и есть частота настройки, вся прелесть резонатора Гемгольца =)

Добавлено через 3 минуты
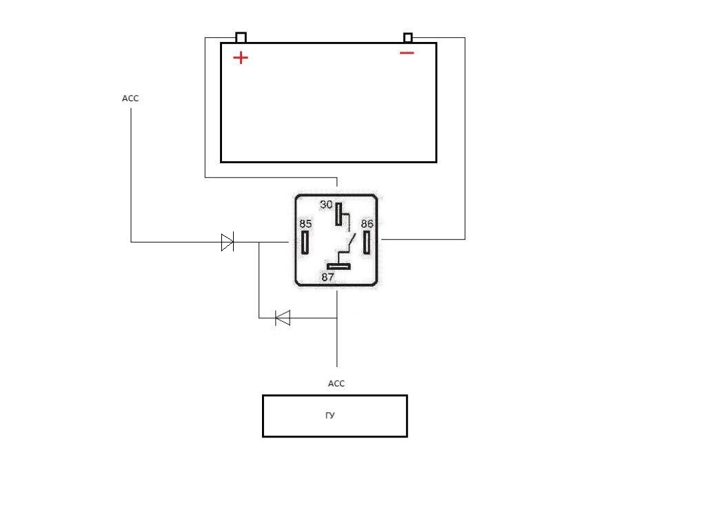
Тогда попроще =) Что будет при такой схеме подключения ?
изображение
кз
Kurd вне форума   Ответить с цитированием Вверх
Старый 17.01.2015, 12:13   #6
Артёмыч
Старейшина
 
Аватар для Артёмыч
 
Регистрация: 09.11.2012
Адрес: Харьков
Возраст: 35
Сообщений: 449
Вы сказали Спасибо: 0
Поблагодарили 0 раз(а) в 0 сообщениях
Репутация: 144
Отправить сообщение для Артёмыч с помощью ICQ Отправить сообщение для Артёмыч с помощью Skype™
По умолчанию Re: Давайте поиграем в игру ?=)

Цитата:
Сообщение от Kurd Посмотреть сообщение
кз
Не тут то было =) Боле того, такой схемой пользуются много человек в том числе и я !
Не поверю что тут не знаю ответ
Артёмыч вне форума   Ответить с цитированием Вверх
Старый 17.01.2015, 12:28   #7
q_w_e_r_t_y
Старейшина
 
Аватар для q_w_e_r_t_y
 
Регистрация: 17.01.2009
Адрес: Киевская обл.
Возраст: 44
Сообщений: 482
Вы сказали Спасибо: 4
Поблагодарили 3 раз(а) в 3 сообщениях
Репутация: 67
По умолчанию Re: Давайте поиграем в игру ?=)

в момент старта автомобиль не будет выключаться магнитола? а так же магнитола будет продолжать работать при выключении ACC (вынимании ключа) пока не выключишь магнитолу кнопкой?)
q_w_e_r_t_y вне форума   Ответить с цитированием Вверх
Старый 17.01.2015, 12:57   #8
Артёмыч
Старейшина
 
Аватар для Артёмыч
 
Регистрация: 09.11.2012
Адрес: Харьков
Возраст: 35
Сообщений: 449
Вы сказали Спасибо: 0
Поблагодарили 0 раз(а) в 0 сообщениях
Репутация: 144
Отправить сообщение для Артёмыч с помощью ICQ Отправить сообщение для Артёмыч с помощью Skype™
По умолчанию Re: Давайте поиграем в игру ?=)

Цитата:
Сообщение от q_w_e_r_t_y Посмотреть сообщение
в момент старта автомобиль не будет выключаться магнитола? а так же магнитола будет продолжать работать при выключении ACC (вынимании ключа) пока не выключишь магнитолу кнопкой?)
Второе верно ! поворачиваем ключ, запускаем ГУ - ключ можно вытащить а ГУ останется работать. Можем и "показать систему" ключ при этом не в машине, и на заправке уйти а музыку жене оставить... короче идею поняли =)

ПРо момент старта - тут не какая схема не поможет, тут просадка по питанию и по этому она выключается, разве что какую нибудь ёмкость но это уже другая история ))

Добавлено через 7 минут
Какой бренд первый изготовил титановый купол для твитера ?)

Последний раз редактировалось Артёмыч; 17.01.2015 в 13:05. Причина: Добавлено сообщение
Артёмыч вне форума   Ответить с цитированием Вверх
Старый 17.01.2015, 14:05   #9
Kurd
 
Аватар для Kurd
 
Регистрация: 29.04.2009
Адрес: Днепр
Возраст: 43
Сообщений: 948
Вы сказали Спасибо: 35
Поблагодарили 2 раз(а) в 2 сообщениях
Репутация: 85
Отправить сообщение для Kurd с помощью ICQ
По умолчанию Re: Давайте поиграем в игру ?=)

Цитата:
Сообщение от Артёмыч Посмотреть сообщение
Не тут то было =) Боле того, такой схемой пользуются много человек в том числе и я !
Не поверю что тут не знаю ответ
Kurd вне форума   Ответить с цитированием Вверх
Старый 17.01.2015, 14:38   #10
q_w_e_r_t_y
Старейшина
 
Аватар для q_w_e_r_t_y
 
Регистрация: 17.01.2009
Адрес: Киевская обл.
Возраст: 44
Сообщений: 482
Вы сказали Спасибо: 4
Поблагодарили 3 раз(а) в 3 сообщениях
Репутация: 67
По умолчанию Re: Давайте поиграем в игру ?=)

Цитата:
Сообщение от Артёмыч Посмотреть сообщение
ПРо момент старта - тут не какая схема не поможет, тут просадка по питанию и по этому она выключается, разве что какую нибудь ёмкость но это уже другая история ))
ну у меня от просадки майфун не отключается в момент старта двигателя (видимо просадка небольшая), а отключается как-раз из-за пропадания АСС (при повороте ключа в "СТАРТ" в замке зажигания отключаются контакты "АСС")..
q_w_e_r_t_y вне форума   Ответить с цитированием Вверх
Старый 17.01.2015, 14:52   #11
Артёмыч
Старейшина
 
Аватар для Артёмыч
 
Регистрация: 09.11.2012
Адрес: Харьков
Возраст: 35
Сообщений: 449
Вы сказали Спасибо: 0
Поблагодарили 0 раз(а) в 0 сообщениях
Репутация: 144
Отправить сообщение для Артёмыч с помощью ICQ Отправить сообщение для Артёмыч с помощью Skype™
По умолчанию Re: Давайте поиграем в игру ?=)

Задаём вопросы не стесняемся =)))

Кто первым применил титан в изготовлении вч (твитера) ?

Последний раз редактировалось Артёмыч; 17.01.2015 в 15:02.
Артёмыч вне форума   Ответить с цитированием Вверх
Старый 17.01.2015, 14:54   #12
nofeer
 
Аватар для nofeer
 
Регистрация: 27.11.2010
Адрес: Кривой Рог
Возраст: 40
Сообщений: 113
Вы сказали Спасибо: 30
Поблагодарили 7 раз(а) в 7 сообщениях
Репутация: 50
По умолчанию Re: Давайте поиграем в игру ?=)

Да ребята вы что - левый диод пропускает напряжение на мафон - он в свою очередь включаеться, появляеться +12 на ремоуте и закольцовуеться через правый диод - на практике включили АСС - включили мафон - выключили асс - мафон работает до того как не выключим его с панельки!
nofeer вне форума   Ответить с цитированием Вверх
Старый 17.01.2015, 15:02   #13
Артёмыч
Старейшина
 
Аватар для Артёмыч
 
Регистрация: 09.11.2012
Адрес: Харьков
Возраст: 35
Сообщений: 449
Вы сказали Спасибо: 0
Поблагодарили 0 раз(а) в 0 сообщениях
Репутация: 144
Отправить сообщение для Артёмыч с помощью ICQ Отправить сообщение для Артёмыч с помощью Skype™
По умолчанию Re: Давайте поиграем в игру ?=)

Цитата:
Сообщение от nofeer Посмотреть сообщение
Да ребята вы что - левый диод пропускает напряжение на мафон - он в свою очередь включаеться, появляеться +12 на ремоуте и закольцовуеться через правый диод - на практике включили АСС - включили мафон - выключили асс - мафон работает до того как не выключим его с панельки!
Ура =))) Спасибо, но как видели уже нашли ответ, но Ваше разъяснение лучше для восприятия
Артёмыч вне форума   Ответить с цитированием Вверх
Старый 17.01.2015, 15:04   #14
pitsol
 
Аватар для pitsol
 
Регистрация: 30.12.2011
Адрес: Одесса
Возраст: 46
Сообщений: 812
Вы сказали Спасибо: 8
Поблагодарили 0 раз(а) в 0 сообщениях
Репутация: 158
По умолчанию Re: Давайте поиграем в игру ?=)

Цитата:
Сообщение от Артёмыч Посмотреть сообщение
поворачиваем ключ, запускаем ГУ - ключ можно вытащить а ГУ останется работать.
Хмм, я обычно вот так делаю.
Миниатюры
Нажмите на изображение для увеличения
Название: Новый точечный рисунок 2.jpg
Просмотров: 1009
Размер:	32.7 Кб
ID:	48082  

Последний раз редактировалось pitsol; 17.01.2015 в 15:29.
pitsol вне форума   Ответить с цитированием Вверх
Старый 17.01.2015, 15:07   #15
nofeer
 
Аватар для nofeer
 
Регистрация: 27.11.2010
Адрес: Кривой Рог
Возраст: 40
Сообщений: 113
Вы сказали Спасибо: 30
Поблагодарили 7 раз(а) в 7 сообщениях
Репутация: 50
По умолчанию Re: Давайте поиграем в игру ?=)

зечем реле?! там нет нагрузки да и ещё 1-го диода не хватает!
nofeer вне форума   Ответить с цитированием Вверх
Старый 17.01.2015, 15:29   #16
pitsol
 
Аватар для pitsol
 
Регистрация: 30.12.2011
Адрес: Одесса
Возраст: 46
Сообщений: 812
Вы сказали Спасибо: 8
Поблагодарили 0 раз(а) в 0 сообщениях
Репутация: 158
По умолчанию Re: Давайте поиграем в игру ?=)

Цитата:
Сообщение от nofeer Посмотреть сообщение
да и ещё 1-го диода не хватает!
исправил
pitsol вне форума   Ответить с цитированием Вверх
Старый 17.01.2015, 16:08   #17
Директор Луны
Ушел в мир иной от нас...
 
Аватар для Директор Луны
 
Регистрация: 06.04.2008
Адрес: EMMA Ukraine
Возраст: 60
Сообщений: 9,976
Вы сказали Спасибо: 43
Поблагодарили 423 раз(а) в 130 сообщениях
Репутация: 1086
По умолчанию Re: Давайте поиграем в игру ?=)

Артёмыч,
А нарисуй-ка, пожалуйста, как ПРАВИЛЬНО (чтоб не сдох АКБ) подключить именно HX-D2 к авто, у которой негде взять АСС ? (есть только "шина")
Директор Луны вне форума   Ответить с цитированием Вверх
Старый 17.01.2015, 18:14   #18
Артёмыч
Старейшина
 
Аватар для Артёмыч
 
Регистрация: 09.11.2012
Адрес: Харьков
Возраст: 35
Сообщений: 449
Вы сказали Спасибо: 0
Поблагодарили 0 раз(а) в 0 сообщениях
Репутация: 144
Отправить сообщение для Артёмыч с помощью ICQ Отправить сообщение для Артёмыч с помощью Skype™
По умолчанию Re: Давайте поиграем в игру ?=)

Цитата:
Сообщение от Директор Луны Посмотреть сообщение
Артёмыч,
А нарисуй-ка, пожалуйста, как ПРАВИЛЬНО (чтоб не сдох АКБ) подключить именно HX-D2 к авто, у которой негде взять АСС ? (есть только "шина")
Дэк и эта правильная ничего после выключения с акб не будет браться....
Если негде взять аас ? ... Не уж то какой-то тумблер выводить ) и кнопочкой каждый раз включать


а если без шуток эту схему (что на картинке) можно ведь и от поворота ключа старт сделать- повернули заработало, обратно а гу работает. С кнопки выключили и все хорошо... На крайняк вообще от центрального замка придумать ) зашел в машину аас на гу пошло )

Последний раз редактировалось Артёмыч; 17.01.2015 в 18:23.
Артёмыч вне форума   Ответить с цитированием Вверх
Старый 17.01.2015, 19:16   #19
Директор Луны
Ушел в мир иной от нас...
 
Аватар для Директор Луны
 
Регистрация: 06.04.2008
Адрес: EMMA Ukraine
Возраст: 60
Сообщений: 9,976
Вы сказали Спасибо: 43
Поблагодарили 423 раз(а) в 130 сообщениях
Репутация: 1086
По умолчанию Re: Давайте поиграем в игру ?=)

Цитата:
Сообщение от Артёмыч Посмотреть сообщение
Дэк и эта правильная
тьфу ты ну ты - ёптыть млять!
Ещё раз!
Рассказывай, как и где взять АСС (чтоб ты проще понимал - проводок, к которому цепляться ???, в твоей "старухе" БМВ есть, в моём СЕАТ-е не было проводков и нет) ???
пс. И ещё, рисуй правильно схему питания/подключения HX-D2, там не так как тобой нарисовано Блока одного отдельного не хватает, ну и ещё ... пару проводков с предами
Изображения
 

Последний раз редактировалось Директор Луны; 17.01.2015 в 19:28.
Директор Луны вне форума   Ответить с цитированием Вверх
Старый 17.01.2015, 19:59   #20
bonshura
 
Аватар для bonshura
 
Регистрация: 03.08.2010
Адрес: Киев
Сообщений: 296
Вы сказали Спасибо: 10
Поблагодарили 4 раз(а) в 4 сообщениях
Репутация: 51
По умолчанию Re: Давайте поиграем в игру ?=)

Цитата:
Сообщение от Директор Луны Посмотреть сообщение
Артёмыч,
А нарисуй-ка, пожалуйста, как ПРАВИЛЬНО (чтоб не сдох АКБ) подключить именно HX-D2 к авто, у которой негде взять АСС ? (есть только "шина")
может повесить на прикуриватель? не?
bonshura вне форума   Ответить с цитированием Вверх
Ответ


Здесь присутствуют: 1 (пользователей: 0 , гостей: 1)
 
Опции темы
Опции просмотра

Ваши права в разделе
Вы не можете создавать новые темы
Вы не можете отвечать в темах
Вы не можете прикреплять вложения
Вы не можете редактировать свои сообщения

BB коды Вкл.
Смайлы Вкл.
[IMG] код Вкл.
HTML код Выкл.

Быстрый переход

Похожие темы
Тема Автор Раздел Ответов Последнее сообщение
Давайте вітати Halin-a Рост ® Белый шум 7 26.05.2008 09:11
А давайте ка обсудим VW Jetta! Greck Бюджетный автозвук и песочница. 8 21.06.2007 20:36


Текущее время: 02:49. Часовой пояс GMT +2.


Перевод: zCarot
autozvuk.org ©