Всё об автозвуке

Вернуться   Всё об автозвуке > Незвуковые темы > Белый шум
Регистрация Новые сообщения Правила форума Справка Сообщество Календарь Поиск

Важная информация

Белый шум Общение на незвуковые темы

Ответ
 
Опции темы Опции просмотра
Старый 04.08.2017, 14:38   #1
Joice
 
Аватар для Joice
 
Регистрация: 04.06.2013
Адрес: Малин
Возраст: 50
Сообщений: 181
Вы сказали Спасибо: 0
Поблагодарили 0 раз(а) в 0 сообщениях
Репутация: 12
Отправить сообщение для Joice с помощью ICQ
По умолчанию Усилить Remout.

Доброго дня всем. Как абсолютный дилетант в электронике прошу вашей помощи. Имею управляющий провод 12в, который обязан включать автомобильный усилитель, но мощности этих 12-ти вольт явно не хватает. Пробовал задействовать миниатюрную релюшку, но и её этот сигнал отказывается включать. Задумал пристроить какой-нибудь транзистор, но просидев вечер за основами электроники, вычитал, что на базу транзистора можно подавать лишь 0.5-0.7в, а у меня ведь 12! Как быть? Схемки прилагаю, гляньте не бредятину ли я нарисовал.
Миниатюры
Нажмите на изображение для увеличения
Название: WP_20170804_13_57_47_Pro.jpg
Просмотров: 894
Размер:	349.4 Кб
ID:	66910  
Joice вне форума   Ответить с цитированием Вверх
Старый 04.08.2017, 15:00   #2
haltz
 
Аватар для haltz
 
Регистрация: 16.03.2011
Адрес: Херсон
Сообщений: 247
Вы сказали Спасибо: 0
Поблагодарили 1 раз в 1 сообщении
Репутация: 59
По умолчанию Re: Усилить Remout.

Цитата
Сообщение от Joice Посмотреть сообщение
но мощности этих 12-ти вольт явно не хватает
Цитата
Сообщение от Joice Посмотреть сообщение
но и её этот сигнал отказывается включать.
День добрый. Может постараетесь объясниться по сути?
haltz вне форума   Ответить с цитированием Вверх
Старый 04.08.2017, 15:34   #3
Joice
 
Аватар для Joice
 
Регистрация: 04.06.2013
Адрес: Малин
Возраст: 50
Сообщений: 181
Вы сказали Спасибо: 0
Поблагодарили 0 раз(а) в 0 сообщениях
Репутация: 12
Отправить сообщение для Joice с помощью ICQ
По умолчанию Re: Усилить Remout.

Да и так старался доходчивее. Как у всех магнитол имею в своем БП(это КарПС) проводок Remote. Он точно выдаёт положенные 12в, но один из моих усилителей от него не включается. Подаю 12 вольт от прикуривателя(допустим) - без проблем. Т.е. нужно сделать вывод, что силы тока на Remote недостаточно. Вот и пытаюсь этот ток увеличить. Такая проблема свойственна для БП M2-itx.
Joice вне форума   Ответить с цитированием Вверх
Старый 04.08.2017, 16:19   #4
ninzak
 
Аватар для ninzak
 
Регистрация: 04.01.2012
Адрес: Мариуполь
Возраст: 42
Сообщений: 175
Вы сказали Спасибо: 0
Поблагодарили 0 раз(а) в 0 сообщениях
Репутация: 64
По умолчанию Re: Усилить Remout.

Цитата
Сообщение от Joice Посмотреть сообщение
Да и так старался доходчивее. Как у всех магнитол имею в своем БП(это КарПС) проводок Remote. Он точно выдаёт положенные 12в, но один из моих усилителей от него не включается. Подаю 12 вольт от прикуривателя(допустим) - без проблем. Т.е. нужно сделать вывод, что силы тока на Remote недостаточно. Вот и пытаюсь этот ток увеличить. Такая проблема свойственна для БП M2-itx.
А что за усилитель такой интересный, которому на Remote не хватает тока? У меня с оригинальным M2-ITX штук 50 усилков работало в разное время (а может, больше))). И ни с одним проблем не было.
Может, неисправность в самом усилителе?
ninzak вне форума   Ответить с цитированием Вверх
Старый 04.08.2017, 15:34   #5
Санчес
Старейшина
 
Аватар для Санчес
 
Регистрация: 20.01.2009
Адрес: Коростень
Возраст: 44
Сообщений: 663
Вы сказали Спасибо: 34
Поблагодарили 18 раз(а) в 18 сообщениях
Репутация: 69
По умолчанию Re: Усилить Remout.

А может просто попалась релюха, которая работает на размыкание а не на смыкание, при подаче управляющего напряжения...? У меня такое было...
Санчес вне форума   Ответить с цитированием Вверх
Старый 04.08.2017, 15:41   #6
Joice
 
Аватар для Joice
 
Регистрация: 04.06.2013
Адрес: Малин
Возраст: 50
Сообщений: 181
Вы сказали Спасибо: 0
Поблагодарили 0 раз(а) в 0 сообщениях
Репутация: 12
Отправить сообщение для Joice с помощью ICQ
По умолчанию Re: Усилить Remout.

Санчес, да она просто не клацает даже.
Joice вне форума   Ответить с цитированием Вверх
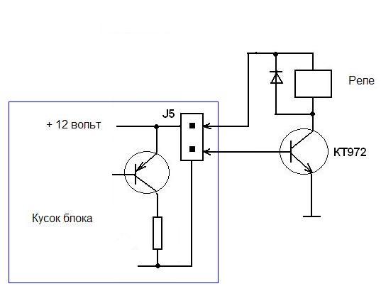
Старый 04.08.2017, 15:44   #7
haltz
 
Аватар для haltz
 
Регистрация: 16.03.2011
Адрес: Херсон
Сообщений: 247
Вы сказали Спасибо: 0
Поблагодарили 1 раз в 1 сообщении
Репутация: 59
По умолчанию Re: Усилить Remout.

Здесь были?
http://www.compcar.ru/forum/showthread.php?t=3220

А здесь ?
http://pccar.ru/showthread.php?p=389852

Google поиск выдал: Результатов: примерно 460 000 за (0,43 сек.)
Миниатюры
Нажмите на изображение для увеличения
Название: remote.JPG
Просмотров: 945
Размер:	16.9 Кб
ID:	66912  

Последний раз редактировалось haltz; 04.08.2017 в 15:57. Причина: схема
haltz вне форума   Ответить с цитированием Вверх
Старый 04.08.2017, 16:05   #8
Joice
 
Аватар для Joice
 
Регистрация: 04.06.2013
Адрес: Малин
Возраст: 50
Сообщений: 181
Вы сказали Спасибо: 0
Поблагодарили 0 раз(а) в 0 сообщениях
Репутация: 12
Отправить сообщение для Joice с помощью ICQ
По умолчанию Re: Усилить Remout.

Был, но не вкурил, как, предложенная там схемка работает. На коллектор транзистора приходит 12в, а База и Эмитер на массу, странно как-то. Не хочется делать неосознавая что, тем более когда ответили, что транзистор пофиг какой лишь бы NPN.
Изображения
 
Joice вне форума   Ответить с цитированием Вверх
Старый 04.08.2017, 16:10   #9
haltz
 
Аватар для haltz
 
Регистрация: 16.03.2011
Адрес: Херсон
Сообщений: 247
Вы сказали Спасибо: 0
Поблагодарили 1 раз в 1 сообщении
Репутация: 59
По умолчанию Re: Усилить Remout.

Там у Вас вопроса на 50-100 грн, отдайте знающему пусть сделает. Извините, но с Вашим подходом к делу даже если все правильно подключите - все равно спалите

Цитата что транзистор пофиг какой лишь бы NPN.
Нормальный ответ

Последний раз редактировалось haltz; 04.08.2017 в 16:22.
haltz вне форума   Ответить с цитированием Вверх
Старый 04.08.2017, 16:33   #10
Joice
 
Аватар для Joice
 
Регистрация: 04.06.2013
Адрес: Малин
Возраст: 50
Сообщений: 181
Вы сказали Спасибо: 0
Поблагодарили 0 раз(а) в 0 сообщениях
Репутация: 12
Отправить сообщение для Joice с помощью ICQ
По умолчанию Re: Усилить Remout.

К сожалению у нас знающие, все как один предложили подключиться от АСС. И все мои доводы и денежные вознаграждения вызывали либо недоумения, либо оставить автомобиль на пару суток.
О цене вопроса, Вы правы - 50грн выше крыши. А вот именно благодаря моему подходу до сих пор ничего не сжёг и всё работает, не наговаривайте. Этот компьютерный проект не лёгок для меня, но фактически приблизился к ожидаемому результату.

Добавлено через 20 минут
Цитата:
Сообщение от ninzak Посмотреть сообщение
А что за усилитель такой интересный, которому на Remote не хватает тока? У меня с оригинальным M2-ITX штук 50 усилков работало в разное время (а может, больше))). И ни с одним проблем не было.
Может, неисправность в самом усилителе?
Helix db4, а вот китаец Mystery включается, но в паре тоже не хочет.

Добавлено через 53 минуты
Вот только что измерил. Без нагрузки на проводе Ремоут 12.6в, а в подключенном к усилителям состоянии 1.24в!!! Да, такого падения напряжения я не ожидал. И о чём это говорит?

Последний раз редактировалось Joice; 04.08.2017 в 17:26. Причина: Добавлено сообщение
Joice вне форума   Ответить с цитированием Вверх
Старый 04.08.2017, 17:31   #11
ninzak
 
Аватар для ninzak
 
Регистрация: 04.01.2012
Адрес: Мариуполь
Возраст: 42
Сообщений: 175
Вы сказали Спасибо: 0
Поблагодарили 0 раз(а) в 0 сообщениях
Репутация: 64
По умолчанию Re: Усилить Remout.

Цитата
Сообщение от Joice Посмотреть сообщение
К сожалению у нас знающие, все как один предложили подключиться от АСС. И все мои доводы и денежные вознаграждения вызывали либо недоумения, либо оставить автомобиль на пару суток.
О цене вопроса, Вы правы - 50грн выше крыши. А вот именно благодаря моему подходу до сих пор ничего не сжёг и всё работает, не наговаривайте. Этот компьютерный проект не лёгок для меня, но фактически приблизился к ожидаемому результату.

Добавлено через 20 минут


Helix db4, а вот китаец Mystery включается, но в паре тоже не хочет.
На вашем месте я бы сначала хорошенько проверил Helix.

Последний раз редактировалось ninzak; 04.08.2017 в 17:35.
ninzak вне форума   Ответить с цитированием Вверх
Старый 04.08.2017, 17:34   #12
haltz
 
Аватар для haltz
 
Регистрация: 16.03.2011
Адрес: Херсон
Сообщений: 247
Вы сказали Спасибо: 0
Поблагодарили 1 раз в 1 сообщении
Репутация: 59
По умолчанию Re: Усилить Remout.

Цитата
Сообщение от Joice Посмотреть сообщение
а вот китаец Mystery включается
И какое при этом напряжение на рэм?
haltz вне форума   Ответить с цитированием Вверх
Старый 04.08.2017, 17:59   #13
Joice
 
Аватар для Joice
 
Регистрация: 04.06.2013
Адрес: Малин
Возраст: 50
Сообщений: 181
Вы сказали Спасибо: 0
Поблагодарили 0 раз(а) в 0 сообщениях
Репутация: 12
Отправить сообщение для Joice с помощью ICQ
По умолчанию Re: Усилить Remout.

Цитата
Сообщение от haltz Посмотреть сообщение
И какое при этом напряжение на рэм?
Так, Mystery просадил Ремоут с 12.6 до 9.73в, а Хеликс до 1.24в. Что, нести Немца в ремонт? Укладут наши умельцы его точно, сейчас хоть играет.
Joice вне форума   Ответить с цитированием Вверх
Старый 04.08.2017, 23:32   #14
VKVladimir
 
Аватар для VKVladimir
 
Регистрация: 21.08.2014
Адрес: Запорожье
Возраст: 57
Сообщений: 149
Вы сказали Спасибо: 0
Поблагодарили 0 раз(а) в 0 сообщениях
Репутация: 96
По умолчанию Re: Усилить Remout.

Думаю, проблему нужно искать в источнике ремоута. где то у него тонкий провод.
VKVladimir вне форума   Ответить с цитированием Вверх
Старый 05.08.2017, 19:45   #15
bolid
 
Аватар для bolid
 
Регистрация: 11.10.2010
Адрес: Черкассы
Сообщений: 121
Вы сказали Спасибо: 0
Поблагодарили 0 раз(а) в 0 сообщениях
Репутация: 21
По умолчанию Re: Усилить Remout.

я может просто на провод ремоут поставить реле?
bolid вне форума   Ответить с цитированием Вверх
Старый 06.08.2017, 15:23   #16
Joice
 
Аватар для Joice
 
Регистрация: 04.06.2013
Адрес: Малин
Возраст: 50
Сообщений: 181
Вы сказали Спасибо: 0
Поблагодарили 0 раз(а) в 0 сообщениях
Репутация: 12
Отправить сообщение для Joice с помощью ICQ
По умолчанию Re: Усилить Remout.

Цитата:
Сообщение от bolid Посмотреть сообщение
я может просто на провод ремоут поставить реле?
Так и планировал, но и реле не включается от ремоута.
Joice вне форума   Ответить с цитированием Вверх
Старый 06.08.2017, 15:29   #17
tigrenok
 
Аватар для tigrenok
 
Регистрация: 31.12.2015
Адрес: Київ
Возраст: 43
Сообщений: 38
Вы сказали Спасибо: 0
Поблагодарили 0 раз(а) в 0 сообщениях
Репутация: 7
Отправить сообщение для tigrenok с помощью ICQ
По умолчанию Re: Усилить Remout.

В мене перша думка, що від магнітоли виведений зовсім не ремоут. Друга - попробувати без містері.
tigrenok вне форума   Ответить с цитированием Вверх
Старый 06.08.2017, 16:06   #18
Joice
 
Аватар для Joice
 
Регистрация: 04.06.2013
Адрес: Малин
Возраст: 50
Сообщений: 181
Вы сказали Спасибо: 0
Поблагодарили 0 раз(а) в 0 сообщениях
Репутация: 12
Отправить сообщение для Joice с помощью ICQ
По умолчанию Re: Усилить Remout.

Цитата:
Сообщение от tigrenok Посмотреть сообщение
В мене перша думка, що від магнітоли виведений зовсім не ремоут. Друга - попробувати без містері.
Виведений саме Ремоут, це точно! 12 вольт на ньому є. Але при підключенні його до Хелікса вмикання останнього не відбувається, а от саме Містері працює. Тож якщо грішити, то саме на німця, а не на китайця. От так буває неочікувано.

Добавлено через 6 минут
Цитата:
Сообщение от VKVladimir Посмотреть сообщение
Думаю, проблему нужно искать в источнике ремоута. где то у него тонкий провод.
А ему там толстым и смысла нету быть. Ножка его разъема как ножки подключения ЮСБ на материнской плате. К тому же длина этого провода от силы сантиметров 30-ть.

Последний раз редактировалось Joice; 06.08.2017 в 16:12. Причина: Добавлено сообщение
Joice вне форума   Ответить с цитированием Вверх
Старый 06.08.2017, 18:48   #19
bolid
 
Аватар для bolid
 
Регистрация: 11.10.2010
Адрес: Черкассы
Сообщений: 121
Вы сказали Спасибо: 0
Поблагодарили 0 раз(а) в 0 сообщениях
Репутация: 21
По умолчанию Re: Усилить Remout.

Joice,
Нужно Вам разбираться с подклбчением, так как если всё правильно подлючить реле должно включиться!
bolid вне форума   Ответить с цитированием Вверх
Старый 13.08.2017, 07:49   #20
Joice
 
Аватар для Joice
 
Регистрация: 04.06.2013
Адрес: Малин
Возраст: 50
Сообщений: 181
Вы сказали Спасибо: 0
Поблагодарили 0 раз(а) в 0 сообщениях
Репутация: 12
Отправить сообщение для Joice с помощью ICQ
По умолчанию Re: Усилить Remout.

Почитав несколько статей по основам электроники, спаял схему, которая таки заставила включаться мои усилители. Похожа на предложенную она лишь радиодеталями, но вот уже пять дней работает без проблем, ничего не греется. Все деталюшки выпаял из старого дивидишника, релюшку пришлось купить за 15грн.
Миниатюры
Нажмите на изображение для увеличения
Название: WP_20170812_15_45_49_Pro.jpg
Просмотров: 887
Размер:	325.3 Кб
ID:	66945  
Joice вне форума   Ответить с цитированием Вверх
Ответ


Здесь присутствуют: 1 (пользователей: 0 , гостей: 1)
 

Ваши права в разделе
Вы не можете создавать новые темы
Вы не можете отвечать в темах
Вы не можете прикреплять вложения
Вы не можете редактировать свои сообщения

BB коды Вкл.
Смайлы Вкл.
[IMG] код Вкл.
HTML код Выкл.

Быстрый переход

Похожие темы
Тема Автор Раздел Ответов Последнее сообщение
Как правильно усилить уже зашумленные двери? *AleX* Бюджетный автозвук и песочница. 48 29.01.2012 18:32


Текущее время: 16:31. Часовой пояс GMT +2.


Перевод: zCarot
autozvuk.org ©