Показать сообщение отдельно
Старый 15.11.2011, 09:06   #2
SOVA
Старейшина
 
Аватар для SOVA
 
Регистрация: 21.09.2007
Адрес: Киев
Возраст: 57
Сообщений: 1,446
Вы сказали Спасибо: 128
Поблагодарили 422 раз(а) в 191 сообщениях
Репутация: 628
По умолчанию Re: Разыскиваю схему IPA 800.2 (VGA 800.2)

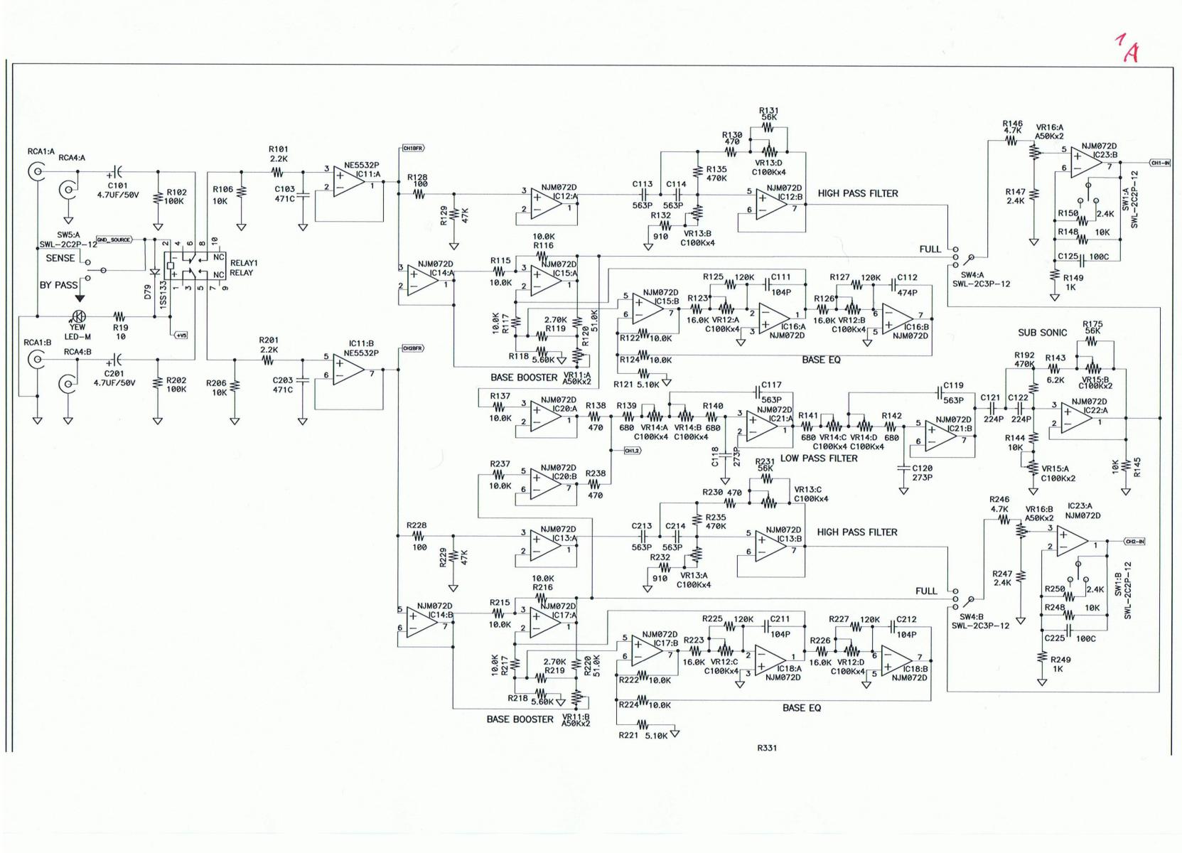
Вот что у меня есть:
Нажмите на изображение для увеличения
Название: user18_pic452_1300294833.jpg
Просмотров: 1053
Размер:	200.6 Кб
ID:	12193
Нажмите на изображение для увеличения
Название: user18_pic453_1300294833.jpg
Просмотров: 1111
Размер:	239.2 Кб
ID:	12194
Нажмите на изображение для увеличения
Название: user18_pic454_1300294833.jpg
Просмотров: 953
Размер:	104.0 Кб
ID:	12195
SOVA вне форума   Ответить с цитированием Вверх