Всё об автозвуке

Всё об автозвуке (http://autozvuk.org/forum2/index.php)
-   Избранное - практика (http://autozvuk.org/forum2/forumdisplay.php?f=44)
-   -   Развязка для ремоута (http://autozvuk.org/forum2/showthread.php?t=4250)

SOVA 14.04.2010 10:40

Развязка для ремоута
 
Вложений: 1
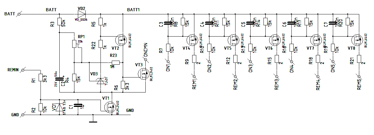
Вот понадобилась схема развязки провода Remote в автомобиль, которая позволяет подключить несколько усилителей, маломощную индикацию или подсветку, небольшие вентиляторы. И чтобы этот блок следил за напряжением аккумулятора, на давая разрядиться, да ещё и можно было выключать всё по отдельности.
Придумал схему:
Вложение 1612
Параметры следующие:
Напряжение включения - 12,3 В
Напряжение выключения - 11,5 В (регулируется подстроечником)
Входное сопротивление провода Remote - 3,3 кОм
Количество выходов - 5
Ток нагрузки по каждому из выходов - 0,2 А
Задержка включения - 10 сек.

Схема подключается тремя проводами:
- Масса (GND)
- Аккумулятор (BATT)
- вход Remote (на схеме REMIN)

Между общим выходом ONCMN и входами ON1...ON5 ставим выключатели потребителей.

Выходы REM1...REM5 подключаются к нагрузкам
Позже подключил светодиод индикации (на схеме не показан) между плюсом и выходом ONCMN.
Плата собрана в корпусе размерами 55*65*15мм

P.S. Обсуждение и вопросы по схеме - здесь


Текущее время: 21:09. Часовой пояс GMT +2.

Перевод: zCarot
autozvuk.org ©