Всё об автозвуке

Всё об автозвуке (http://autozvuk.org/forum2/index.php)
-   Практика по SQ (http://autozvuk.org/forum2/forumdisplay.php?f=14)
-   -   Развязка для ремоута (http://autozvuk.org/forum2/showthread.php?t=4249)

SOVA 14.04.2010 10:40

Развязка для ремоута
 
Вложений: 1
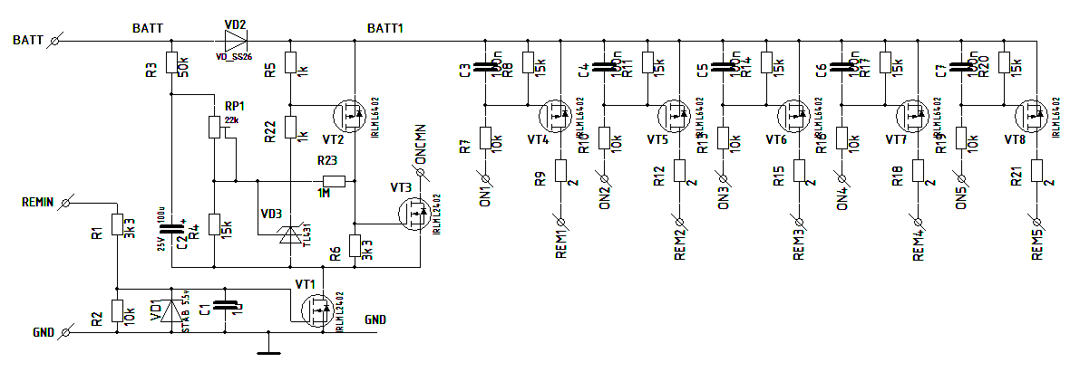
Вот понадобилась схема развязки провода Remote в автомобиль, которая позволяет подключить несколько усилителей, маломощную индикацию или подсветку, небольшие вентиляторы. И чтобы этот блок следил за напряжением аккумулятора, на давая разрядиться, да ещё и можно было выключать всё по отдельности.
Придумал схему:
Вложение 1611
Параметры следующие:
Напряжение включения - 12,3 В
Напряжение выключения - 11,5 В (регулируется подстроечником)
Входное сопротивление провода Remote - 3,3 кОм
Количество выходов - 5
Ток нагрузки по каждому из выходов - 0,2 А
Задержка включения - 10 сек.

Схема подключается тремя проводами:
- Масса (GND)
- Аккумулятор (BATT)
- вход Remote (на схеме REMIN)

Между общим выходом ONCMN и входами ON1...ON5 ставим выключатели потребителей.

Выходы REM1...REM5 подключаются к нагрузкам
Позже подключил светодиод индикации (на схеме не показан) между плюсом и выходом ONCMN.
Плата собрана в корпусе размерами 55*65*15мм

Alexx 14.04.2010 11:24

Вложений: 1
А это внешняя сторона данного проекта :) - промежуточная версия - финал как-нить потом ;)

SOVA 14.04.2010 15:12

А что за дуги такие хитрые? На фотке плохо видно. По краям омедненная трубка, а в центре - хром или стекло?

Alexx 14.04.2010 15:19

Цитата:

Сообщение от SOVA (Сообщение 56910)
А что за дуги такие хитрые? На фотке плохо видно. По краям омедненная трубка, а в центре - хром или стекло?

стекло. Дуги - индикаторы. Почему 4ре - так надо :)

SOVA 13.05.2012 14:06

Re: Развязка для ремоута
 
По просьбе заинтересованных товарищей немного позанимался платкой развязки. Переразвёл с более толстыми проводниками и залил полигоном. Также применил СМД стабилитрон TL431.
В общем, всё видно на фото. Плата размером 60х50 мм.
http://ib3.keep4u.ru/s/2012/05/13/2f...8c1060377c.jpg
http://ib3.keep4u.ru/s/2012/05/13/27...8c99d768dd.jpg
http://ib3.keep4u.ru/s/2012/05/13/81...033f1e3f81.jpg

prizrak 14.05.2012 23:47

Re: Развязка для ремоута
 
Цитата:

Сообщение от SOVA (Сообщение 56887)
Придумал схему

Ну и где она?
Интересно узнать, как этот блок следит за напряжением аккумулятора. В смысле как это реализовано в схеме? Для общего развития так сказать.

Каток 14.05.2012 23:55

Re: Развязка для ремоута
 
Полезный девайс.
Можно на поток ставить...

_kolenval 15.05.2012 06:28

Re: Развязка для ремоута
 
Цитата:

Сообщение от Каток (Сообщение 192647)
Полезный девайс.
Можно на поток ставить...

узнать бы во сколько создатель оценит сей девайс?
с радостью купил бы такой :yes3:

SOVA 15.05.2012 08:03

Re: Развязка для ремоута
 
Как ответить? Картинки выкладывал изначально, но форум их не бережёт. Сейчас выложу на хостинге, но сколько они там продержатся, хз.
Изделия мои всегда имеют нормальный вид, чтобы не было стыдно.
По цене - обращайтесь в личку, здесь не купи - продайка, не могу озвучить. Да я и не продавец.

Принципиальная схема
http://ib3.keep4u.ru/s/2012/05/15/33...a39e6d5e6a.jpg
Схема включения
http://ib3.keep4u.ru/s/2012/05/15/43...0c94486635.jpg

Плата на работе, потом выложу.


Текущее время: 10:05. Часовой пояс GMT +2.

Перевод: zCarot
autozvuk.org ©