Всё об автозвуке

Всё об автозвуке (http://autozvuk.org/forum2/index.php)
-   Теория и точка зрения по SQ (http://autozvuk.org/forum2/forumdisplay.php?f=15)
-   -   Легенды и мифы «последовательных миров» или, что такое последовательный кроссовер (обсуждение) (http://autozvuk.org/forum2/showthread.php?t=3998)

Cobox 26.03.2010 12:48

Легенды и мифы «последовательных миров» или, что такое последовательный кроссовер (обсуждение)
 
Вложений: 4
Ни для кого не секрет, что для хорошей работы многополосной АС требуется организовать оптимальное деление частотных полос между динамиками. В подавляющем большинстве случаев, данная функция реализуется с помощью устройства именуемого «пассивный кроссовер». Наиболее общепринятой является, так называемая, «параллельная» схемотехника, при которой динамики подключаются параллельно выходу усилителя через частотозависимые элементы – конденсаторы и катушки индуктивности. При этом параллельные цепи работают независимо друг от друга, а сигналы излучателей разных полос суммируются акустически. Несколько лет назад в одном из журналов я натолкнулся на упоминание о, так называемом, «последовательном» пассивном кроссовере и был крайне заинтригован, поскольку до этого вообще никогда не сталкивался с таким вариантом реализации пассивного деления частотных полос. Чем же интересны такие конструкции, каковы их достоинства и недостатки и почему они крайне редко встречаются в природе? Попробую обо всем по порядку.

Вокруг последовательных (в английской терминологии – “series” или “constant voltage”) фильтров в последнее время, как говорится, «бушуют страсти». Однако, на самом деле все новое – это хорошо забытое старое. Впервые упоминание о последовательных кроссоверах появилось в 1969 году, в работе небезызвестного теоретика-акустика Рихарда Смолла (да-да, того самого, который в содружестве с господином Тиллем создал стройную теорию электро-механических параметров для динамических головок). Его работа, посвященная такой топологии пассивных кроссоверов, так и называлась: “Constant Voltage Crossover Network Design” или по-русски – “Проектирование пассивных кроссоверов постоянного напряжения”. Предложенная им схема фильтрации была предельно проста и лаконична (см. Рис.1) и состояла из одной емкости и индуктивности подключенных ПАРАЛЛЕЛЬНО соответствующим излучателям.

Вложение 1398Рис1.

Чем же примечательна такая схема? Прежде чем говорить о собственно поведении такого фильтра давайте посмотрим, что представляет из себя цепь, состоящая из последовательно включенной емкости и индуктивности. Такая электрическая схема носит название «последовательного резонансного контура». Последовательный контур имеет минимальный импеданс на частоте своего резонанса, определяемой конкретными значениями составляющей его емкости и индуктивности. Формально все объясняется очень просто: с ростом частоты реактивное сопротивление катушки растет, а емкости – падает, а с понижением – наоборот. Минимум наблюдается на резонансной частоте.

Точная формула нахождения частоты резонанса:
F=1/(L*C)1/2 (1)

Минимальное значение импеданса на резонансной частоте будет определяться лишь собственным сопротивлением проводов и активным сопротивлением катушки индуктивности. В «настоящем» последовательном фильтре 1-го порядка резонанса в контуре не возникает, однако, он наблюдается в случае, так называемого, последовательного кроссовера «квази-второго» порядка. Важность этого фактора отметим позже, а пока пойдем далее.

На Рис.1 представлен последовательный двух полосный кроссовер первого порядка. Как видно из рисунка, последовательные кроссоверы подобны своим параллельным «братьям» и состоят из одной емкости и одной индуктивности. Однако, в отличие от последних, (и в этом заключена вся их прелесть!) они сохраняют принцип тождественного равенства суммы подводимых к излучателям напряжений выходному напряжению усилителя (именно поэтому, в английской терминологии они носят название кроссоверов «постоянного напряжения»). В своей «эпохальной» статье Рихард Смолл указал также необходимые требования, накладываемые на драйверы при их использовании в последовательном кроссовере. В частности, он говорит, что в случае использования последовательного кроссовера, драйверы должны размещаться максимально близко друг к другу и их АЧХ должны быть гладкими в области частоты раздела. Практически, этому критерию легко отвечают обычные драйверы, работающие в зоне «поршневого» действия диффузора. Согласно его исследованиям, принципу «постоянного напряжения» соответствуют только последовательные кроссоверы первого и «квази-второго» порядка. Для последовательных кроссоверов более высоких порядков (см., например, Рис.2) данное условие в общем случае уже не выполняется.
Самым интересным является факт, что такая последовательная конструкция является «самоуравновешивающейся». Другими словами, даже если импеданс головок сильно меняется от частоты, а номиналы емкостей/индуктивностей фильтра имеют значительные отклонения от номинальных, электрическая сумма напряжений, подводимых к звуковым катушкам излучателей, будет ВСЕГДА ТОЖДЕСТВЕННО РАВНА выходному напряжению усилителя.

Вложение 1399Рис.2

Вернемся же к принципиальной схеме фильтра на Рис. 1. С первого взгляда, может показаться, что твитер включенный в последовательную цепь работает в полную полосу. Однако, включенная параллельно твитеру индуктивность выполняет в данном случае ту же роль, что и разделительный конденсатор в параллельном фильтре, защищая драйвер от НЧ. Здесь следует вспомнить об активном омическом сопротивлении катушки и важности ее практической минимизации. Чем ниже омическое сопротивление катушки шунта – тем лучше защищена пищалка. Однако, и это крайне важно, в отличие от конденсатора, катушка не сможет оградить пищалку от постоянного напряжения на выходе усилителя.

Как и в случае параллельных фильтров, при необходимости можно использовать цепи Зобеля для компенсации индуктивности драйверов. При этом необходимые RC цепи включаются параллельно клеммам соответствующих динамиков. Аналогично и с аттеньюацией – ограничивающий резистор включается последовательно с драйвером, а резистор линеаризирующий импеданс – параллельно звуковой катушке.
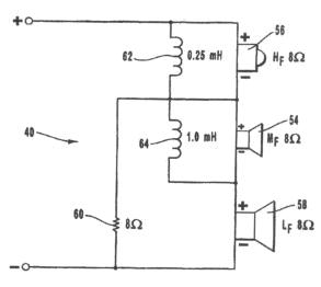
Перейдем далее к многополосным разделительным фильтрам. Трех полосный последовательный кроссовер первого порядка представлен на следующем рисунке:

Вложение 1400Рис.3

Многие разработчики акустики сходны во мнении, что в трехполосных системах весьма сложно обеспечить согласование НЧ и СЧ излучателей без использования сложных и дорогих активных кроссоверов. Последовательный 3-х полосный кроссовер с легкостью решает проблему интеграции вуфера и мидрейнджа. Единственная индуктивность в цепи НЧ излучателя вносит минимальные потери в полезный сигнал и обеспечивает естественную полосовую фильтрацию среднечастотнику. Дополнительный выигрыш мы получаем также и в защите пищалки, поскольку в такой схеме она дважды шунтируется катушками. Однако, при практической реализации, такое включение потребует обязательного введения цепи компенсирующей индуктивность катушки среднечастотника.

Наконец, напишем несколько формул. Каким образом рассчитать требуемые номиналы компонентов в последовательном фильтре? Для фильтра первого порядка рассчеты аналогичны тем, что мы получаем для параллельного фильтра 1-го порядка с Баттервортовской характеристикой. Их величины находятся по следующим формулам:
L=Rн/(2п*F0) (2)
С=1/(2п*F0*Rн) (3)
Где: L, C – требуемые номиналы элементов, Rн – сопротивление соответствующего драйвера, F0 – предполагаемая частота раздела

Однако, даже если фактические номиналы будут отклоняться от расчетных, ничего «катастрофического» не произойдет, поскольку, как говорилось ранее, последовательный фильтр, в отличие от параллельного, «самосбалансируется» - слегка изменится фактическая частота раздела, но суммарный электрический сигнал на драйверах будет в точности соответствовать сигналу на выходе усилителя!

Пойдем далее, и уделим несколько слов, так называемому, последовательному кроссоверу «квазивторого порядка». Почему – «квази»? Да дело в том, что формально это тот же последовательный кроссовер первого порядка показанный на Рис. 1, однако, номиналы составляющих его элементов подбираются таким образом, что мы имеем фактический спад вне полос пропускания круче, чем стандартные для фильтров первого порядка 6дБ/октаву.

Введем такой параметр, как Zeta, который будет характеризовать разнесение частот раздела драйверов. В стандартном случае (формулы (2) и (3)) Zeta=1, что соответствует «классическому» случаю, когда реактивные сопротивления емкости и индуктивности на частоте раздела F0 равны сопротивлению нагрузки и спад полезного сигнала для обоих излучателей на этой частоте составляет 3 дБ. В этом случае, сопротивление кроссовера, которое «видит» усилитель на частоте раздела не изменяется и равняется сопротивлению головок Rн.

В случае «квазивторого» порядка, компоненты для последовательного фильтра находятся, как:
CQ2=C/Zeta (4)
LQ2= L*Zeta (5)
При Zeta=0.707, сопротивления емкости и индуктивности шунтирующих драйверы на прежней частоте раздела F0 синхронно снижаются и усилитель «видит» пониженное в 0.707 раз сопротивление. Однако, в силу «самобалансирующейся» природы последовательных кроссоверов фактическая частота раздела остается неизменной. Сумма напряжений выделяемых на наших драйверах будет, по прежнему, тождественно равна напряжению на выходе усилителя, а фактический спад АЧХ вне полосы прозрачности в этом случае достигает крутизны 9 дБ/октаву! При параметре Zeta=0.5, последовательный кроссовер еще глубже входит в зону резонанса последовательного контура, о котором упоминалось выше. Спад АЧХ достигает 12 дБ/октаву, что соответствует формально кроссоверу второго порядка, а сопротивление «видимое» усилителем снижается до половины Rн. К такому случаю следует отнестись крайне осторожно, при использовании не очень устойчивого усилителя, последний может войти в режим возбуждения!
При Zeta>1, мы перекрываем частоты раздела наших драйверов, сопротивление «видимое» усилителем становится выше Rн, а крутизна спада становится менее 6 дБ/октаву, что на практике фактически неприменимо. Однако, и в этом случае, результирующая суммарная АЧХ останется «гладкой».

Если бы мы попытались проделать подобный «трюк» с разнесением частоты раздела с «обычным» параллельным кроссовером, то на частоте раздела появился бы провал в суммарной АЧХ, а при перекрытии частот – пик.
В заключение, хочу упомянуть еще об одной разновидности «последовательных» кроссоверов, а именно о решении, запатентованном фирмой «DiAural» и используемом практически фирмой «Acoustic Reality» при изготовлении своих АС. Схема такого кроссовера для трех полосной АС показана на следующем рисунке.

Вложение 1401 Рис.4

Идея кроссовера весьма остроумна, и по мнению «DiAural» примечательна тем, что позволяет избавится от главного зла «аудиофилов» - неидеальных в звуковом плане разделительных (и даже шунтирующих!) конденсаторов. Как видите, данный кроссовер вообще не содержит ни одного конденсатора! Расплатой за «аудиофильность» послужила неровная частотная характеристика импеданса такого кроссовера (сопротивление «видимое» усилителем растет с повышением частоты), крайне низкая крутизна спада АЧХ вне полосы пропускания (менее 6 дБ/октаву из-за паразитного влияния индуктивностей звуковых катушек), ну и практически полная беззащитность пищалок от постоянного напряжения (последнее, правда, характерно для всех последовательных кроссоверов).

Итак, «сухой остаток»: последовательные кроссоверы вполне заслуживают права на существование. Более того, их практическая реализация очень проста даже для начинающих «кроссоверостроителей», поскольку из-за своей самобалансирующейся природы они практически не критичны к отклонениям в номиналах элементов, и, фактически, при любом «раскладе» порадуют в результате гладкой АЧХ без выбросов и провалов. Кроме того, такие кроссоверы позволяют избавится от такого «зла» как разделительные проходные конденсаторы в цепях твитера, качество которых очень сильно влияет на звучание в обычных «параллельных» схемах. При близком размещении излучателей, такие кроссоверы демонстрируют очень хорошую интеграцию драйверов по звучанию из-за своей большей «фазовой» правильности в сравнении с «параллельными» оппонентами. К безусловным же недостаткам такого схемного решения следует отнести полное отсутствие защиты пищалки от постоянного напряжения на выходе, низкую крутизну среза таких фильтров, и определенные требования к качеству АЧХ и линейности импеданса используемых в составе АС драйверов.

Юренин Александр
23 апреля 2004 года.

SOVA 26.03.2010 21:30

Не всё так просто.
Первое:
Цитата:

Сообщение от Cobox (Сообщение 54276)
Как видно из рисунка, последовательные кроссоверы подобны своим параллельным «братьям» и состоят из одной емкости и одной индуктивности. Однако, в отличие от последних, (и в этом заключена вся их прелесть!) они сохраняют принцип тождественного равенства суммы подводимых к излучателям напряжений выходному напряжению усилителя
--
электрическая сумма напряжений, подводимых к звуковым катушкам излучателей, будет ВСЕГДА ТОЖДЕСТВЕННО РАВНА выходному напряжению усилителя.

Так вот, многие схемы имеют свойство дуализма. В данном случае параллельный кроссовер разделяет напряжения между динамиками, а последовательный соответственно токи. И если запитать параллельный кроссовер от источника напряжения, а последовательный от источника тока - то они по своим выходным функциям - соответственно выходному напряжению и току будут тождественны.

Второе
Цитата:

Сообщение от Cobox (Сообщение 54276)
Вернемся же к принципиальной схеме фильтра на Рис. 1. С первого взгляда, может показаться, что твитер включенный в последовательную цепь работает в полную полосу. Однако, включенная параллельно твитеру индуктивность выполняет в данном случае ту же роль, что и разделительный конденсатор в параллельном фильтре, защищая драйвер от НЧ. Здесь следует вспомнить об активном омическом сопротивлении катушки и важности ее практической минимизации. Чем ниже омическое сопротивление катушки шунта – тем лучше защищена пищалка. Однако, и это крайне важно, в отличие от конденсатора, катушка не сможет оградить пищалку от постоянного напряжения на выходе усилителя.

Это не совсем верно. Посмотрите на схему работы фильтра выше частоты раздела. Ток через ВЧ динамик проходит через емкость и параллельно через катушку НЧ динамика. Здесь очень важен импеданс НЧ динамика на этой частоте. Так как искажения, возникающие в цепи катушки НЧ динамика передаются на ВЧ динамик. Соответственно ниже частоты раздела все меняется местами.
И второе с буквой а) Подав на вход фильтра постоянное напряжение, на ВЧ динамике будет очень маленькое напряжение, вызванное активным сопротивлением катушки индуктивности. Поэтому этот фильтр защищает ВЧ динамик от постоянного напряжения на выходе.

Третье
Цитата:

Сообщение от Cobox (Сообщение 54276)

При Zeta=0.707, сопротивления емкости и индуктивности шунтирующих драйверы на прежней частоте раздела F0 синхронно снижаются и усилитель «видит» пониженное в 0.707 раз сопротивление.
При параметре Zeta=0.5, последовательный кроссовер еще глубже входит в зону резонанса последовательного контура, о котором упоминалось выше.
, а сопротивление «видимое» усилителем снижается до половины Rн. К такому случаю следует отнестись крайне осторожно, при использовании не очень устойчивого усилителя, последний может войти в режим возбуждения!

Однако, и в этом случае, результирующая суммарная АЧХ останется «гладкой».

В третьих, звуковое давление, развиваемое динамиком, пропорционально усилию линейного мотора (звуковой катушки в магнитном поле). А это усилие пропорционально току
через катушку динамика, а не напряжению. Поэтому, в случае Zeta=0,5 на частоте раздела будет горб АЧХ, апри Zeta = 2 на частоте раздела будет провал АЧХ. Такое бывает и в параллельных фильтрах.
Этого не будет, если такой кроссовер запитать от источника тока, а не напряжения.

Четвертое
Цитата:

Сообщение от Cobox (Сообщение 54276)
Итак, «сухой остаток»: последовательные кроссоверы вполне заслуживают права на существование.
Кроме того, такие кроссоверы позволяют избавится от такого «зла» как разделительные проходные конденсаторы в цепях твитера,

Как показано во втором пункте, выше частоты раздела фильтра ток через ВЧ динамик проходит через параллельно соединенные катушку НЧ динамика и конденсатор. Так что это ещё не панацея. На звучание ВЧ динамика влияет три элемента: катушка, конденсатор и НЧ динамик.

Arrt 27.03.2010 15:16

Цитата:

Сообщение от SOVA (Сообщение 54362)
Не всё так просто.

Это не совсем верно. Посмотрите на схему работы фильтра выше частоты раздела. Ток через ВЧ динамик проходит через емкость и параллельно через катушку НЧ динамика. Здесь очень важен импеданс НЧ динамика на этой частоте. Так как искажения, возникающие в цепи катушки НЧ динамика передаются на ВЧ динамик.

"Не всё так просто":) Обратные токи индукции пошли бы на ВЧ и на усилитель, если бы небыло конденсатора. Конденсатор шунтирует эти токи от НЧ динамика.:yes3:
Цитата:

Сообщение от SOVA (Сообщение 54362)
Соответственно ниже частоты раздела все меняется местами.

А вот тут стоит все-таки учесть разницу между индуктивностью НЧ, с которой нужно бороться и индуктивность ВЧ динамика, которой вполне можно пренебречь.


Цитата:

Сообщение от SOVA (Сообщение 54362)

В третьих, звуковое давление, развиваемое динамиком, пропорционально усилию линейного мотора (звуковой катушки в магнитном поле). А это усилие пропорционально току
через катушку динамика, а не напряжению. Поэтому, в случае Zeta=0,5 на частоте раздела будет горб АЧХ, апри Zeta = 2 на частоте раздела будет провал АЧХ. Такое бывает и в параллельных фильтрах.
Этого не будет, если такой кроссовер запитать от источника тока, а не напряжения.

Самая распространенная ошибка - у последовательного фильтра нет явной частоты раздела. Если мы круче подрезаем один динамик, то пропрционально больше на этой частоте получает другой динамик.

Цитата:

Сообщение от SOVA (Сообщение 54362)
Как показано во втором пункте, выше частоты раздела фильтра ток через ВЧ динамик проходит через параллельно соединенные катушку НЧ динамика и конденсатор. Так что это ещё не панацея. На звучание ВЧ динамика влияет три элемента: катушка, конденсатор и НЧ динамик.

Если фильтр подобран правильно, то только конденсатор. Если неправильно то может добавится влияние НЧ динамика.

Cobox 27.03.2010 15:26

Цитата:

Сообщение от Arrt (Сообщение 54451)
Самая распространенная ошибка - у последовательного фильтра нет явной частоты раздела. Если мы круче подрезаем один динамик, то пропрционально больше на этой частоте получает другой динамик.

Вот за что я люблю и уважаю последовательные фильра, так это за их самобалансировку. Вчера собрал два разных последовательных фильтра, один установил на правый борт (раздел 195Гц/400Гц), а второй на левый (раздел 195Гц/650Гц). Замеряли АЧХ - у обеих фильтров она ровная.
Если бы это были паральные фильтры, то мне не избежать было при этом провалов, но их нет.

SOVA 29.03.2010 13:07

195/650 это трехполоска или такой разрыв между динамиками?
Кстати, если фильтр настроен с Zeta >1, то налицо наличие полосы совместной работы двух динамиков последовательно. А если Zeta <1, то есть полоса частот, в которой катушка с конденсатором шунтируют оба динамика сразу, и появляется провал в импедансной характеристике. Но в этом случае также есть полоса совместной работы двух динамиков.

Приведу пример дуальности:
Если параллельный фильтр запитать от источника тока, то при любых значениях частот среза ВЧ и НЧ в результате будет гладкая АЧХ. Кто может доказать?

Cobox 29.03.2010 14:23

это разрыв между СЧ и ВЧ

SOVA 30.03.2010 16:16

Вложений: 3
Интересная тема. эти последовательные фильтры, где-то раз в пол года проскакивает инфа о их "классности", однако ни у одного производителя я их до сих пор не вижу.
Вот и для себя решил разобраться, что к чему.
Есть отличная и правильная программа "MicroCAP", позволяющая моделировать любые электрические схемы. Вот и я нарисовал схему последовательного фильтра первого порядка с эквивалентными моделями динамиков. Параметры динамика НЧ Helix P206 измерены мной с помощью Speaker Work Shop, там же получены номиналы эквивалентной схемы. Модель пищалки простая - резистор и небольшая катушка индуктивности.
Вот схема:
Вложение 1429
Вначале просто прикинул, каким будет фильтр с частотами настройки 195 и 650 Гц, как в примере выше. Индуктивность катушки 0,98 миллигенгри, ёмкость конденсатора 200 микрофарад. Получилось вот что:
Вложение 1430
Совсем грустно. НЧ динамик не даёт спадать амплитуде ВЧ динамика до 150 Гц и образуется большая зона совместной работы двух динамиков.
В таком фильтре только Фостекс выживет, пищалка долго не протянет.
Немного подумав, добавил цепочку Цобеля параллельно НЧ динамику, и поступил, как в книжке написано:
Рассчитал фильтр для одной частоты 2,5 килогерца и разных значениях Zeta.
Вот какие расчёты получились:
Вложение 1431
Действительно, при zeta = 1,41 есть провал импеданса до 2-х ом и подьём АЧХ на частоте раздела. От усилителя потребляется бОльшая мощность и высокодобротный фильтр увеличивает амплитуду напряжений на динамиках больше, чем напряжение на клеммах усилителей. Это нормальный закон последовательного колебательного контура.
При Zeta < 1 наблюдается зона совместной работы двух динамиков с присущим такому режиму увеличением импеданса. Динамики - то соединены последовательно. Но при разных местах установки в авто это не очень хорошо из-за интерференции звуковых волн.
Наилучшая картина наблюдается при точной настройке, Zeta = 1, и компенсации нелинейного сопротивления динамиков (как минимум цепочкой Цобеля, а то и контуром, поглощающим резонансный пик).
Итог:
Не всё так просто, фильтры нужно знать и применять оправданно. Исходя из конкретных задач, мест установки и динамиков. Это не работа выходного дня.

"Знания, измерительные приборы и опыт нужны для этого."
(с) магистр Йода :D

wollik 30.03.2010 16:41

Виживет не только фостекс, там вч изодинамика ,думаю ей все равно:)

SOVA 30.03.2010 18:19

Пусть живёт. :)
Главное. чтобы музыка играла и тОркало за душу.

Arrt 30.03.2010 18:22

Цитата:

Сообщение от SOVA (Сообщение 54948)
"Знания, измерительные приборы и опыт нужны для этого."
(с) магистр Йода :D

Графики красивые, но масштаб неудачный, если поставить по Y хотя бы 60 Дб то будет более наглядным процент потерь. Перепад АЧХ в 3 Дб это очень мало даже в сравнении АЧХ мидбаса (в рабочей полосе) в салоне авто.
На самом деле основная проблема этого фильтра, да и не только этого, это зона совместного излучения динамиков но уже в конкретной акустической среде. Разнесенность динамиков между собой, их направленность, расстояние до слушателя, отражения, дают неравномерность АЧХ 10-20 Дб. Именно поэтому фильтр настраивается по-месту, т.е. с учетом установки динамиков и особенностей салона.

SOVA 30.03.2010 18:30

Вложений: 1
Цитата:

Сообщение от Arrt (Сообщение 54983)
Графики красивые, но масштаб неудачный, если поставить по Y хотя бы 60 Дб то будет более наглядным процент потерь. Перепад АЧХ в 3 Дб это очень мало даже в сравнении АЧХ мидбаса (в рабочей полосе) в салоне авто.
На самом деле основная проблема этого фильтра, да и не только этого, это зона совместного излучения динамиков но уже в конкретной акустической среде. Разнесенность динамиков между собой, их направленность, расстояние до слушателя, отражения, дают неравномерность АЧХ 10-20 Дб. Именно поэтому фильтр настраивается по-месту, т.е. с учетом установки динамиков и особенностей салона.

Что даст такой масштаб?
Если отличие по громкости в 10 дБ уже в 10 раз тише, то при 20дБ в 100 раз разница в громкости динамиков. Ты его просто не услышишь, и 10-20 дБ перепад он тебе никак не создаст, только в зоне совместного излучения с разницей в громкости динамиков 1-3 дБ
Вложение 1432
Вот полный масштаб

Arrt 30.03.2010 18:51

Цитата:

Сообщение от SOVA (Сообщение 54985)
Что даст такой масштаб?
Если отличие по громкости в 10 дБ уже в 10 раз тише, то при 20дБ в 100 раз разница в громкости динамиков. Ты его просто не услышишь, и 10-20 дБ перепад он тебе никак не создаст, только в зоне совместного излучения с разницей в громкости динамиков 1-3 дБ
Вложение 1432
Вот полный масштаб


1-3 Дб для человеческого уха это ровная АЧХ.
10-20 Дб это измеренные микрофоном очень даже получаются.

Да вот хотябы АЧХ динамика, без учета салона уже есть 3 Дб. http://scan-speak.dk/datasheet/freq/15w_4531g00.gif

Cobox 05.04.2010 23:19

очень интересное обсуждение последовательных фильтров

SOVA 06.04.2010 11:39

Вложений: 1
Вот, стало интерестно, насколько разница в громкости динамиков может сделать неравномерность в АЧХ?
Нарисовал схему. Генератор - два выхода. Один через линию задержки 0,3 мс. и аттенюатор. Затем суммирую полученные сигналы. Вот получившийся график:
Вложение 1502
В текстовом виде:
При разности громкости динамиков 0,5дБ получаем неравномерность 30дБ
При разности 3,5дБ неравномерность 12дБ
При разности 9дБ неравномерность 6дБ
При разности 25дБ неравномерность 0,7дБ
Итог: Зона совместного излучения динамиков лежит в пределах 0 - минус 15 дБ по АЧХ отфильтрованного динамика.
Вот вам и печка, откуда плясать с порядками и частотами фильтров :)

Cobox 06.04.2010 11:55

Предлагаю совместно (что бы не было споров и сомнений в правильности замеров) померять мою АЧХ и выложить сюда результат замеров и тогда все точки сами расcтавятся над i ;)

vvv 06.04.2010 13:05

Предлагаю мерять ФЧХ ;)
АЧХ - дело техники.

Arrt 06.04.2010 13:20

Цитата:

Сообщение от vvv (Сообщение 55874)
Предлагаю мерять ФЧХ ;)
АЧХ - дело техники.

И что можно будет увидеть на фоне ФЧХ диффузорного динамика? Это только в симуляторах он такое красивое, с однократным поворотом фазы.

vvv 06.04.2010 13:25

так можно и одного динамика, точнее 2-х, левого и правого.
все там будет видно, даже учитывая гребенку фчх дифф. динамика.

SOVA 06.04.2010 13:53

Цитата:

Сообщение от vvv (Сообщение 55874)
Предлагаю мерять ФЧХ ;)
АЧХ - дело техники.

На неделе будем мерять ФЧХ одного маленького динамика (~50мм), диффузорника с кондером и без.
Что получится. сообщу.
Кстати, у меня на ноуте жутко тормозит винда:
На SWS нестабильно время между воспроизведением и записью сигнала от1 до 4мс. И непредсказуемо.
То есть я не могу по методу Куряки посмотреть задержки сигнала двух динамиков из одного канала.
Один - могу. Фазу (относительную) могу. Задержку одного в режиме пачек импульсов - могу. А два на один график - не могу.
Кто подскажет?

Cobox 06.04.2010 20:11

ну тут никак, только системы реального времени нужно использовать, например, из того что можно достать у нас это QNX или особые сборки линукса.
Вот полный список систем которые годятся для выполнения таких задач:
Свободные:
ChibiOS/RT
XOberon — ОСРВ для БПЛА, написана на Обероне SA
RTLinux — ОС жёсткого РВ на основе Linux
RTEMS — ОС с открытым исходным кодом, разработана DARPA МО США
eCos
Fiasco (клон L4)[12]
OSA[13] — кооперативная многозадачная ОСРВ с открытым исходным кодом для микроконтроллеров PIC (Microchip) и AVR (Atmel)
FreeRTOS
KURT (KU Real Time Linux) — ОС мягкого РВ на основе Linux
Phoenix-RTOS
Nut/OS[14]
Prex
RTAI
scmRTOS — Single-Chip Microcontroller RTOS[15]
SHaRK[16]
Symbian OS
TNKernel
TRON Project
Xenomai
BeRTOS[17] — ОСРВ для встраиваемых систем с открытым исходным кодом, распространяется по лицензии GPL
Проприетарные:
Automation Runtime — ОС жёсткого РВ для контроллеров B&R
QNX — с открытым исходным кодом (начиная с версии QNX Neutrino 6.3.2)
RTOS-32 — ОС с открытым исходным кодом
Ardence RTX
ChorusOS
DNIX
DMERT
DSOS
embOS (Segger)
FlexOS
HP-1000/RTE[18]
INTEGRITY
ITRON
LynxOS
MERT
MicroC/OS-II
MQX RTOS[19]
Nucleus
OS-9
OSE
OSEK/VDX
OSEKtime
PDOS
Phar Lap ETS
PikeOS
Portos[20]
pSOS
REX
RMX
RSX-11 (её советский клон — ОСРВ СМ ЭВМ)
RT-11
RTOS-UH
RTXC
Salvo RTOS[21]
SINTRAN III
ThreadX
VRTX
VxWorks/Tornado
Windows CE
µnOS
UNIX-RTR
Virtuoso — ОСРВ для сигнальных процессоров DSP
Багет — ОСРВ разработанная НИИСИ РАН по заказу МО РФ


Текущее время: 17:21. Часовой пояс GMT +2.

Перевод: zCarot
autozvuk.org ©