Всё об автозвуке

Всё об автозвуке (http://autozvuk.org/forum2/index.php)
-   Теория и точка зрения по SQ (http://autozvuk.org/forum2/forumdisplay.php?f=15)
-   -   Разыскиваю схему IPA 800.2 (VGA 800.2) (http://autozvuk.org/forum2/showthread.php?t=14237)

igorvolikov 15.11.2011 00:18

Разыскиваю схему IPA 800.2 (VGA 800.2)
 
Разыскиваю схему IPA 800.2 (VGA 800.2)
Или любого усилителя данной серии.

ОООчень нужна. :notworthy:

igor_volikov@mail.ru

SOVA 15.11.2011 09:06

Re: Разыскиваю схему IPA 800.2 (VGA 800.2)
 
Вложений: 3
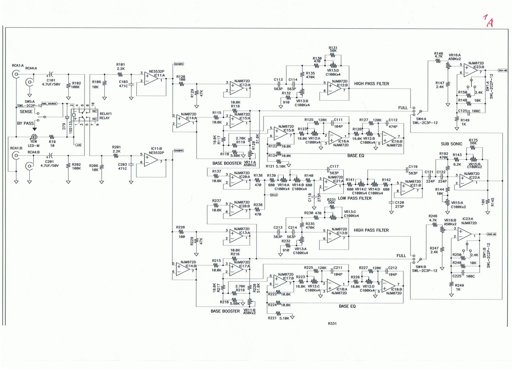
Вот что у меня есть:
Вложение 12193
Вложение 12194
Вложение 12195


Текущее время: 22:46. Часовой пояс GMT +2.

Перевод: zCarot
autozvuk.org ©